


法思特内六角圆柱头机螺钉平弹垫组合-滚花不锈钢 M3*12
- 工业品
价格:¥0.0858价格含税(税率13%)
- 品牌名称
- FAST(法思特)
- 商品型号
- 159793
- 商品编号
- C49348580
- 商品毛重
1.079克(g)
- 材质 304不锈钢
- 规格 M3*12
广东仓0
购买数量
个
(1000个/盒,最小起订量1个,递增量:1)
总价金额:
¥0.00近期成交0单
- 商品参数
- 商品详情
商品参数
| 属性 | 参数值 |
|---|---|
| 商品目录 | 内六角圆柱头平弹垫三组合 |
| 材质 | 304不锈钢 |
| 属性 | 参数值 |
|---|---|
| 规格 | M3*12 |
| 表面处理 | 洗白 |
商品详情
产品特点 FEATURES
该产品为FAST(法思特)品牌生产的内六角圆柱头机螺钉平弹垫组合件,型号159793,采用304不锈钢材质,具有优异的耐腐蚀性和机械强度,适用于高要求的工业环境。
1
材质为304不锈钢,具备良好的抗锈蚀、抗氧化性能,适合在潮湿、酸碱或盐雾环境中长期使用。
2
螺纹规格为M3×12,螺距为0.5mm,符合国际标准,确保与常见螺纹孔良好配合。
3
内六角设计便于使用内六角扳手进行安装和拆卸,操作空间小仍可轻松作业,提升装配效率。
4
配备平垫圈和弹簧垫圈组合,增强连接稳定性,防止松动,特别适用于振动较大的工况。
5
螺钉头部带有滚花处理,增加摩擦力,防止滑脱,提高手动装配时的可靠性。
6
表面经过洗白处理,外观洁净,无油污残留,适合对清洁度要求较高的场合。
7
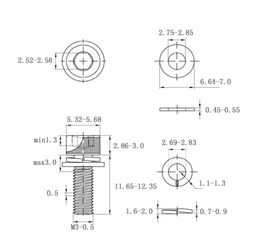
尺寸精度高,符合图纸标注公差范围,如头部直径6.64–7.0mm,螺杆长度11.65–12.35mm,确保互换性与装配一致性。
产品介绍 INTRODUCTION
使用场景 APPLICATIONS
适用于各类需要高强度、防松动、耐腐蚀连接的工业设备与机械结构中,尤其适合以下场景:
1
电子设备内部结构固定,如控制柜、配电箱等。
2
自动化生产线中的传感器、电机、传动部件安装。
3
医疗器械、食品加工设备等对卫生等级要求较高的领域。
4
汽车零部件、轨道交通设备中的紧固连接。
5
室外或海洋环境下的金属结构件连接,如护栏、支架等。
6
需要频繁拆装但又要保证稳定性的精密仪器装配。
由于其优良的防腐性能和可靠的防松结构,广泛应用于能源、电力、通信基站等领域。
注意事项 PRECAUTIONS
1
安装时请使用合适扭矩的内六角扳手,避免过度拧紧导致螺纹损坏或材料变形。
2
建议配合相应尺寸的螺纹孔使用,确保螺纹完全啮合,避免因螺纹不匹配造成应力集中。
3
在高温环境下使用时,需确认304不锈钢的热膨胀系数是否满足系统要求,必要时选用更高温度等级的材料。
4
虽然表面已做洗白处理,但在高污染或强腐蚀环境中建议定期检查连接状态,及时更换老化或损伤部件。
5
不得用于承受冲击载荷或疲劳循环次数极高的动态连接部位,若需此类应用,应考虑使用专用防松螺栓或加装锁紧装置。
6
存储时应保持干燥通风,避免与酸碱物质接触,防止表面氧化影响后续使用。
7
本产品为组合件,包含螺钉、平垫圈、弹簧垫圈,请勿单独替换其中任一部件以保证整体性能。

法思特内六角圆柱头机螺钉平弹垫组合-滚花不锈钢 M3*12
价格:¥0.0858
购买数量
个
(1000个/盒,最小起订量1个,递增量:1)







