


法思特内六角圆柱头机螺钉平弹垫组合-滚花不锈钢 M4*25
- 工业品
价格:¥0.2854价格含税(税率13%)
- 品牌名称
- FAST(法思特)
- 商品型号
- 200163
- 商品编号
- C49348596
- 商品毛重
3.131克(g)
- 材质 316不锈钢
- 规格 M4*25
广东仓0
购买数量
个
(1000个/盒,最小起订量1个,递增量:1)
总价金额:
¥0.00近期成交0单
- 商品参数
- 商品详情
商品参数
| 属性 | 参数值 |
|---|---|
| 商品目录 | 内六角圆柱头平弹垫三组合 |
| 材质 | 316不锈钢 |
| 属性 | 参数值 |
|---|---|
| 规格 | M4*25 |
| 表面处理 | 洗白 |
商品详情
产品特点 FEATURES
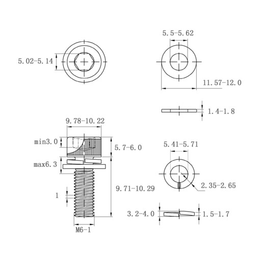
该产品为FAST(法思特)品牌生产的内六角圆柱头机螺钉平弹垫组合件,型号200163,采用316不锈钢材质,具有优异的耐腐蚀性能,适用于高湿、盐雾或化学腐蚀环境。螺钉规格为M4×25,螺纹公差等级为M4-0.7,确保良好的配合精度与连接强度。头部设计为滚花处理,提升手动安装时的防滑性能,便于快速装配与拆卸。配套平垫圈和弹簧垫圈一体化结构,有效防止螺栓松动,增强连接稳定性。表面经过洗白处理,外观整洁,无氧化层,保持金属原色,适合对美观度有要求的工业设备装配。
螺钉头部直径为8.64-9.0mm,厚度0.7-0.9mm,内六角孔径3.02-3.08mm,符合标准内六角扳手尺寸,兼容性好。螺杆长度24.58-25.42mm,满足中等深度紧固需求。整体结构紧凑,安装后外观平整,适用于精密设备及自动化装配线使用。
产品介绍 INTRODUCTION
使用场景 APPLICATIONS
适用于海洋工程、化工设备、食品加工机械、医疗设备、船舶制造、户外电子设备等对耐腐蚀性要求较高的工业领域。特别适合在沿海地区、高湿度环境或存在酸碱腐蚀介质的场所使用。广泛用于不锈钢设备框架固定、仪表外壳紧固、管道阀门连接、自动化设备零部件组装等场景。其一体化平弹垫设计可有效应对振动环境,如输送带、电机底座、风机壳体等需长期稳定运行的设备连接部位。同时,由于其良好的外观与防腐性能,也常用于高端工业设备的外露部位紧固。
注意事项 PRECAUTIONS
1
安装时应使用合适扭矩的内六角扳手,避免过度拧紧造成螺纹损伤或材料变形。
2
尽管316不锈钢具备优良耐腐蚀性,但在强酸、强碱或氯离子浓度极高的环境中仍建议定期检查连接状态。
3
不建议在高温超过300℃的环境下长期使用,以免影响材料力学性能。
4
本产品为预装组合件,不可拆分单独使用,若需更换部件,请选用同规格组件。
5
存储时应保持干燥通风,避免接触含氯清洁剂或盐雾环境,防止点蚀发生。
6
使用前请确认被连接件材质与螺钉匹配,避免电化学腐蚀风险,尤其在铝合金与不锈钢直接接触时应加绝缘垫片。

法思特内六角圆柱头机螺钉平弹垫组合-滚花不锈钢 M4*25
价格:¥0.2854
购买数量
个
(1000个/盒,最小起订量1个,递增量:1)







