


法思特内六角圆柱头机螺钉平弹垫组合-滚花不锈钢 M4*18
- 工业品
价格:¥0.1463价格含税(税率13%)
- 品牌名称
- FAST(法思特)
- 商品型号
- 159805
- 商品编号
- C49348583
- 商品毛重
2.692克(g)
- 材质 304不锈钢
- 规格 M4*18
广东仓0
购买数量
个
(1000个/盒,最小起订量1个,递增量:1)
总价金额:
¥0.00近期成交0单
- 商品参数
- 商品详情
商品参数
| 属性 | 参数值 |
|---|---|
| 商品目录 | 内六角圆柱头平弹垫三组合 |
| 材质 | 304不锈钢 |
| 属性 | 参数值 |
|---|---|
| 规格 | M4*18 |
| 表面处理 | 洗白 |
商品详情
产品特点 FEATURES
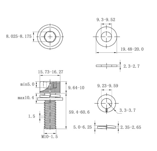
该产品为FAST(法思特)品牌生产的内六角圆柱头机螺钉平弹垫组合件,型号159805,采用304不锈钢材质,具有优异的耐腐蚀性和机械强度,适用于高要求的工业环境。螺钉规格为M4×18,螺纹公差等级为6g,确保良好的配合精度与装配稳定性。头部设计为滚花处理,提升手动操作时的防滑性能,便于安装与拆卸。配套平垫圈和弹簧垫圈组合使用,有效防止螺栓松动,增强连接可靠性。表面经过洗白处理,外观整洁,无油污残留,适合对清洁度有较高要求的应用场景。整体结构紧凑,尺寸精确,符合标准,具备良好的互换性与通用性。
产品介绍 INTRODUCTION
使用场景 APPLICATIONS
适用于各类精密设备、自动化机械、电子仪器、医疗设备及户外金属结构中的紧固连接需求。特别适合在潮湿、盐雾或化学腐蚀环境下使用的场合,如海洋工程、化工装置、食品加工设备等。由于其具备防松功能和高强度特性,广泛应用于需要频繁拆装或承受振动载荷的部位,例如电机外壳固定、控制柜面板安装、传感器模块连接等。同时,因其美观且易于维护,也适用于对视觉效果有一定要求的工业设备组装中。
注意事项 PRECAUTIONS
1
安装前请确认被连接件的孔径与螺纹匹配,避免强行拧入造成螺纹损坏。
2
推荐使用扭矩扳手进行紧固,建议扭矩范围为5-7N·m,防止过紧导致材料变形或断裂。
3
在高温或强酸碱环境中长期使用时,建议定期检查螺纹连接状态,必要时更换部件。
4
本产品虽具良好防腐性能,但在极端腐蚀条件下仍需考虑加装防护涂层或选用更高耐蚀等级材料。
5
存放时应保持干燥通风,避免与碳钢制品混放,防止电化学腐蚀。
6
不得用于承受冲击载荷或动态疲劳应力较大的结构连接,此类工况建议选用专用高强度螺栓或锁紧型螺纹连接件。

法思特内六角圆柱头机螺钉平弹垫组合-滚花不锈钢 M4*18
价格:¥0.1463
购买数量
个
(1000个/盒,最小起订量1个,递增量:1)







