


法思特内六角圆柱头机螺钉平弹垫组合-滚花不锈钢 M3*12
- 工业品
价格:¥0.1373价格含税(税率13%)
- 品牌名称
- FAST(法思特)
- 商品型号
- 200152
- 商品编号
- C49348555
- 商品毛重
1.1克(g)
- 材质 316不锈钢
- 规格 M3*12
广东仓0
购买数量
个
(1000个/盒,最小起订量1个,递增量:1)
总价金额:
¥0.00近期成交0单
- 商品参数
- 商品详情
商品参数
| 属性 | 参数值 |
|---|---|
| 商品目录 | 内六角圆柱头平弹垫三组合 |
| 材质 | 316不锈钢 |
| 属性 | 参数值 |
|---|---|
| 规格 | M3*12 |
| 表面处理 | 洗白 |
商品详情
产品特点 FEATURES
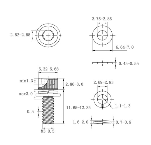
该产品为FAST(法思特)品牌生产的内六角圆柱头机螺钉平弹垫组合件,型号200152,采用316不锈钢材质制造,具有优异的耐腐蚀性能,适用于高湿、盐雾或化学腐蚀环境。
螺钉规格为M3×12,螺纹公差等级为M3-0.5,确保装配精度与配合稳定性。头部设计为内六角结构,便于使用内六角扳手进行紧固操作,适合空间受限的安装场合。
螺钉头部带有滚花处理,增强防滑性能,提升手动拧紧时的操作手感和安全性。同时配备平垫圈和弹簧垫圈组合,有效防止松动,提高连接可靠性。
表面经过洗白处理,外观整洁,无油污残留,适用于对清洁度要求较高的工业设备或精密仪器装配。
整体结构紧凑,尺寸精确,符合ISO标准,可广泛用于机械、电子、船舶、海洋工程等领域。
产品介绍 INTRODUCTION
使用场景 APPLICATIONS
适用于各类需要高强度、耐腐蚀连接的工业设备组装场景,尤其适合在海洋环境、化工厂、食品加工、制药设备等存在腐蚀性介质的环境中使用。
可用于固定电机外壳、仪表面板、控制箱体、阀门组件、金属框架结构等部位。
由于其内六角设计和滚花处理,特别适合自动化装配线或需频繁拆装的设备维护场景。
也可用于户外设备、桥梁附属结构、船舶甲板设施等长期暴露于自然环境中的金属连接部位,提供持久可靠的紧固效果。
注意事项 PRECAUTIONS
安装前请确认螺孔深度与螺钉长度匹配,避免螺纹未完全旋入或过度拧紧导致螺纹损坏。
建议使用扭矩扳手按照推荐扭矩值进行紧固,防止因过紧造成螺纹拉伸或材料变形。
在高温环境下使用时,请注意316不锈钢的热膨胀系数,必要时预留热应力补偿间隙。
若需长期承受振动载荷,建议定期检查紧固状态,必要时重新施加扭矩。
本产品虽具良好耐腐蚀性,但在强酸、强碱或氯离子浓度极高的环境中仍需评估适用性,必要时搭配密封胶或涂层防护。
存放时应保持干燥通风,避免与腐蚀性物质接触,防止表面氧化影响外观与性能。

法思特内六角圆柱头机螺钉平弹垫组合-滚花不锈钢 M3*12
价格:¥0.1373
购买数量
个
(1000个/盒,最小起订量1个,递增量:1)







