


法思特内六角圆柱头机螺钉平弹垫组合-滚花不锈钢 M8*55
- 工业品
价格:¥0.9468价格含税(税率13%)
- 品牌名称
- FAST(法思特)
- 商品型号
- GZS232752
- 商品编号
- C49348574
- 商品毛重
25.861克(g)
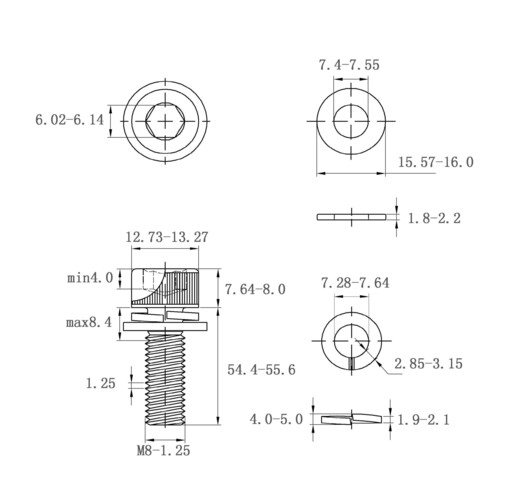
- 材质 304不锈钢
- 规格 M8*55
广东仓0
购买数量
个
(1000个/盒,最小起订量1个,递增量:1)
总价金额:
¥0.00近期成交0单
- 商品参数
- 商品详情
商品参数
| 属性 | 参数值 |
|---|---|
| 商品目录 | 内六角圆柱头平弹垫三组合 |
| 材质 | 304不锈钢 |
| 属性 | 参数值 |
|---|---|
| 规格 | M8*55 |
| 表面处理 | 洗白 |
商品详情
产品特点 FEATURES
该产品为FAST(法思特)品牌生产的内六角圆柱头机螺钉平弹垫组合件,型号GZS232752,采用304不锈钢材质,具有优异的耐腐蚀性和抗拉强度,适用于高要求工业环境。螺钉规格为M8×55,螺距1.25mm,符合标准公差等级,确保装配精度和互换性。头部设计为滚花处理,增强防滑性能,便于手动或工具操作。配套平垫圈与弹簧垫圈组合使用,有效防止松动,提升连接稳定性。表面经过洗白处理,外观洁净,无氧化层,适合对表面质量有要求的应用场景。整体结构紧凑,安装便捷,广泛用于机械装配、设备固定及自动化系统中。
产品介绍 INTRODUCTION
使用场景 APPLICATIONS
适用于各类需要高强度、耐腐蚀连接的工业设备,如机床、自动化生产线、泵阀系统、电力设备、船舶机械等。
在户外或潮湿环境中,因其304不锈钢材质,可长期抵御盐雾、酸碱侵蚀,适合海洋工程、化工装置等严苛工况。
可用于需频繁拆装的场合,滚花设计配合内六角扳手操作方便,且弹垫组合能有效防止振动导致的松脱。
特别适合用于精密仪器、电子设备外壳固定,以及对表面光洁度和防腐性能有较高要求的金属结构件连接。
注意事项 PRECAUTIONS
安装时请使用合适扭矩的内六角扳手,避免过度拧紧造成螺纹损伤或材料变形。
尽管304不锈钢耐腐蚀性强,但在强酸、强碱或氯离子浓度较高的环境中仍建议定期检查连接状态。
表面洗白处理不具涂层保护功能,若需更高防护等级,可考虑额外涂覆防锈油或密封胶。
请勿在高温超过800℃环境下长期使用,以免影响材料力学性能。
储存时应保持干燥通风,避免与碳钢混放,防止电化学腐蚀。
建议按照图纸尺寸核对安装孔位,确保螺纹完全旋入并达到预紧力要求。

法思特内六角圆柱头机螺钉平弹垫组合-滚花不锈钢 M8*55
价格:¥0.9468
购买数量
个
(1000个/盒,最小起订量1个,递增量:1)







