


法思特内六角圆柱头机螺钉平弹垫组合-滚花不锈钢 M12*20
- 工业品
价格:¥1.55价格含税(税率13%)
- 品牌名称
- FAST(法思特)
- 商品型号
- GZS226754
- 商品编号
- C49348565
- 商品毛重
41.303克(g)
- 材质 304不锈钢
- 规格 M12*20
广东仓0
购买数量
个
(1000个/盒,最小起订量1个,递增量:1)
总价金额:
¥0.00近期成交0单
- 商品参数
- 商品详情
商品参数
| 属性 | 参数值 |
|---|---|
| 商品目录 | 内六角圆柱头平弹垫三组合 |
| 材质 | 304不锈钢 |
| 属性 | 参数值 |
|---|---|
| 规格 | M12*20 |
| 表面处理 | 洗白 |
商品详情
产品特点 FEATURES
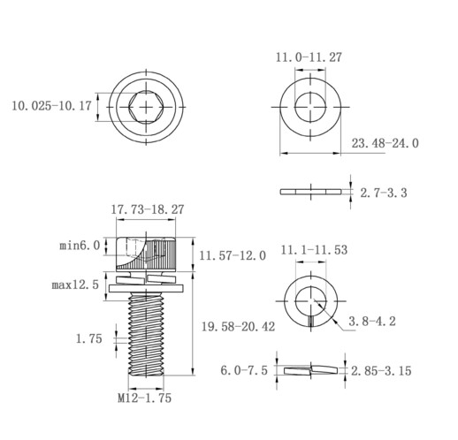
本产品为FAST(法思特)品牌生产的内六角圆柱头机螺钉平弹垫组合件,型号GZS226754,规格为M12×20,采用304不锈钢材质,具有优异的耐腐蚀性、抗氧化性和机械强度,适用于高要求工业环境。螺钉头部设计为滚花结构,提升手动安装时的防滑性能,便于工具操作。配套平垫圈与弹簧垫圈组合使用,有效防止螺纹连接松动,增强紧固可靠性。表面经过洗白处理,外观整洁,无明显氧化痕迹,满足洁净度要求较高的装配场景。螺纹精度符合标准,螺距为1.75mm,确保与标准螺母或螺孔良好配合。整体结构紧凑,尺寸公差严格控制,如头部直径范围在10.025-10.17mm之间,螺杆长度为20mm(含螺纹部分),适合精密设备装配需求。
该产品具备良好的抗拉强度和疲劳寿命,适用于频繁拆装或振动工况下的固定连接。其内六角设计可实现更小的扳手空间占用,适用于空间受限的机械结构。组合式设计简化了安装流程,无需单独采购垫圈,提高装配效率。
产品介绍 INTRODUCTION
使用场景 APPLICATIONS
适用于各类需要高强度、高耐腐蚀性的工业设备组装场景,例如:
1
机械制造行业中的传动部件、阀门、泵体等关键部位的紧固连接
2
食品加工设备、制药设备等对卫生条件要求较高的场所,304不锈钢材质可防止污染
3
海洋工程、化工装置中暴露于湿气、盐雾或腐蚀性气体环境下的结构件固定
4
自动化生产线上的传感器、电机、控制箱等电气元件的安装固定
5
建筑钢结构、桥梁护栏等户外金属结构的连接加固,具备良好的耐候性
特别适合用于需要长期稳定运行且不易松动的场合,如振动较大的输送设备、风力发电机组部件、轨道交通车辆零部件等。由于其滚花设计,也适用于需人工快速拧紧或维护频率较高的位置。
注意事项 PRECAUTIONS
1
安装前请确认螺孔或螺母的规格与M12×1.75螺纹相匹配,避免强行旋入导致螺纹损坏。
2
推荐使用合适的内六角扳手进行紧固,避免使用过大力矩造成螺钉头部变形或滑牙。
3
在高温或强腐蚀环境中使用时,建议根据实际工况评估是否需要额外防护措施,如密封胶或涂层保护。
4
虽然304不锈钢具有良好的耐腐蚀性,但在氯离子浓度较高的环境下(如沿海地区或盐雾区域)仍可能发生点蚀,应定期检查连接状态。
5
本产品为组合件,包含螺钉、平垫圈和弹簧垫圈,请勿随意更换其他类型垫圈以保证预紧力和防松效果。
6
存储时应保持干燥通风,避免与酸碱类物质接触,防止表面氧化影响外观及性能。
7
若用于承受动态载荷或冲击载荷的连接,建议结合锁紧螺母或螺纹胶进一步增强防松能力。

法思特内六角圆柱头机螺钉平弹垫组合-滚花不锈钢 M12*20
价格:¥1.55
购买数量
个
(1000个/盒,最小起订量1个,递增量:1)







