


法思特十字小盘头机螺钉平弹垫组合小平垫不锈钢 M3*30
- 工业品
价格:¥0.1107价格含税(税率13%)
- 品牌名称
- FAST(法思特)
- 商品型号
- GZS233125
- 商品编号
- C49349541
- 商品毛重
1.618克(g)
广东仓0
购买数量
个
(1000个/盒,最小起订量1个,递增量:1)
总价金额:
¥0.00近期成交0单
- 商品参数
- 商品详情
商品参数
参数完善中
商品详情
产品特点 FEATURES
1
材质优异:采用不锈钢材质,具备良好的耐腐蚀性能,可适应潮湿、户外等多类环境,有效延长使用周期,降低维护成本。
2
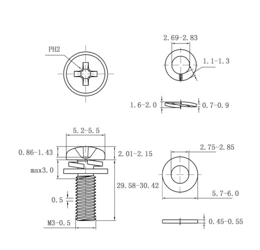
结构精准:十字小盘头机螺钉搭配平弹垫组合与小平垫,规格为M3*30(螺纹牙距0.5mm),尺寸参数精准(如图纸标注:头部直径5.2 - 5.5mm、头部高度0.86 - 1.43mm,弹垫厚度0.7 - 0.9mm/直径2.69 - 2.83mm,平垫厚度0.45 - 0.55mm/直径5.7 - 6.0mm等),满足特定安装空间与紧固需求。
3
设计实用:十字槽型适配PH2规格螺丝刀/电动工具,安装高效;平弹垫组合增强防松效果,减少振动/外力导致的松动风险;小盘头结构适配狭小安装空间,兼顾美观与实用性。
4
性能可靠:不锈钢材质防锈防氧化,组合件一体化设计简化安装工序,紧固性能稳定,保障被连接件的连接强度与稳定性。
产品介绍 INTRODUCTION
使用场景 APPLICATIONS
1
工业制造:电子设备(通讯设备、电脑机箱)、机械设备(小型机床、传动装置)、医疗器械(诊断仪器、康复设备)等的组装,不锈钢材质适配高清洁度、耐腐蚀需求场景。
2
户外环境:户外家具、照明设备、安防监控设备安装,不锈钢+平弹垫组合抵御雨水、湿气侵蚀,确保长期稳固。
3
精密装配:光学仪器、传感器、珠宝加工设备等狭小空间安装,小盘头设计避免结构干涉,保障设备外观与内部完整性。
4
批量生产:家具厂、家电生产线等装配线作业,十字槽+组合件设计适配自动化/手动快速安装,提升生产效率。
注意事项 PRECAUTIONS
1
安装规范:使用PH2规格十字螺丝刀(或对应工具),确保工具与十字槽完全贴合,避免滑丝;控制安装扭矩,防止过紧损坏被连接件/螺钉,或导致弹垫/平垫失效。
2
存储要求:干燥通风环境存储,避免潮湿/腐蚀性气体接触;按规格、批次分类存放,防止混放影响装配精度。
3
质量检测:使用前检查螺钉、弹垫、平垫是否变形、裂纹、螺纹损伤,确保组合件完整,否则影响紧固可靠性。
4
场景适配:根据被连接件材质(塑料、金属、木材)与厚度,评估螺钉长度、紧固力是否适配,避免滑牙或压溃被连接件。

法思特十字小盘头机螺钉平弹垫组合小平垫不锈钢 M3*30
价格:¥0.1107
购买数量
个
(1000个/盒,最小起订量1个,递增量:1)







