


法思特十字小盘头机螺钉平弹垫组合小平垫不锈钢 M3*8
- 工业品
价格:¥0.046价格含税(税率13%)
- 品牌名称
- FAST(法思特)
- 商品型号
- 210502
- 商品编号
- C49349544
- 商品毛重
0.725克(g)
广东仓0
购买数量
个
(1000个/盒,最小起订量1个,递增量:1)
总价金额:
¥0.00近期成交0单
- 商品参数
- 商品详情
商品参数
参数完善中
商品详情
产品特点 FEATURES
1
材质优势:采用不锈钢材质,具备出色的防锈、耐腐蚀性能,能适应潮湿、带腐蚀性等复杂环境,有效延长产品使用寿命,降低维护成本。
2
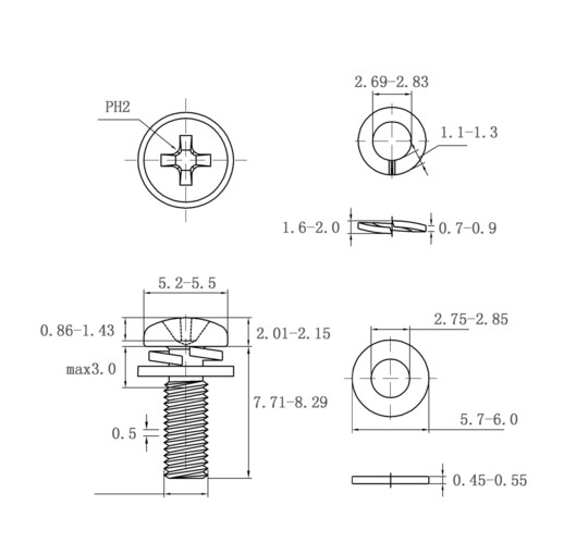
结构设计:采用十字小盘头机螺钉+平弹垫+小平垫的组合形式,集成度高,一次安装即可完成多部件装配,大幅提升安装效率,同时减少零件丢失风险;十字槽规格为PH2,适配常规十字螺丝刀,操作便捷,便于快速拧紧或拆卸。
3
规格精准:螺钉规格为M3*8,尺寸精度严格把控,从技术参数可知:螺钉头部相关尺寸(如头部直径、高度等)、弹垫(厚度、开口尺寸等)和平垫(直径、厚度等)的尺寸均符合精密标准,确保与对应安装孔位及连接部件精准适配,保障连接的稳定性与可靠性。
4
性能可靠:弹垫具备防松功能,可有效抑制螺钉在振动、冲击工况下松动,保障连接长期稳固;平垫能增大受力面积,分散压力,保护被连接件表面免受划伤,同时辅助弹垫发挥防松作用,提升整体连接的可靠性。
产品介绍 INTRODUCTION
使用场景 APPLICATIONS
1
潮湿/腐蚀性场景:如户外配电箱、通讯基站、卫浴设备、海洋设备周边安装等,不锈钢材质可抵御潮湿、盐分、化学腐蚀等因素,保障连接长期稳固,减少维护频次。
2
电子与医疗领域:电子仪器、医疗器械、食品加工设备等对防锈、洁净度要求高的场景,不锈钢材质避免锈蚀污染,十字小盘头设计不占用过多空间,适配精密设备内部连接需求。
3
机械与家具装配:机械设备的零部件连接(如小型电机、泵体)、家具(如不锈钢家具、实木家具)的组装等,弹垫防松设计可应对设备运行或家具使用中的振动,平垫保护家具/设备表面,组合设计提升装配效率,简化安装流程。
4
轻量化设备制造:如玩具、小型家电、办公设备等,小盘头设计美观且不突出,不锈钢材质保证强度的同时减轻整体重量,适配轻量化设计需求。
注意事项 PRECAUTIONS
1
工具适配:安装时需使用规格匹配的PH2十字螺丝刀,避免因工具不符导致十字槽滑丝、螺钉头部损坏,影响连接可靠性。
2
安装扭矩:施加的安装扭矩需适中,扭矩过大可能造成螺纹滑牙、垫片变形甚至损坏被连接件;扭矩过小则无法保障连接强度与防松效果,需根据实际负载与被连接件材质合理调整(建议参考产品力学性能参数或咨询厂家)。
3
储存管理:虽为不锈钢材质,长期储存仍需放置于干燥、通风的环境中,避免因环境湿度异常影响表面状态;不同规格的组合螺钉需分类存放,防止混淆,确保安装时快速匹配对应规格。
4
场景验证:根据实际使用场景的负载类型(静载、动载)、环境腐蚀程度等因素,确认产品的承载能力、耐腐蚀性是否满足需求,必要时进行模拟工况测试或咨询专业技术人员。

法思特十字小盘头机螺钉平弹垫组合小平垫不锈钢 M3*8
价格:¥0.046
购买数量
个
(1000个/盒,最小起订量1个,递增量:1)







