


SUNDOO(山度)动态扭矩测试仪ST-10R
- 工业品
价格:¥13334价格含税(税率13%)
- 品牌名称
- SUNDOO(山度)
- 商品型号
- ST-10R
- 商品编号
- C50340528
- 商品毛重
1克(g)
型号
广东仓0
购买数量
台
(1台/箱,最小起订量1台,递增量:1)
总价金额:
¥0.00近期成交0单
- 商品参数
- 商品详情
商品参数
参数完善中
商品详情
产品特点 FEATURES
1
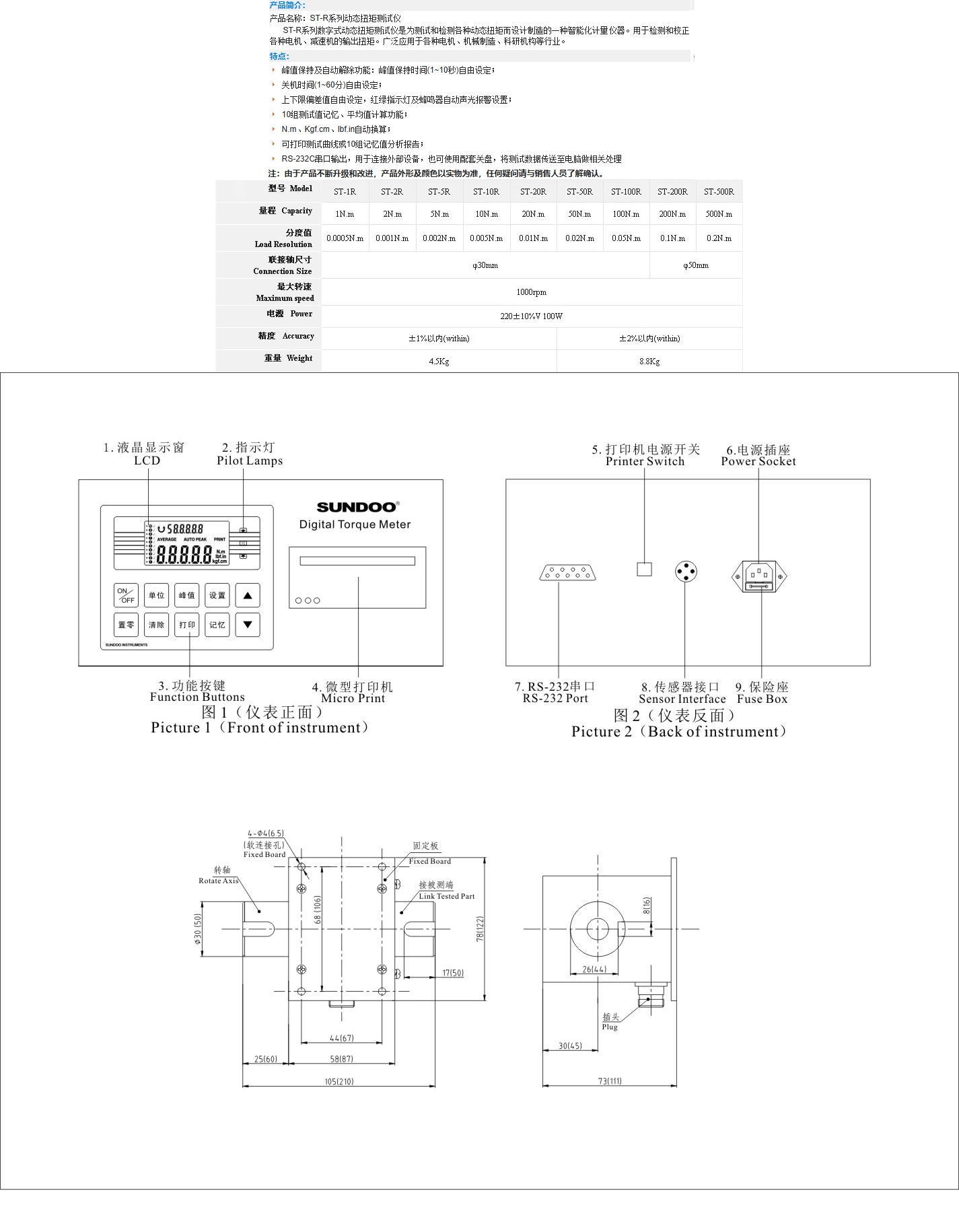
产品类型:属于ST - R系列动态扭矩测试仪,为智能化计量仪器,专门用于检测和校正各种电机、减速机的输出扭矩。
2
功能特性:
3
峰值保持及自动解除:峰值保持时间可在1 - 10秒范围内自由设定;
4
关机时间设置:关机时间可在1 - 60分钟范围内自由设定;
5
报警设置:上下限偏差值可自由设定,配备红绿灯指示灯及蜂鸣器,可自动进行声光报警;
6
数据处理:具备10组测试值记忆功能,支持平均值计算;可实现Nm、Kgf.cm、lbf.in单位自动换算;可打印测试曲线或10组记忆值的分析报告;
7
数据传输:配备RS - 232C串口输出,可连接外部设备,也可配合配套光盘将测试数据传送至电脑做相关处理。
8
技术参数(ST - 10R):
9
量程:10N.m;
10
分度值:0.005N.m;
11
联轴器尺寸:φ30mm;
12
最大转速:1000rpm;
13
电源:220±10%V、100W;
14
精度:±1%以内;
15
重量:4.5Kg。
产品介绍 INTRODUCTION
使用场景 APPLICATIONS
1
电机制造行业:电机生产企业在生产过程中,对新生产的电机进行输出扭矩检测,或对维修后的电机进行扭矩校准,确保电机性能符合设计要求。
2
机械制造领域:机械制造企业检测减速机、传动装置等设备的输出扭矩,保障机械传动系统的稳定性与可靠性,例如在减速机装配完成后,检测其扭矩输出是否达标。
3
科研机构:科研人员开展扭矩相关的实验研究,如研究不同工况下扭矩的变化规律,为新产品研发、技术改进提供数据支持。
4
质量检测机构:质量检测机构对电机、减速机等产品进行质量检测,判定其是否符合行业标准或企业标准。
注意事项 PRECAUTIONS
1
产品因不断升级改进,外形及颜色以实物为准,若对产品外观、颜色有疑问,可与销售人员沟通确认。
2
电源使用:使用时需确保电源电压符合要求(220±10%V),避免因电压不符损坏设备。
3
设备连接:连接外部设备(如电脑、打印机)或传感器时,需正确使用RS - 232串口、传感器接口等,严格按照设备接口规范操作,防止接口损坏。
4
操作规范:操作过程中,需遵循设备功能按键的使用说明,设置峰值保持时间、关机时间、上下限偏差值等参数时,确保输入数值在规定范围内(峰值保持时间1 - 10秒、关机时间1 - 60分钟)。
5
部件匹配:联轴器连接被测部件时,需确保尺寸匹配(ST - 10R联轴器尺寸为φ30mm),且被测部件的最大转速不超过设备的最大转速(1000rpm),避免因超速导致设备故障或测量误差。

SUNDOO(山度)动态扭矩测试仪ST-10R
价格:¥13334
型号
购买数量
台
(1台/箱,最小起订量1台,递增量:1)




