


SUNDOO(山度)动态扭矩测试仪ST-20R
- 工业品
价格:¥13334价格含税(税率13%)
- 品牌名称
- SUNDOO(山度)
- 商品型号
- ST-20R
- 商品编号
- C50340529
- 商品毛重
1克(g)
型号
广东仓0
购买数量
台
(1台/箱,最小起订量1台,递增量:1)
总价金额:
¥0.00近期成交0单
- 商品参数
- 商品详情
商品参数
参数完善中
商品详情
产品特点 FEATURES
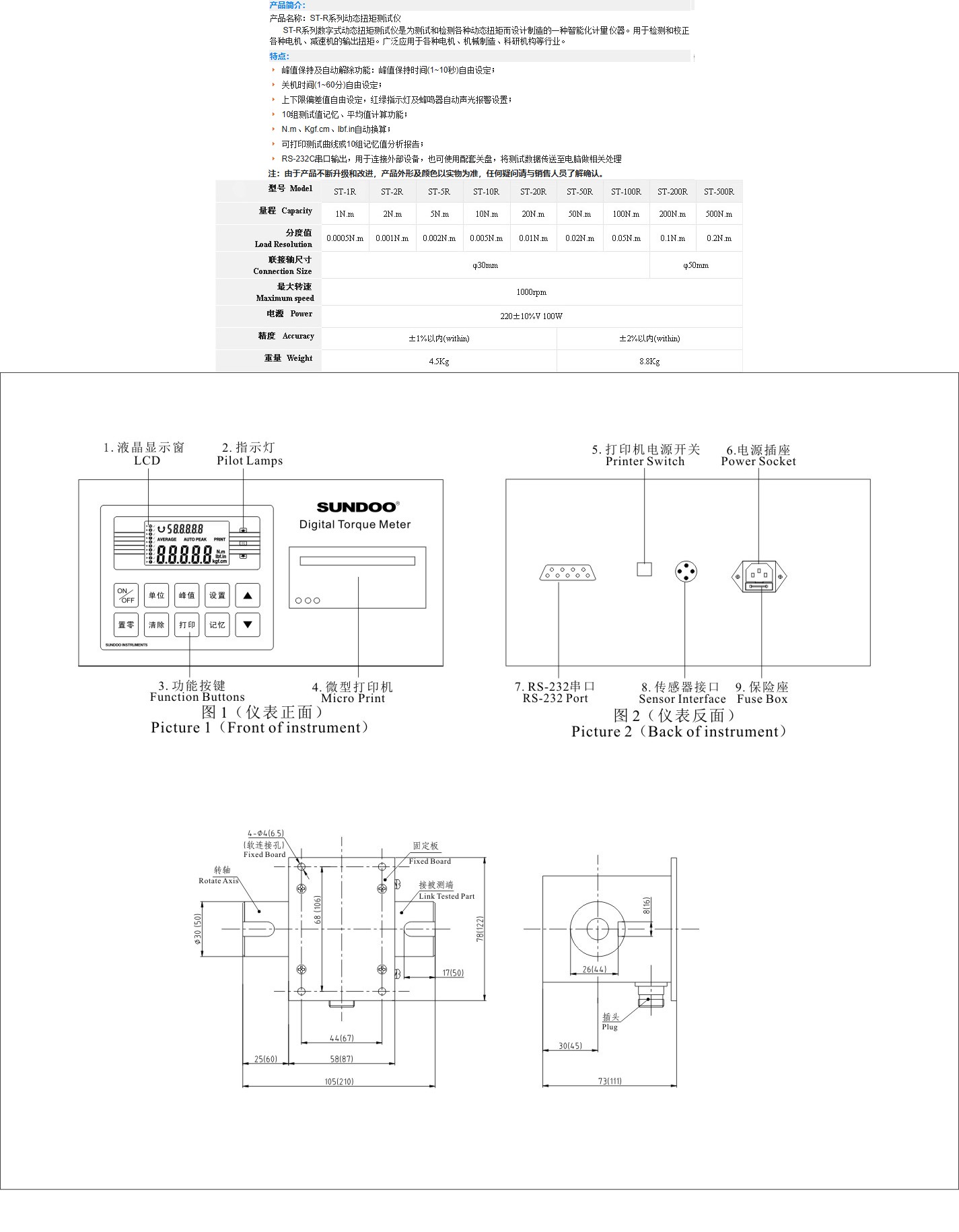
1
产品类型:属于ST-R系列动态扭矩测试仪,是为测试和检测各种动态扭矩而设计制造的智能化计量仪器,可用于检测和校正各种电机、减速机的输出扭矩,广泛应用于电机、机械制造、科研机构等行业。
2
功能特性:
3
具备峰值保持及自动解除功能,峰值保持时间(1~10秒)可自由设定;
4
关机时间(1~60分)可自由设定;
5
上下限偏差值可自由设定,配备红绿指示灯及蜂鸣器自动声光报警装置;
6
支持10组测试值记忆、平均值计算功能;
7
可实现Nm、Kgf.cm、lbf.in单位自动换算;
8
可打印测试曲线或10组记忆值分析报告;
9
配备RS-232C串口输出,可连接外部设备,也可使用配套表盘将测试数据传送至电脑做相关处理。
10
技术参数(ST-20R型号):
11
量程:20N·m;
12
分度值:0.01N·m;
13
联轴器尺寸:φ30mm;
14
最大转速:1000rpm;
15
电源:220±10%V、100W;
16
精度:±1%以内;
17
重量:4.5Kg。
产品介绍 INTRODUCTION
使用场景 APPLICATIONS
1
电机行业:对各类电机的输出扭矩进行检测和校正,确保电机性能符合设计要求,保障电机在生产、质检环节的质量把控;
2
减速机制造:检测减速机的输出扭矩,保障传动系统的扭矩传递精度,提升减速机的传动效率和稳定性;
3
机械制造:在机械设备的研发、生产、质检环节,测试传动部件、旋转机构等关键部件的动态扭矩,确保机械设备的扭矩性能达标;
4
科研机构:科研实验中对扭矩相关研究对象进行精确测量,为科研数据提供准确的扭矩参数依据,助力科研项目的开展。
注意事项 PRECAUTIONS
1
由于产品不断升级和改进,产品外形及颜色以实物为准,任何疑问请与销售人员了解确认;
2
连接外部设备或使用配套表盘传输数据时,需确保RS-232C串口连接稳固,避免数据传输中断或出现数据错误;
3
操作前需确认电源电压符合220±10%V的要求,避免因电压不符损坏仪器;
4
仪器使用环境应保持干燥、清洁,避免灰尘、水汽等进入仪器内部,影响仪器精度和使用寿命;
5
进行扭矩测试时,需确保被测部件与仪器联轴器连接牢固,防止测试过程中部件松动,引发安全隐患或测试误差;
6
如需打印测试报告,需确认打印机电源开关开启、打印纸安装正确,避免出现打印故障。

SUNDOO(山度)动态扭矩测试仪ST-20R
价格:¥13334
型号
购买数量
台
(1台/箱,最小起订量1台,递增量:1)




