


法思特十字沉头自攻钉(粤标)不锈钢 ST4.2*12
- 工业品
价格:¥0.0395价格含税(税率13%)
- 品牌名称
- FAST(法思特)
- 商品型号
- 155716
- 商品编号
- C49351555
- 商品毛重
0.954克(g)
- 材质 304不锈钢
- 规格 ST4.2*12
广东仓0
购买数量
个
(1000个/盒,最小起订量1个,递增量:1)
总价金额:
¥0.00近期成交0单
- 商品参数
- 商品详情
商品参数
| 属性 | 参数值 |
|---|---|
| 商品目录 | 十字槽沉头自攻螺钉 |
| 材质 | 304不锈钢 |
| 属性 | 参数值 |
|---|---|
| 规格 | ST4.2*12 |
| 表面处理 | 洗白 |
商品详情
产品特点 FEATURES
1
材质性能:采用304不锈钢材质,具备出色的耐腐蚀性、机械强度与韧性,可适应潮湿、轻度腐蚀等多种环境,长期使用不易生锈、变形,保障连接可靠性。
2
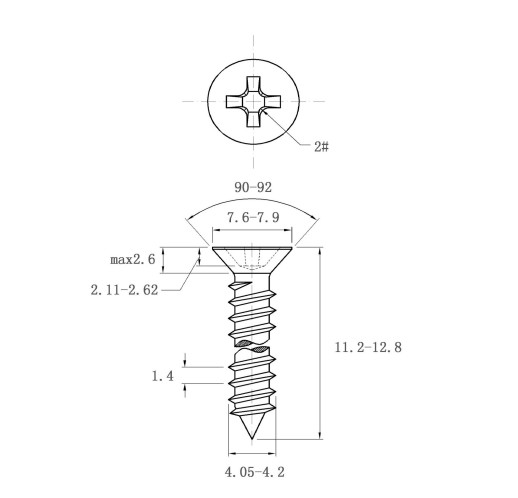
规格参数:型号为ST4.2*12,结合技术图纸,头部直径范围7.6 - 7.9mm,头部高度最大2.6mm,螺纹段长度11.2 - 12.8mm,杆部直径4.05 - 4.2mm,螺纹牙距1.4mm,螺纹段直径2.11 - 2.62mm,适配2#十字螺丝刀,尺寸精度高,安装适配性强。
3
结构设计:采用十字沉头结构,安装后头部可沉入基材表面,形成平整外观,避免突出影响美观或造成剐蹭;自攻螺纹设计,可在木材、塑料等基材上自攻旋入,无需额外预钻孔(或减少预钻孔工序),提升装配效率。
4
表面处理:表面经洗白工艺处理,外观整洁光亮,同时增强防锈性能,减少环境因素对螺丝的腐蚀,延长使用寿命。
产品介绍 INTRODUCTION
使用场景 APPLICATIONS
1
家具制造:木质橱柜、衣柜、桌椅等家具的组装,沉头设计保证表面平整无凸起,避免磕碰损坏;自攻特性适配木材连接,无需额外钻孔,降低加工成本。
2
室内装修:石膏板吊顶、墙面饰面板(如生态木、集成墙板)固定,以及踢脚线、护墙板安装,沉头外观美观,自攻钉可直接旋入木质龙骨或板材,施工便捷。
3
家电装配:小家电(如电水壶、空气净化器)、电子仪器(如路由器、机顶盒)的外壳组装,304不锈钢耐腐蚀,适合设备内部潮湿环境,沉头设计不影响设备外观平整度。
4
轻工业与仓储:小型机械设备(如打印机、包装机)的外壳、配件固定,以及仓储货架(木质/塑料层板)搭建,自攻钉的便捷安装与沉头美观性满足批量装配需求。
注意事项 PRECAUTIONS
1
工具匹配:需使用2#十字螺丝刀,避免使用尺寸偏大/偏小的工具,防止螺丝头滑牙、十字槽损坏,影响二次拆卸或安装强度。
2
安装扭矩:根据基材材质(木材/塑料/金属薄板)调整拧紧扭矩,过度拧紧易导致基材开裂(木材)、螺丝杆变形(塑料),扭矩不足则连接不牢固。
3
基材适配:硬质基材(如厚金属板)需提前预钻引导孔(孔径建议3.8 - 4.0mm,小于杆径4.05 - 4.2mm),保证自攻螺纹有效咬合;软质基材(如松木、泡沫塑料)避免过度拧紧,防止基材损坏。
4
储存防护:储存于干燥、通风的仓库,避免与酸碱、盐雾等腐蚀性物质接触;搬运时使用密封容器或包装袋,防止螺丝相互摩擦导致表面划伤、螺纹变形。
5
安全操作:安装时佩戴防护手套,避免被螺丝尖端划伤;高空作业(如吊顶安装)需系安全带、搭建防护平台,确保施工安全。

法思特十字沉头自攻钉(粤标)不锈钢 ST4.2*12
价格:¥0.0395
购买数量
个
(1000个/盒,最小起订量1个,递增量:1)







