


法思特十字沉头自攻钉(粤标)不锈钢 ST4.2*16
- 工业品
价格:¥0.0771价格含税(税率13%)
- 品牌名称
- FAST(法思特)
- 商品型号
- 201163
- 商品编号
- C49351559
- 商品毛重
1.152克(g)
- 材质 316不锈钢
- 规格 ST4.2*16
广东仓0
购买数量
个
(1000个/盒,最小起订量1个,递增量:1)
总价金额:
¥0.00近期成交0单
- 商品参数
- 商品详情
商品参数
| 属性 | 参数值 |
|---|---|
| 商品目录 | 十字槽沉头自攻螺钉 |
| 材质 | 316不锈钢 |
| 属性 | 参数值 |
|---|---|
| 规格 | ST4.2*16 |
| 表面处理 | 洗白 |
商品详情
产品特点 FEATURES
1
材质优异:采用316不锈钢材质,具备出色的耐腐蚀性能,能适应潮湿、盐雾等复杂环境,强度高且抗老化,使用寿命长。
2
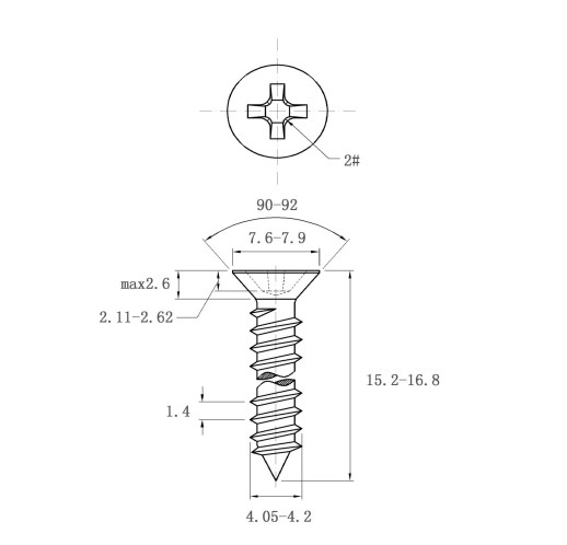
结构设计:十字沉头结构,安装后可使安装面保持平整,避免凸起影响美观或造成剐蹭;十字槽口适配2#十字螺丝刀,操作便捷,不易滑牙。
3
规格精准:规格为ST4.2*16,螺纹规格ST4.2适配多数中等载荷连接场景,长度16mm满足常规安装深度需求;技术图纸标注详细尺寸,头部直径7.6 - 7.9mm,总长度15.2 - 16.8mm,螺纹部分设计合理,自攻切削螺纹能力强,安装时无需预先攻丝,可直接在木质、塑料、薄金属等适配材料上切削出螺纹,提升安装效率。
4
表面处理:采用洗白工艺,防锈性能佳,外观整洁,兼具实用性与美观性。
5
标准合规:符合粤标生产要求,标准化程度高,质量稳定可靠,确保批量使用时的一致性。
产品介绍 INTRODUCTION
使用场景 APPLICATIONS
1
家具制造:适用于橱柜、衣柜、桌椅等木质家具的组装,可牢固连接板材,沉头设计保证家具表面平整,提升美观度。
2
装饰装修:在石膏板吊顶、木质护墙板、装饰线条固定等装修场景中,可快速固定材料,无需预先攻丝,简化施工流程。
3
电子设备组装:用于电子机箱、外壳、电路板固定,十字槽与沉头设计适配精密操作,避免干涉内部元件,316不锈钢的耐腐蚀性也能保护设备内部不受潮腐蚀。
4
机械设备制造:小型机械设备(如仪器仪表、小型机床附件)的零部件连接,ST4.2*16规格可满足中等载荷需求,316不锈钢的强度确保连接稳固。
5
门窗安装:木质或铝合金门窗的框架组装、五金件固定,自攻特性可快速固定,沉头设计不影响门窗外观与使用。
6
家电制造:冰箱、洗衣机、空调等家电的内部结构(如外壳、支架)固定,316不锈钢的防锈性能可应对家电内部潮湿环境。
注意事项 PRECAUTIONS
1
工具适配:使用2#十字螺丝刀进行安装,确保螺丝刀头部与槽口匹配,避免因工具不符导致滑牙、头部损坏。
2
材料适配:适用于木质、塑料、薄金属(如冷轧板)等材料,对于硬度较高的金属材料,建议预先钻取小口径引导孔(孔径略小于螺钉公称直径),避免安装时螺钉或材料损坏。
3
安装力度:安装时扭矩适中,过度拧紧可能导致材料开裂(如木材)或螺钉变形、头部崩裂,过松则影响连接强度,可根据材料硬度调整拧紧力度。
4
储存环境:储存时避免长期处于潮湿、盐雾等极端环境(尽管316不锈钢耐腐蚀,但长期不良环境仍可能影响表面状态),建议存放于干燥、通风的环境中,按规格分类存放,避免与尖锐物品混放导致表面划伤。
5
质量检查:使用前检查螺钉的螺纹完整性、头部是否有变形或裂纹,确保安装后连接可靠,避免因螺钉缺陷导致安装失败或后期松动。

法思特十字沉头自攻钉(粤标)不锈钢 ST4.2*16
价格:¥0.0771
购买数量
个
(1000个/盒,最小起订量1个,递增量:1)







