


- 商品参数
- 商品详情
商品参数
| 属性 | 参数值 |
|---|---|
| 商品目录 | 六角凹穴法兰带齿螺钉 |
| 表面处理 | 洗白 |
| 属性 | 参数值 |
|---|---|
| 材质 | 304不锈钢 |
| 规格 | M5*16 |
商品详情
产品特点 FEATURES
1
材质特性:采用304不锈钢材质,具备优异的耐腐蚀性、抗氧化性,可适应潮湿、酸碱等复杂环境,且符合卫生级要求,适配医疗、食品机械等对材质卫生性、耐腐蚀性有要求的场景。
2
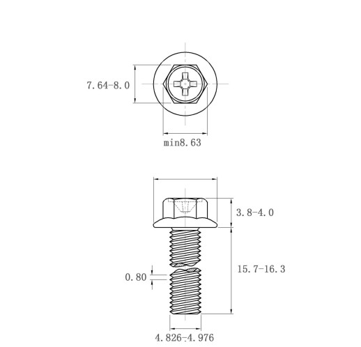
规格参数:螺纹规格为M5×16,螺纹直径范围4.826 - 4.976mm,总长度15.7 - 16.3mm;头部直径最小为8.63mm,头部高度7.64 - 8.0mm,法兰部分高度3.8 - 4.0mm,尺寸精度高,适配性强。
3
结构设计:采用十字外六角头凹穴法兰结构,十字槽设计便于使用十字螺丝刀快速装配,外六角头可配合扳手操作,安装工具选择灵活;法兰设计增大与被连接件的接触面积,提升摩擦力,有效防松;凹穴头部优化结构,减轻重量同时保障强度,兼顾手动与工具安装的便利性。
4
表面处理:表面经洗白工艺处理,兼具美观性与防锈性,提升产品耐候性,延长使用寿命。
产品介绍 INTRODUCTION
使用场景 APPLICATIONS
1
工业制造:适用于机床、泵阀等工业设备的零部件连接,304不锈钢的耐腐蚀性可保障设备在复杂环境下长期稳定运行;也可用于服务器机箱、通讯机柜等电子设备组装,十字槽设计适配自动化或手动装配流程。
2
民用工程:可用于不锈钢家具、户外防腐木家具的金属连接件,304不锈钢的防锈特性适应室内外环境;还适用于橱柜、消毒柜、食品加工台等厨房设备安装,满足食品接触的卫生安全要求。
3
特殊行业:在医疗器械领域,可用于诊疗设备外壳、内部组件固定,304不锈钢无毒无害、易清洁,符合医疗卫生规范;在食品机械领域,适配烘焙设备、饮料生产线等组装,耐腐蚀、卫生的特性满足食品生产流程要求;在户外设施领域,可用于景观灯具、健身器材、护栏等固定,防锈能力确保户外潮湿环境下的长期使用。
注意事项 PRECAUTIONS
1
工具适配:使用匹配规格的十字螺丝刀或外六角扳手安装,避免工具规格不符导致头部损坏(如十字槽滑丝、外六角头变形)。
2
安装力度:避免过度拧紧,防止螺纹滑牙、法兰变形或被连接部件损伤;建议使用扭矩扳手控制安装力度,确保连接稳固且不破坏零件。
3
储存环境:存放于干燥、通风环境,避免与酸碱、盐雾等腐蚀性物质接触,防止不锈钢表面锈蚀(尽管304不锈钢耐腐蚀,恶劣储存条件仍可能影响性能)。
4
质量核查:安装前检查螺钉外观,确保螺纹无损伤、头部无变形、表面无锈蚀;安装后定期巡检连接状态,尤其在振动、冲击环境下,防止松动引发故障。

法思特十字外六角头凹穴法兰机螺钉不锈钢 M5*16
价格:¥0.1952
购买数量
个
(1000个/盒,最小起订量1个,递增量:1)
总价金额:
¥0.00精选推荐
其他推荐







