


- 商品参数
- 商品详情
商品参数
| 属性 | 参数值 |
|---|---|
| 商品目录 | 内六角倒边机螺钉 |
| 表面处理 | 洗白 |
| 属性 | 参数值 |
|---|---|
| 材质 | 304不锈钢 |
| 规格 | M3*10 |
商品详情
产品特点 FEATURES
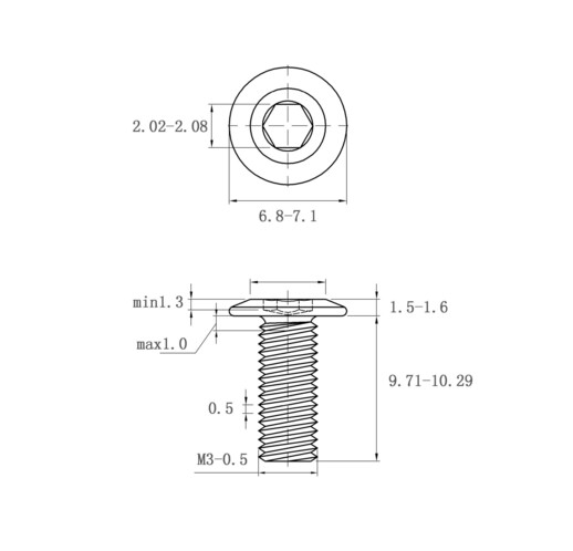
品牌为FAST(法思特),型号GZS241381,生产工艺严谨,尺寸精度高,各部位尺寸均有严格公差范围(头部直径6.8-7.1mm、头部厚度1.5-1.6mm、内六角孔尺寸2.02-2.08mm、总长度9.71-10.29mm、螺纹规格M3-0.5等),确保产品一致性与适配性。
1
材质可靠:采用304不锈钢材质,具备优异的耐腐蚀、抗氧化性能,可在潮湿、轻度腐蚀等环境下稳定使用,延长产品使用寿命。
2
结构优化:内六角倒边设计,内六角孔便于使用专用扳手精准施力,倒边工艺减少头部边缘锐利度,降低装配时划伤工件表面或操作人员的风险,提升使用安全性与装配后外观整洁度。
3
表面处理:采用洗白表面处理,外观整洁光亮,兼具防锈功能,可保持长期美观与使用性能。
4
规格精准:螺纹规格为M3-0.5,螺钉总长度范围9.71-10.29mm,头部直径6.8-7.1mm,头部厚度1.5-1.6mm,内六角孔尺寸2.02-2.08mm,倒边相关尺寸(min1.3mm、max1.0mm)确保结构适配性,满足精准安装需求。
产品介绍 INTRODUCTION
使用场景 APPLICATIONS
适用于多领域的精密连接需求:
1
电子设备组装:电脑机箱、服务器、电路板等电子设备的零部件固定,内六角设计便于狭小空间内精准操作,倒边结构避免划伤设备外壳或精密元件。
2
机械设备制造:小型机械设备(如微型电机、传动装置、泵类)的部件连接,304不锈钢材质适应设备运行中的复杂环境,倒边设计提升装配后设备外观精致度。
3
家具五金安装:办公家具(抽屉、文件柜)、家居橱柜等的五金件固定,倒边设计减少日常使用中被划伤的可能,304不锈钢确保长期使用不生锈、不腐蚀。
4
仪器仪表生产:精密仪器、仪表的外壳与内部组件固定,M3*10的规格适配小型精密结构,内六角倒边设计兼顾安装便捷性与产品外观精致度。
注意事项 PRECAUTIONS
安装与使用需注意:
1
工具匹配:安装时需使用内六角孔尺寸(2.02-2.08mm)对应的内六角扳手,避免工具尺寸不符导致内六角孔滑丝、头部变形等损坏情况。
2
扭矩控制:安装过程中需合理控制扭矩,过紧易导致工件变形或螺钉螺纹损坏,过松则无法保证连接牢固性,建议根据工件材质与厚度调整安装力度。
3
储存管理:应存放于干燥、通风的环境中,避免与强酸、强碱等腐蚀性物质接触,虽304不锈钢耐腐蚀,但长期潮湿环境可能影响表面光洁度。
4
安装前检查:使用前需检查螺钉的螺纹、头部及倒边部位,确保螺纹无变形、头部平整、倒边光滑,避免因螺钉损坏影响安装效果与使用寿命。

法思特内六角倒边机螺钉不锈钢 M3*10
价格:¥0.0399
螺纹(M)
长度(L)
购买数量
个
(1000个/盒,最小起订量1个,递增量:1)







