领券中心9.9元专区爆款推荐清仓特卖新品推荐备货找料场景采购PLUS会员关于立创工业品
SL-305N-W实物图
SL-305N-W商品缩略图

AKUSENSE(明治传感)槽型光电传感器SL-305N-W

  • 工业品

价格:20.62价格含税(税率13%

商品型号
SL-305N-W
商品编号
C49006503
商品毛重

1克(g)

  • 广东仓0

购买数量

(1/最小起订量1个,递增量:1)

总价金额:

0.00

近期成交0

  • 商品参数
  • 商品详情

商品参数

暂无内容图标

参数完善中

商品详情

产品特点 FEATURES

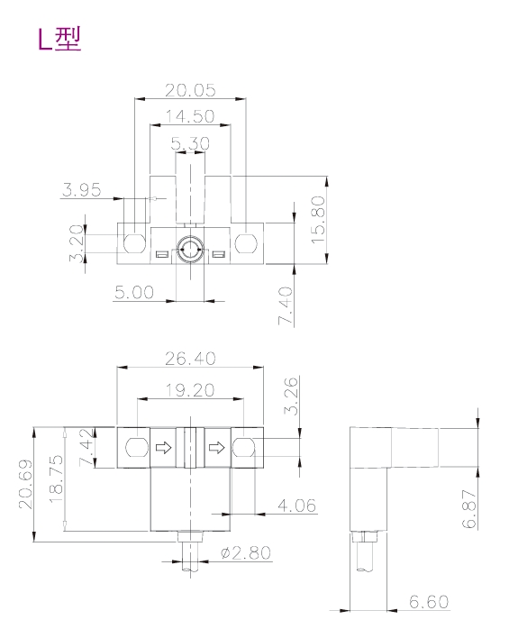
AKUSENSE(明治传感)槽型光电传感器SL-305N-W属于L型结构,专为高精度检测设计,适用于工业自动化控制领域。该传感器采用红外LED(940nm)作为光源,具有响应时间≤0.3毫秒的快速反应能力,确保在高速运动或频繁切换场景下仍能稳定工作。其检测距离为5mm(槽宽),可精确识别尺寸为1.2*1.8mm的不透明物体,重复精度达0.03mm以下,满足精密定位与计数需求。
输出模式支持NPN或PNP集电极开路,用户可根据实际电路配置灵活选择,并可通过外部设置实现L_on(入光动作)与D_on(遮光动作)两种开关模式的切换,适应不同逻辑控制要求。红色LED指示灯实时显示工作状态,便于现场调试与故障排查。
本产品工作电压范围为5~24V DC,残余电压低于1.5V(负载电流100mA时),功耗小于20mA,具备浪涌保护和反极性保护功能,提升系统可靠性。防护等级达到IP50,有效防止灰尘侵入,适合多尘环境使用。外壳材质为PC塑料,具备良好的耐冲击性和绝缘性能。标准出线方式为2米4芯电缆,方便安装与布线。
此外,该传感器通过CE与RoHS认证,符合国际安全与环保标准,广泛应用于各类自动化设备中。

产品介绍 INTRODUCTION

使用场景 APPLICATIONS

SL-305N-W槽型光电传感器适用于需要高精度、高稳定性检测的工业自动化场合,尤其适合对小型物体进行位置判断、计数、存在检测等应用。
典型应用场景包括:
1 电子制造行业中的贴片机、插件机上用于元器件到位检测;
2 包装机械中用于纸盒、标签、薄膜等材料的断带或缺料检测;
3 传送带系统中对小尺寸工件(如螺丝、芯片、连接器)的通过检测;
4 自动装配线上用于零件到位确认与流程控制;
5 食品饮料生产线中对瓶盖、封口膜等微小部件的检测;
6 印刷设备中用于纸张或标签的定位与错位报警。
由于其小巧的外形尺寸和稳定的电气性能,特别适合空间受限但要求精准检测的自动化设备集成。

注意事项 PRECAUTIONS

1 安装时请确保传感器槽口清洁无异物,避免因污垢影响检测灵敏度。
2 检测物体应为不透明材质,且尺寸需大于等于1.2×1.8mm,否则可能无法可靠触发。
3 工作环境温度应在-25℃至+55℃之间,长期处于极端温度可能导致性能下降。
4 环境湿度建议控制在5%~85%RH范围内,避免结露导致短路或误动作。
5 不得在强光直射或高亮度白炽灯环境下使用,以免干扰红外信号接收。
6 接线时注意区分电源正负极,虽有反极性保护,但长期反接仍可能损坏内部电路。
7 若需更换或维修,请先切断电源,防止触电风险。
8 本产品耐压为AC1000V(1分钟),请勿在超过此电压条件下操作。
9 避免在剧烈振动环境中使用,若必须安装于振动区域,建议采取减震措施。
10 请定期检查电缆连接是否牢固,防止因松动造成信号中断。
SL-305N-W实物图

AKUSENSE(明治传感)槽型光电传感器SL-305N-W

价格:20.62

购买数量

(1/最小起订量1个,递增量:1)

总价金额:

0.00

精选推荐