

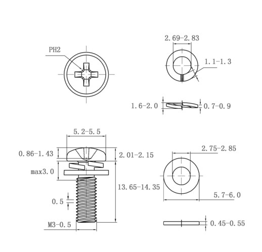
FAST(法思特)十字小盘头机螺钉平弹垫组合小平垫M3*14 304
- 工业品
价格:¥0.0587价格含税(税率13%)
- 品牌名称
- FAST(法思特)
- 商品型号
- (988)M3*14
- 商品编号
- C45663630
- 商品毛重
1克(g)
广东仓0
购买数量
支
(2200支/盒,最小起订量1支,递增量:1)
总价金额:
¥0.00近期成交0单
- 商品参数
- 商品详情
商品参数
参数完善中
商品详情
产品特点 FEATURES
1
材质为304不锈钢,具备优异的耐腐蚀性与抗氧化性,适配潮湿、轻度腐蚀环境使用
2
采用十字小盘头设计,驱动类型为PH2十字槽,匹配常用十字螺丝刀,操作便捷且不易滑牙
3
集成平垫与弹垫组合,无需单独配备垫片,简化安装流程,提升装配效率
4
规格精准:公称直径M3,螺距0.5mm,总长度14mm,头部尺寸符合行业标准(头部直径5.2-5.5mm,头部高度2.01-2.15mm)
5
螺纹清晰完整,啮合紧密,紧固效果稳定,可有效防止松动
6
表面为不锈钢本色,无额外涂层,环保且不易脱落
产品介绍 INTRODUCTION
使用场景 APPLICATIONS
1
电子设备组装:电脑主机内部主板、硬盘等配件固定,手机/平板维修时部件紧固
2
机械设备维护:小型机械设备零部件连接,如电机端盖、齿轮箱外壳固定
3
家具安装:木质/金属家具结构连接,如衣柜抽屉导轨、桌椅框架紧固
4
家电维修:冰箱、洗衣机、空调等内部组件固定,如压缩机底座、散热片安装
5
卫浴设备安装:浴室柜、水龙头等配件紧固,适配潮湿环境
6
户外用品装配:露营帐篷支架、烧烤架部件固定,抵抗户外潮湿侵蚀
7
医疗器械辅助:非直接接触人体的医疗器械外壳或配件紧固(需符合行业规范)
注意事项 PRECAUTIONS
1
安装时使用匹配的PH2十字螺丝刀,避免尺寸不符工具导致滑牙或头部损坏
2
勿过度拧紧,防止螺纹变形或被固定物损坏,按需控制扭矩
3
304不锈钢虽耐腐蚀,但长期接触强酸强碱/高盐雾环境仍可能受损,需合理选场景
4
存放于干燥通风处,避免接触腐蚀性物质,防止氧化影响性能
5
平垫与弹垫顺序正确(平垫接触被固定物,弹垫在平垫与螺钉头间),确保防松效果
6
勿用于超承载能力的重型负载场合,避免断裂松动引发安全隐患

FAST(法思特)十字小盘头机螺钉平弹垫组合小平垫M3*14 304
价格:¥0.0587
购买数量
支
(2200支/盒,最小起订量1支,递增量:1)







