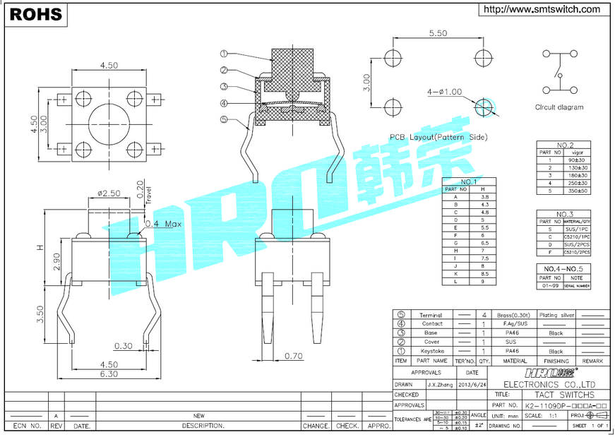
K2-1109DP-A4SW-01
4.5mm*4.5mm*3.8mm
SMT扩展库SMT补贴嘉立创PCB免费打样
- 品牌名称
- 韩国韩荣
- 商品型号
- K2-1109DP-A4SW-01
- 商品编号
- C92579
- 商品封装
- 插件-4P,4.5x4.5mm
- 包装方式
- 袋装
- 商品毛重
- 0.264克(g)
商品参数
| 属性 | 参数值 | |
|---|---|---|
| 商品目录 | 轻触开关 | |
| 电路结构 | 单刀单掷 | |
| 按钮形状 | 圆形按钮 | |
| 作用力 | 2.5N | |
| 安装方式 | 直插 | |
| 开关长度 | 4.5mm | |
| 开关宽度 | 4.5mm |
| 属性 | 参数值 | |
|---|---|---|
| 开关高度 | 3.8mm | |
| 触点电流 | 50mA | |
| 额定电压 | 12V | |
| 带灯 | - | |
| 工作寿命 | 10万次 | |
| 工作温度 | -25℃~+85℃ |
K2-1109DP
规格:4.5mm*4.5mm
操作力:180gf/250gf
特点:体积小,长寿命
品名:轻触开关
轻触开关技术参数:
1.额定负荷: DC 12V 50mA
2.接触电阻: ≤100mΩ
3.绝缘阻抗: ≥100mΩ DC250V
4.使用温度: -25℃+80℃
5.使用湿度: ≤85%RH
6.操作力 :90-350gf
7.行程:0.2±0.1mm
8.使用寿命: 100,000 Cycles
轻触开关技术参数:
1.额定负荷: DC 12V 50mA
2.接触电阻: ≤100mΩ
3.绝缘阻抗: ≥100mΩ DC250V
4.使用温度: -25℃+80℃
5.使用湿度: ≤85%RH
6.操作力 :90-350gf
7.行程:0.2±0.1mm
8.使用寿命: 100,000 Cycles

优惠活动
购买数量
(1000个/袋,最小起订量 10 个)个
起订量:10 个1000个/袋
总价金额:
¥ 0.00近期成交4单
