



UTICA(优迪佧) 母全绝缘接头 接插规格0.8×4.75mm 70720103
- 工业品
价格:¥1.99价格含税(税率13%)
- 品牌名称
- UTICA(优迪佧)
- 商品型号
- 70720103
- 商品编号
- C7476218
- 商品毛重
1克(g)
- 材质 黄铜+PVC
- 颜色 红色
广东仓0
购买数量
个
(1个/盒,最小起订量1个,递增量:1)
总价金额:
¥0.00近期成交0单
- 商品参数
- 商品详情
商品参数
| 属性 | 参数值 |
|---|---|
| 商品目录 | 接头 |
| 材质 | 黄铜+PVC |
| 颜色 | 红色 |
| 属性 | 参数值 |
|---|---|
| 接插规格 | 0.8*4.75mm |
| 最大电流 | 10A |
| 最大耐温 | 75° |
商品详情
产品特点 FEATURES
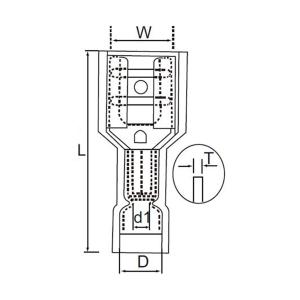
该产品为UTICA(优迪佧)品牌母全绝缘接头,型号70720103,采用黄铜与PVC复合材质制成,具备优良的导电性能和绝缘保护能力。接插规格为0.8×4.75mm,适用于标准线径范围内的连接需求。最大承载电流可达10A,满足大多数工业电气连接场景下的电流传输要求。最高耐温达75℃,可在中等温度环境下稳定工作,确保长时间运行的安全性。外壳采用红色PVC绝缘层包裹,具有良好的抗老化、耐腐蚀及阻燃特性,有效防止短路和漏电风险。产品结构紧凑,插拔顺畅,接触电阻低,连接可靠,适合频繁插拔操作。根据规格表信息,本型号长度L为5.8mm,直径D为3.7mm,适配多种接线端子和连接器系统。每包1000个,便于批量采购和库存管理。
产品介绍 INTRODUCTION
使用场景 APPLICATIONS
适用于各类工业自动化设备、控制柜、配电箱、仪器仪表中的电线连接与信号传输。
在电子装配生产线中,用于快速连接传感器、执行器或继电器模块。
可用于汽车制造、轨道交通、新能源设备等领域中的低压电路连接。
适合需要频繁拆装的测试环境,如实验室设备、维修工具配套线路。
广泛应用于PLC控制系统、变频器接口、电机控制回路等对连接可靠性要求较高的场合。
由于其绝缘性能优异,也可用于存在轻微振动或潮湿环境下的电气连接,提升整体系统的安全性和稳定性。
注意事项 PRECAUTIONS
请确保所连接的导线截面积符合0.5-1.0mm²的推荐范围,避免因线径过大或过小导致接触不良或压接失效。
安装时需使用合适的压接工具进行规范压接,保证端子与导线之间的机械强度和电气连续性。
严禁在超过75℃的高温环境中长期使用,以免PVC绝缘层软化或老化,影响绝缘性能。
避免在强酸、强碱或有机溶剂环境中使用,以防止材料腐蚀或降解。
请勿超载使用,最大电流不得超过10A,防止过热引发安全隐患。
存放时应置于干燥通风处,远离阳光直射和高温热源,保持包装完好,防止灰尘污染。
若发现端子表面有明显损伤、变形或绝缘层破损,请立即停止使用,更换新件以确保电气安全。

UTICA(优迪佧) 母全绝缘接头 接插规格0.8×4.75mm 70720103
价格:¥1.99
购买数量
个
(1个/盒,最小起订量1个,递增量:1)







