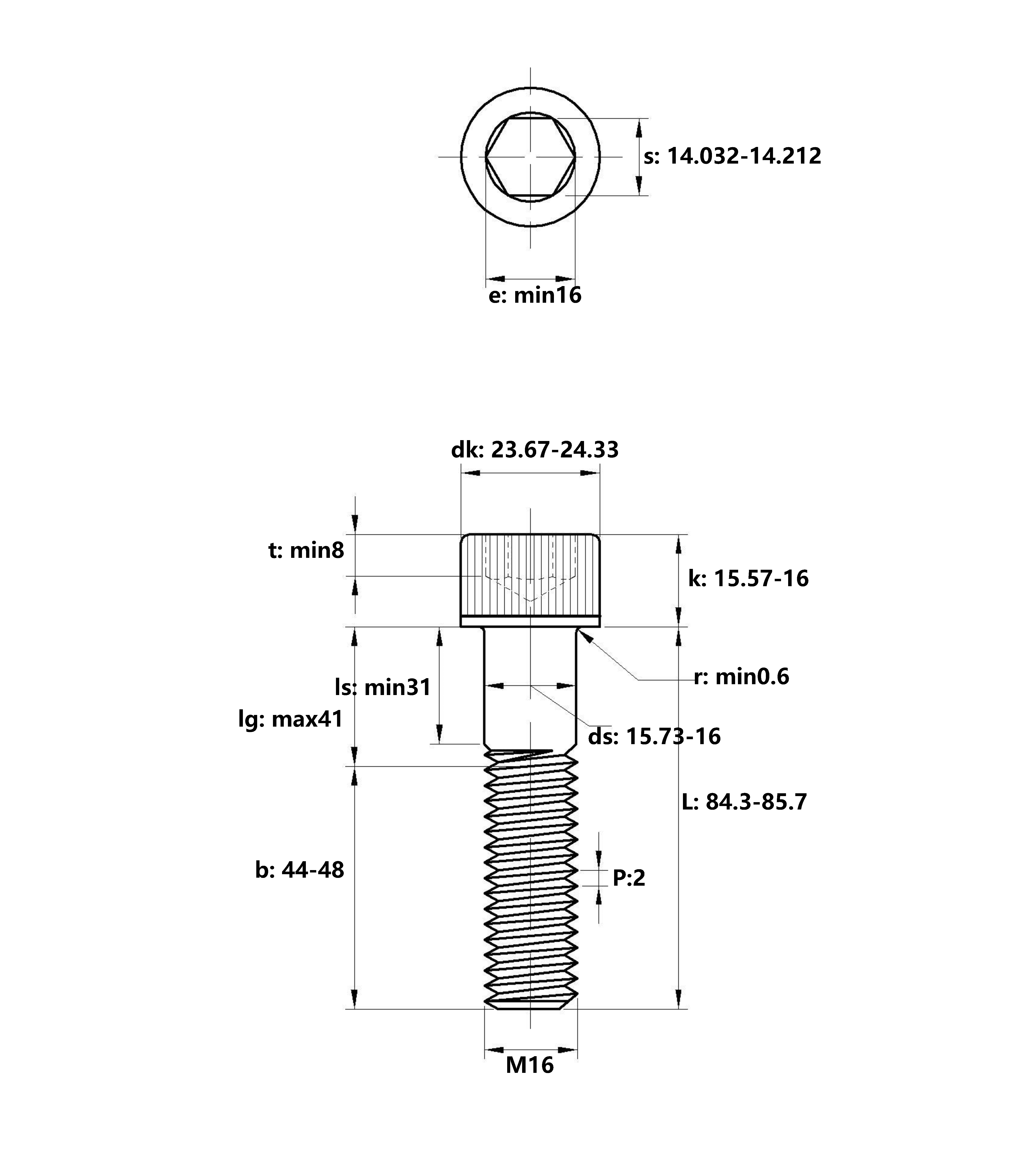
产品特点 FEATURES
1该螺钉采用碳钢材质,硬度等级达到12.9级,具有极高的强度和耐磨性,适用于高强度紧固需求。
2标准为DIN912,确保了产品的通用性和互换性,符合国际标准要求。
3内六角型驱动设计,提供更佳的防滑性能和扭矩传递能力,便于工具操作。
4发黑表面处理,不仅提升了外观质量,还增强了防腐蚀性能,延长使用寿命。
5半牙设计,有效增加螺纹啮合长度,提高连接的稳定性和可靠性。
6精密制造工艺,尺寸精度高,公差控制严格,确保装配精度。

使用场景 APPLICATIONS
1该圆柱头内六角型螺钉广泛应用于机械、汽车、电子、建筑等多个行业领域。典型使用环境包括:
2机械设备装配,如机床、工业机器人等,提供高精度和高强度的紧固解决方案。
3汽车制造,用于发动机、底盘等关键部位的紧固,确保车辆运行的安全性和稳定性。
4电子产品组装,如服务器、通信设备等,满足精密电子元件的固定需求。
5建筑结构连接,如钢结构、桥梁等,提供可靠的紧固力,保障结构安全。
6在不同工作条件下,该螺钉表现出色,适应高温、高湿、震动等复杂环境,确保长期稳定运行。
注意事项 PRECAUTIONS
1安装前请检查螺钉和螺孔的匹配度,避免因尺寸不符导致的安装困难或紧固力不足。
2使用合适的内六角扳手进行拧紧,防止工具打滑损伤螺钉头部。
3拧紧力矩需根据具体应用要求进行控制,过大的力矩可能导致螺钉断裂,过小则影响紧固效果。
4在潮湿或腐蚀性环境中使用时,建议采取额外的防腐措施,如涂抹防锈油。
5定期检查紧固件的紧固状态,及时发现并处理松动现象,确保连接的安全性和可靠性。
6存储时应保持干燥通风,避免与腐蚀性物质接触,防止生锈。











