


SUNDOO(山度)电动立式机台SJX-1KVL
- 工业品
价格:¥8814价格含税(税率13%)
- 品牌名称
- SUNDOO(山度)
- 商品型号
- SJX-1KVL
- 商品编号
- C50340474
- 商品毛重
1克(g)
型号
广东仓0
购买数量
台
(1台/箱,最小起订量1台,递增量:1)
总价金额:
¥0.00近期成交0单
- 商品参数
- 商品详情
商品参数
参数完善中
商品详情
产品特点 FEATURES
1
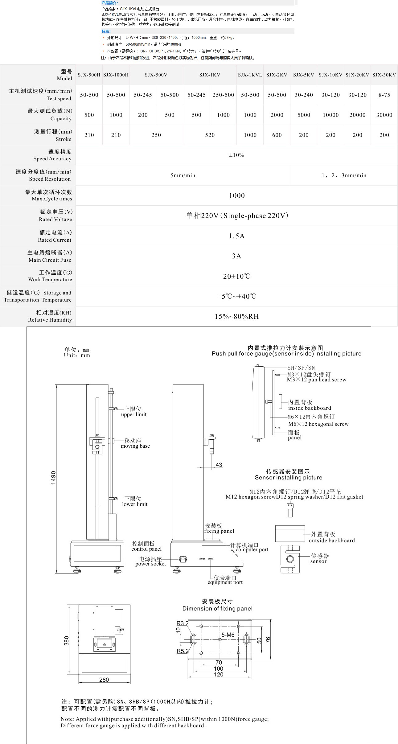
性能优势:稳定性良好,适用范围广泛,操作使用便捷,具备无极调速、手动(点动)、自动循环切换等功能,可满足多种测试流程需求
2
测试能力:配合拉力计使用,适用于拉压负荷、插拔力、破坏试验等测试,最大测试负载达1000N,测量行程为1000mm
3
结构参数:外形尺寸为380×280×1490mm,重量约57kg;测试速度范围50 - 500mm/min,速度精度±10%,速度分度值5mm/min,最大单次循环次数1000次
4
电气参数:额定电压为单相220V,额定电流1.5A,主电路熔断器规格为3A;工作温度要求20±10℃,储运温度范围-5℃~+40℃,相对湿度需控制在15%~80%RH
5
配置灵活:可配置(需另购)SN、SHB/SP(2N - 1KN)系列推拉力计,以及各种推拉测试工装夹具,满足不同测试场景的夹具适配需求
产品介绍 INTRODUCTION
使用场景 APPLICATIONS
适用于橡胶塑料、轻工纺织、建筑门窗、复合材料、电线电缆、汽车配件、动力机械等行业,以及科研机构的拉压负荷测试、插拔力测试、破坏试验等场景,可对相关材料或部件的力学性能进行精准测试,为产品研发、质量检测等环节提供数据支持
注意事项 PRECAUTIONS
1
配置适配:配置推拉力计时,不同型号的测力计需搭配对应的背板(内置式或外置式背板),且部分拉力计(如SN、SHB/SP 1000N以内型号)需另行购买,选购及安装前需确认适配性
2
产品变更:由于产品持续升级改进,产品的外形及颜色以实物为准,若对产品外观、配置有疑问,需及时与销售人员沟通确认
3
环境合规:使用时需确保工作环境温湿度符合要求(工作温度20±10℃,相对湿度15%~80%RH);储运过程中环境温度需控制在-5℃~+40℃范围内,避免极端环境影响设备性能
4
电气安全:使用的电源需符合额定电压(单相220V)要求,严禁过载运行;主电路熔断器规格为3A,若需更换,需使用相同规格的熔断器,避免电气故障
5
安装规范:安装传感器、拉力计或相关配件时,需严格按照安装示意图的要求,使用对应规格的螺钉、弹垫、平垫等配件,确保安装牢固,避免因安装不当影响测试精度或设备安全

SUNDOO(山度)电动立式机台SJX-1KVL
价格:¥8814
型号
购买数量
台
(1台/箱,最小起订量1台,递增量:1)







