HR911130C
弯插 带LED
SMT扩展库SMT补贴嘉立创PCB免费打样
- 描述
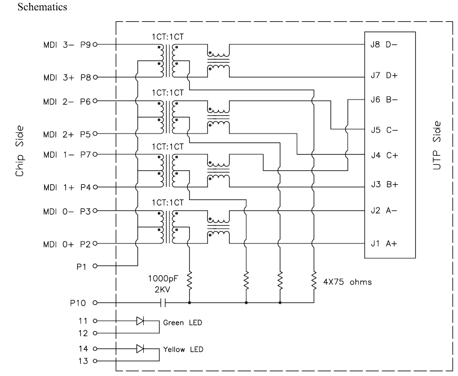
- 特性:RoHS合规(无铅)。符合或超过IEEE802.3ab标准,包括350uH最小OCL和8mADC。对EMI抑制、串扰、回波损耗和稳定电气性能有高性能表现。按照IEEE802.3要求,最小2250Vdc隔离。最小化PCB空间并简化PCB布局。减少PCB上放置的磁性元件,提高可靠性和良率。UL认可组件:文件编号E330599
- 品牌名称
- HANRUN(汉仁)
- 商品型号
- HR911130C
- 商品编号
- C50933
- 商品封装
- 弯插
- 包装方式
- 管装
- 商品毛重
- 7.713克(g)
商品参数
| 属性 | 参数值 | |
|---|---|---|
| 商品目录 | 以太网连接器(RJ45 RJ11) | |
| 连接器类型 | RJ45插座 | |
| 安装方式 | 弯插 | |
| 端口数量 | 1 |
| 属性 | 参数值 | |
|---|---|---|
| LED | 带LED | |
| 屏蔽 | 有屏蔽 | |
| 等级 | - | |
| 工作温度 | - |
集成变压器千兆网口。
优惠活动
购买数量
(29个/管,最小起订量 1 个)个
起订量:1 个29个/管
总价金额:
¥ 0.00近期成交100+单
