


- 商品参数
- 商品详情
商品参数
参数完善中
商品详情
产品特点 FEATURES
1
材质特性:采用不锈钢材质打造,具备出色的耐腐蚀性能,能适应潮湿、户外等易受腐蚀的环境,有效延长连接部位的使用寿命,降低维护成本。
2
结构设计:
3
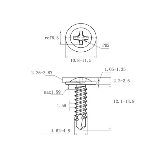
头部结构:采用十字圆头华司设计,头部直径范围为10.8 - 11.5mm,十字槽规格为PH2,适配PH2规格的十字螺丝刀,操作时工具贴合度高,不易打滑,提升作业效率;圆头华司结构可增大与被连接件的接触面积,分散紧固压力,增强连接的稳定性,减少被连接件表面的损伤。
4
钻尾设计:钻尾部分长度为4.62 - 4.8mm,具备自钻自攻功能,可直接在金属等材料上钻孔并攻丝,无需预先钻孔,大幅简化安装流程,尤其适用于现场快速作业场景;螺纹部分螺距约为1.59mm,螺纹牙型设计合理,拧入后能提供可靠的紧固力,防止松动。
5
尺寸参数:
6
头部相关尺寸:头部总高度(圆头顶部至华司下表面)为2.26 - 2.87mm;华司厚度(华司下表面至上表面)为1.05 - 1.35mm;圆头高度(华司上表面至圆头顶部)为2.2 - 2.6mm。
7
整体及螺纹尺寸:总长度(圆头顶部至钻尾尖端)为12.1 - 13.9mm;螺纹部分螺距为1.59mm;钻尾长度为4.62 - 4.8mm。
8
功能优势:自钻自攻的特性,使其适用于金属、薄钢板等材料的快速连接作业;不锈钢材质的抗锈蚀能力,适配多种工业环境;十字槽与圆头华司的设计,兼顾了操作的便捷性与连接的稳定性,满足工业级紧固需求,可广泛应用于各类需要可靠连接的场景。
产品介绍 INTRODUCTION
使用场景 APPLICATIONS
1
建筑工程领域:金属幕墙、轻钢龙骨、钢结构框架等的连接固定,不锈钢材质可应对户外潮湿、多尘等环境,钻尾设计简化了现场安装流程,减少施工时间与成本。
2
家具制造行业:金属家具(如钢质文件柜、货架、办公桌椅)的部件组装,自钻自攻的特性提升了生产效率,圆头华司设计确保连接稳固,避免家具使用过程中出现松动、异响。
3
电器装配场景:配电箱、开关柜、电气控制箱等电器金属外壳的安装,耐腐蚀的不锈钢材质保证了内部电气连接的长期稳定性,防止因腐蚀导致的电气故障。
4
汽车改装领域:汽车金属部件(如防护板、装饰件、小型金属支架)的加装,钻尾设计便于在汽车金属车身钻孔固定,不锈钢材质适应汽车使用环境(如发动机舱的高温、潮湿),提升改装部件的耐用性。
5
户外设施搭建:户外金属围栏、广告牌、棚架、自行车停车架等的搭建,不锈钢材质抗腐蚀,圆头华司设计提升了结构的稳定性,防止因长期户外使用导致的连接松动、脱落。
注意事项 PRECAUTIONS
1
工具匹配:使用前需确认螺丝刀规格为PH2,严禁使用非PH2规格的十字批头或其他工具,否则可能导致十字槽损坏、螺丝打滑,甚至损坏工具。
2
操作力度控制:根据被连接件的材质(如金属的厚度、硬度)合理调整拧入力度,建议使用扭矩可控的工具(如带扭矩调节的电动螺丝刀),避免过载拧动,防止螺丝断裂或工件变形;对于超硬材料(如厚钢板、硬质合金),建议先评估钻尾的钻孔能力,必要时预钻小孔(钻尾螺丝通常可自钻,特殊硬材料场景除外)。
3
存储管理:存储时应保持环境干燥、通风,避免与强酸、强碱、强盐雾等腐蚀性物质混放;尽管为不锈钢材质,长期暴露在极端腐蚀环境(如海水盐分、强酸碱溶液)中仍可能受损,需根据实际使用场景采取额外防护措施(如涂抹防锈剂)。
4
质量检验:使用前需检查螺丝表面是否有划痕、变形、裂纹等缺陷,钻尾尖端是否锋利完整,确保自钻功能正常;安装后需检查连接部位是否稳固,无松动、歪斜现象,必要时进行二次紧固。

法思特十字圆头华司钻尾不锈钢 ST4.8*13
价格:¥0.1201
购买数量
个
(1000个/盒,最小起订量1个,递增量:1)







