领券中心9.9元专区爆款推荐清仓特卖新品推荐备货找料场景采购PLUS会员关于立创工业品
GZS222340实物图
GZS222340商品缩略图

法思特十字外六角头凹穴法兰带齿机螺钉不锈钢 M6*18

  • SMT扩展库
  • 嘉立创SMT补贴
  • PCB免费打样
  • 工业品

嘉立创贴片惊喜价格立即查看

价格:0.316价格含税(税率13%

品牌名称
FAST(法思特)
商品型号
GZS222340
商品编号
C49352105
商品毛重

6.232克(g)

表面处理
洗白
材质
304不锈钢
  • 广东仓0

  • SMT仓0

购买数量

(1000/最小起订量1个,递增量:1)

总价金额:

0.00

近期成交0

  • 商品参数
  • 商品详情

商品参数

属性参数值
商品目录六角凹穴法兰带齿螺钉
表面处理洗白
属性参数值
材质304不锈钢
规格M6*18

商品详情

产品特点 FEATURES

1 材质优异:采用304不锈钢材质,具备良好的耐腐蚀性、抗氧化性,可在潮湿、轻度腐蚀等复杂环境中稳定使用,有效延长螺丝使用寿命。
2 结构设计合理:十字外六角头+凹穴设计,兼顾十字批便捷操作与外六角扳手高扭矩传递能力,安装工具兼容性强;法兰带齿结构增大与被连接件的摩擦力,有效防止螺丝松动,适配振动工况下的设备连接;凹穴设计优化头部结构,减轻重量同时保障机械强度。
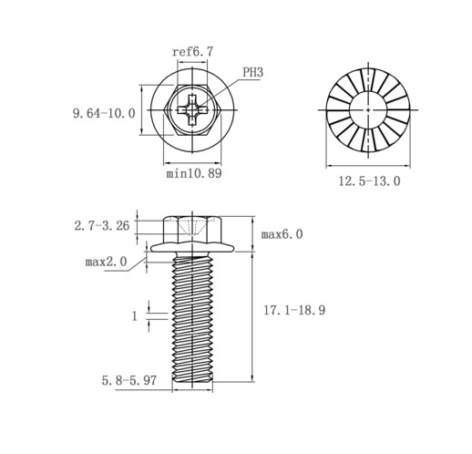
3 规格精准:规格为M6*18,螺纹尺寸精准,配合图纸标注的尺寸参数(头部直径12.5 - 13.0mm、头部高度2.7 - 3.26mm、螺纹长度17.1 - 18.9mm等),与被连接件适配性强;表面经洗白处理,外观整洁且增强防锈能力,便于识别与取用。

产品介绍 INTRODUCTION

使用场景 APPLICATIONS

1 工业机械制造:适用于机床、自动化生产线等设备的零部件装配,304不锈钢材质与法兰带齿防松设计,保障设备在长期振动中连接稳固。
2 电子设备安装:通讯设备、仪器仪表等电子装置的外壳、内部组件固定,十字头设计便于快速拆装,304不锈钢避免腐蚀影响电子元件性能。
3 家具与家居装配:金属、木质家具的组装,尤其是厨房、浴室等潮湿环境的家具,304不锈钢防锈,法兰带齿防松设计防止家具使用中螺丝松脱。
4 设备维护维修:各类机械设备、车辆的维修更换,M6*18的规格适配多种标准孔径,洗白表面便于快速识别和取用,提升维修效率。
5 户外设施建设:户外灯具、小型钢结构固定等场景,304不锈钢应对户外潮湿、日晒环境,法兰带齿保障设施长期稳固。
6 电子设备制造:精密电子设备内部连接,十字头便于自动化工具操作,304不锈钢防锈特性保护电子元件。

注意事项 PRECAUTIONS

1 工具适配:安装时需使用PH3规格十字螺丝刀(参考图纸标注)和适配的外六角扳手,避免非规格工具导致头部滑牙、变形。
2 扭矩控制:根据被连接件材质调整安装扭矩,金属件可适当增大,塑料件需谨慎操作,防止过紧损坏零件或过松影响连接稳定性。
3 储存环境:应存放于干燥、通风的环境中,避免潮湿、酸碱等腐蚀性物质接触,防止不锈钢材质因环境因素产生锈蚀或性能下降。
4 安装前检查:安装前需检查螺丝的螺纹完整性、头部齿纹(法兰带齿)是否清晰,若存在滑牙、齿纹磨损、变形等问题,应更换新螺丝,避免安装后松动或无法拆卸。
5 规格适配:使用前需确认螺丝规格(M6*18)与被连接件的孔径、厚度匹配,避免因尺寸不符导致安装困难或连接失效。
GZS222340实物图

法思特十字外六角头凹穴法兰带齿机螺钉不锈钢 M6*18

价格:0.316

购买数量

(1000/最小起订量1个,递增量:1)

总价金额:

0.00

精选推荐