


法思特内六角圆柱头自攻钉不锈钢 ST4.8*35
- 工业品
价格:¥0.2762价格含税(税率13%)
- 品牌名称
- FAST(法思特)
- 商品型号
- GZS235819
- 商品编号
- C49352045
- 商品毛重
4.505克(g)
广东仓0
购买数量
个
(1000个/盒,最小起订量1个,递增量:1)
总价金额:
¥0.00近期成交0单
- 商品参数
- 商品详情
商品参数
参数完善中
商品详情
产品特点 FEATURES
1
材质优势:采用不锈钢材质,具有优异的耐腐蚀、防锈性能,可适应潮湿、户外等复杂环境,延长使用寿命。
2
结构设计:内六角圆柱头结构,适配内六角工具,安装时受力均匀,操作精准;自攻螺纹设计,无需预钻孔,可直接旋入木质、塑料、薄金属等材料,提升安装效率。
3
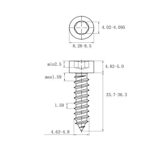
规格精准:公称直径ST4.8,长度35mm;头部直径8.28 - 8.5mm,头部高度4.82 - 5.0mm,螺纹相关尺寸(如螺距、牙型等)符合技术图纸规范,连接稳定性强。
4
性能可靠:不锈钢材质保证机械强度与韧性,自攻结构结合内六角设计,在轻型结构连接中紧固力稳定,适用于多场景安装需求。
产品介绍 INTRODUCTION
使用场景 APPLICATIONS
1
家具制造:木质家具(如桌椅、衣柜)、板式家具的组装,无需预钻孔,快速固定板材,提升生产效率。
2
装修装饰:墙面(石膏板、密度板)、吊顶、踢脚线等装饰构件的安装,适配内六角工具,操作便捷。
3
电器设备:电脑机箱、家电外壳等的组装,不锈钢材质防腐蚀,保护设备内部元件。
4
轻型建筑:彩钢板、轻钢龙骨等薄金属结构的连接,自攻旋入实现快速搭建,适用于临时/轻型结构。
5
塑料制品:塑料外壳、构件的组装,避免钻孔损坏材料,保证连接牢固。
注意事项 PRECAUTIONS
1
工具选择:使用匹配头部尺寸的内六角扳手,避免工具不匹配导致头部损坏或安装失效。
2
安装力度:旋入时控制力度,过紧易使材料(如木质、塑料)开裂或螺钉滑牙,过松则影响连接稳定性。
3
适用材料:适用于木质、塑料、薄金属(厚度≤3mm,硬度适中),避免用于过厚、过硬材料,否则无法自攻或损坏螺钉。
4
环境限制:避免用于长期承重过大或高频振动场景,如需使用,建议配合螺纹胶、垫圈等防松措施。
5
储存管理:存放于干燥、通风环境,避免与腐蚀性化学品接触,保持不锈钢表面清洁(虽耐腐蚀,长期潮湿仍可能产生水渍)。

法思特内六角圆柱头自攻钉不锈钢 ST4.8*35
价格:¥0.2762
购买数量
个
(1000个/盒,最小起订量1个,递增量:1)







