


- 商品参数
- 商品详情
商品参数
| 属性 | 参数值 |
|---|---|
| 商品目录 | 内六角倒边机螺钉 |
| 表面处理 | 洗白 |
| 属性 | 参数值 |
|---|---|
| 材质 | 304不锈钢 |
| 规格 | M2.5*8 |
商品详情
产品特点 FEATURES
1
材质:采用304不锈钢材质,具备良好的耐腐蚀性、强度与韧性,能适应多种复杂工况环境,延长使用寿命
2
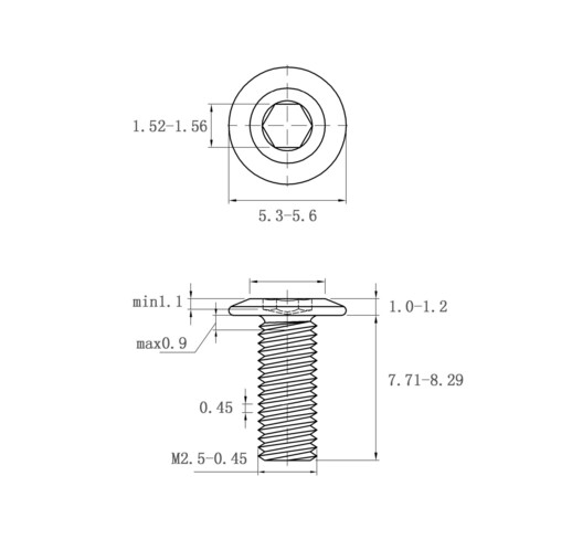
规格:螺钉规格为M2.5*8,螺纹规格M2.5 - 0.45,头部直径范围5.3 - 5.6mm,内六角尺寸1.52 - 1.56mm,螺杆长度7.71 - 8.29mm,倒边设计(头部下方倒边尺寸max0.9mm、min1.1mm等),结构精准,适配精密机械装配需求
3
表面处理:采用洗白处理,表面光洁无毛刺,不易积尘,同时增强防锈性能,提升外观一致性,便于工业场景下的视觉识别与清洁维护
4
设计:内六角倒边设计,内六角结构便于使用专用工具高效紧固,倒边结构可减少安装过程中对工件表面的划伤,兼顾实用性与美观性,适配紧凑空间的安装场景
产品介绍 INTRODUCTION
使用场景 APPLICATIONS
1
机械设备制造与维修:如各类机床、自动化设备、印刷设备的零部件装配,利用内六角倒边设计实现精准紧固,避免划伤设备外壳或精密部件,保障设备稳定运行
2
电子设备组装:如服务器、工控机、通讯设备、消费电子的内部组件固定,304不锈钢材质的耐腐蚀性可保障设备长期稳定运行,倒边设计适配紧凑空间的安装需求
3
家具与家居五金:如金属家具、橱柜、卫浴设施、办公家具的连接紧固,304不锈钢材质防潮防锈,倒边设计提升家居用品的外观完整性,减少对用户的划伤风险
4
汽车及零部件生产:如汽车内饰件、小型零部件(如仪表盘、车门组件)的装配,内六角结构便于批量生产中的工具操作,倒边设计减少对内饰表面的损伤
5
医疗器械与食品机械:304不锈钢符合医用、食品级材质要求,可用于医疗器械组件、食品加工设备的固定,确保卫生与耐腐蚀性能,保障产品合规性
注意事项 PRECAUTIONS
1
安装工具选择:需使用规格匹配的内六角扳手(适配内六角尺寸1.52 - 1.56mm范围),避免因工具不符导致内六角孔滑牙或损伤,影响紧固效果
2
储存环境:尽管采用304不锈钢材质,仍需避免长期暴露在高湿度、强酸碱等极端环境中,建议存放于干燥、通风的仓储空间,防止表面氧化或腐蚀
3
安装扭矩控制:紧固时需根据工件材质与厚度合理控制扭矩,避免扭矩过大导致螺纹滑丝、工件变形,或扭矩过小导致连接松动,建议通过试装确定合理扭矩范围
4
材质兼容性:与不同材质(如铝合金、碳钢等)工件配合时,需注意电化学腐蚀风险,必要时可采用绝缘垫片或涂层隔离,保障连接稳定性与工件寿命
5
安装前检查:使用前需检查螺钉表面是否有损伤、螺纹是否完整,若存在变形、裂纹等缺陷,应禁止使用,避免装配后出现安全隐患

法思特内六角倒边机螺钉不锈钢 M2.5*8
价格:¥0.026
螺纹(M)
长度(L)
购买数量
个
(1000个/盒,最小起订量1个,递增量:1)







