

法思特梅花带柱平圆头自攻钉不锈钢 ST4*30
- 工业品
价格:¥0.1156价格含税(税率13%)
- 品牌名称
- FAST(法思特)
- 商品型号
- GZS223159
- 商品编号
- C49351779
- 商品毛重
2.218克(g)
- 材质 304不锈钢
- 规格 ST4*30
广东仓0
购买数量
个
(1000个/盒,最小起订量1个,递增量:1)
总价金额:
¥0.00近期成交0单
- 商品参数
- 商品详情
商品参数
| 属性 | 参数值 |
|---|---|
| 商品目录 | 梅花槽沉头自攻螺钉 |
| 材质 | 304不锈钢 |
| 属性 | 参数值 |
|---|---|
| 规格 | ST4*30 |
| 表面处理 | 洗白 |
商品详情
产品特点 FEATURES
1
材质选用304不锈钢,具备优良的耐腐蚀、防锈性能,适合潮湿、户外等多环境使用
2
采用梅花带柱平圆头设计,梅花带柱结构有效防止安装时打滑,提升紧固稳定性;平圆头造型美观,安装后表面平整不易刮手
3
自攻型螺纹设计,无需预先攻丝,可直接钻入基材(如木材、塑料等),简化安装流程,提高效率
4
表面处理为洗白工艺,外观整洁均匀,进一步增强防锈能力
5
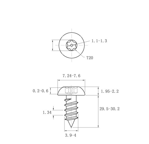
尺寸精准控制:规格为ST4*30,头部直径7.24-7.6mm,总长29.5-30.2mm,螺纹间距等参数符合标准,适配性强
产品介绍 INTRODUCTION
使用场景 APPLICATIONS
1
家具制造与组装:木质家具、板式家具的拼接固定,如衣柜、书桌的板材连接
2
电器设备安装:家电外壳、内部零部件的固定,如冰箱内胆、洗衣机控制面板的安装
3
建筑装修领域:吊顶龙骨、墙面装饰板、石膏板的固定,以及厨卫挂件的安装
4
户外设施搭建:不锈钢栏杆、遮阳棚、花园家具的组装固定,耐候性强
5
机械设备维护:小型机械、仪器仪表的零部件紧固,确保设备运行稳定
6
汽车内饰改装:部分汽车内饰板、装饰件的固定,满足轻量化安装需求
注意事项 PRECAUTIONS
1
安装时需使用匹配的T20梅花带柱螺丝刀,避免使用不合适工具导致螺丝头部损坏或滑牙
2
确认基材厚度与螺丝长度适配,避免螺丝过长穿透基材造成安全隐患或外观影响
3
虽304不锈钢耐腐蚀,但应避免长期接触强酸、强碱等极端腐蚀性环境,以免影响性能
4
安装过程中控制拧入力度,避免过度用力导致螺丝断裂或基材开裂变形
5
存放时应置于干燥通风处,防止受潮生锈,影响后续使用
6
若用于承重结构,需提前确认螺丝的承重等级是否满足实际需求,确保结构安全

法思特梅花带柱平圆头自攻钉不锈钢 ST4*30
价格:¥0.1156
购买数量
个
(1000个/盒,最小起订量1个,递增量:1)
总价金额:
¥0.00精选推荐
其他推荐







