

法思特梅花带柱平圆头自攻钉不锈钢 ST3*20
- 工业品
价格:¥0.0585价格含税(税率13%)
- 品牌名称
- FAST(法思特)
- 商品型号
- GZS223149
- 商品编号
- C49351776
- 商品毛重
0.785克(g)
- 材质 304不锈钢
- 规格 ST3*20
广东仓0
购买数量
个
(1000个/盒,最小起订量1个,递增量:1)
总价金额:
¥0.00近期成交0单
- 商品参数
- 商品详情
商品参数
| 属性 | 参数值 |
|---|---|
| 商品目录 | 梅花槽沉头自攻螺钉 |
| 材质 | 304不锈钢 |
| 属性 | 参数值 |
|---|---|
| 规格 | ST3*20 |
| 表面处理 | 洗白 |
商品详情
产品特点 FEATURES
1
材质选用304不锈钢,具备优良的耐腐蚀、防锈性能,适用于室内外多种环境
2
采用梅花带柱平圆头设计:梅花带柱结构有效防止螺丝刀打滑,提升安装扭矩传递效率,不易损坏螺丝头部;平圆头造型美观,安装后表面平整无尖锐突出
3
自攻螺纹优化设计:无需预先攻丝或钻孔(针对木质、薄金属等常规材料),直接旋入即可完成固定,简化安装流程
4
表面洗白处理:增强防锈能力的同时保持不锈钢自然光泽,外观整洁
5
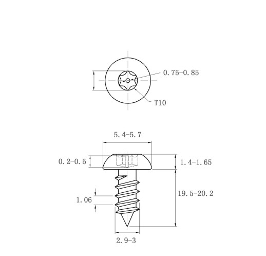
规格精准匹配:ST3*20公称规格(直径3mm,长度20mm),配合图中精准尺寸参数(头部直径5.4-5.7mm、头部厚度1.4-1.65mm、螺纹间距1.06mm等),确保与适配部件完美契合
6
高强度性能:304不锈钢材质保证螺丝具备良好的抗拉强度和抗剪切力,满足日常固定需求
产品介绍 INTRODUCTION
使用场景 APPLICATIONS
1
家具制造与组装:板式家具、实木家具的板材拼接、五金配件(铰链、拉手)固定
2
室内装修工程:石膏板吊顶龙骨固定、轻质隔墙板连接、装饰面板安装
3
电器与电子设备:小型家电外壳紧固、内部线路板或组件固定、仪器仪表组装
4
户外与园艺设施:园艺工具部件连接、小型户外家具(木质花箱、遮阳棚支架)固定(耐腐蚀特性适用)
5
五金与金属制品:薄金属板(铝扣板、铁皮)与木材/其他材料连接、金属挂件(毛巾架、置物架)安装
6
DIY手工制作:模型组装、手工家具或饰品的固定
注意事项 PRECAUTIONS
1
安装工具选择:需使用T10规格的梅花带柱螺丝刀头,避免用不合适工具损坏螺丝头部
2
基材适配:ST3*20建议用于厚度15-18mm的木质或薄金属材料,避免过长穿透基材或过短影响固定效果
3
安装力度控制:旋紧时避免过度用力,防止螺丝断裂或基材(如木质板材)开裂
4
存放要求:未使用螺丝需存放于干燥通风处,避免潮湿环境导致锈蚀
5
安全操作:安装时注意手部防护,防止螺丝刀打滑划伤
6
承重限制:不建议用于建筑主体框架等主要承重结构,仅适用于非承重或轻承重部位
7
特殊基材处理:厚金属板等硬基材建议预先钻2.5mm引导孔,再旋入螺丝以保护螺丝并提高效率

法思特梅花带柱平圆头自攻钉不锈钢 ST3*20
价格:¥0.0585
购买数量
个
(1000个/盒,最小起订量1个,递增量:1)







