

法思特梅花带柱平圆头自攻钉不锈钢 ST4*12
- 工业品
价格:¥0.0655价格含税(税率13%)
- 品牌名称
- FAST(法思特)
- 商品型号
- GZS223153
- 商品编号
- C49351773
- 商品毛重
0.954克(g)
- 材质 304不锈钢
- 规格 ST4*12
广东仓0
购买数量
个
(1000个/盒,最小起订量1个,递增量:1)
总价金额:
¥0.00近期成交0单
- 商品参数
- 商品详情
商品参数
| 属性 | 参数值 |
|---|---|
| 商品目录 | 梅花槽沉头自攻螺钉 |
| 材质 | 304不锈钢 |
| 属性 | 参数值 |
|---|---|
| 规格 | ST4*12 |
| 表面处理 | 洗白 |
商品详情
产品特点 FEATURES
1
材质选用304不锈钢,具备优良的防锈耐腐蚀性能,适用于潮湿、轻度腐蚀等多种场景
2
采用梅花带柱平圆头结构,梅花带柱设计可有效防止螺丝刀打滑,提升安装稳定性与效率;平圆头造型平滑美观,安装后不易刮手
3
自攻型设计,无需预先攻丝,可直接钻入木材、塑料、薄金属板等基材,简化安装流程
4
表面处理为洗白工艺,表面光洁度高,不易积垢且保持金属质感
5
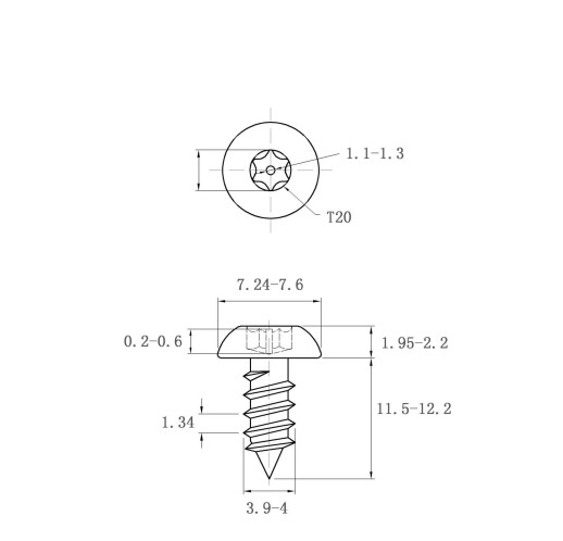
规格精准,ST4*12尺寸符合行业标准,关键尺寸(如头部直径7.24-7.6mm、总长度11.5-12.2mm)公差控制严格,适配性强
产品介绍 INTRODUCTION
使用场景 APPLICATIONS
1
家具组装:木质或板式家具的板材连接固定,如衣柜、橱柜、书桌等
2
电器安装:家电外壳、内部组件的固定,如冰箱、洗衣机的外壳拼接
3
建筑装修:吊顶龙骨、石膏板/铝塑板等装饰面板的安装,厨卫区域五金件固定
4
机械设备维护:小型设备零部件的固定,如电机外壳、仪器仪表组装
5
金属薄板连接:厚度适中的不锈钢板、镀锌板等自攻固定
注意事项 PRECAUTIONS
1
需使用T20梅花带柱螺丝刀头,避免用错工具导致滑牙
2
基材钻孔直径需匹配ST4规格,过大易松动、过小易断裂
3
拧紧力度适中,过度拧紧可能导致钉体断裂或基材破损
4
避免长期接触强酸强碱环境,以防加速腐蚀
5
存放于干燥通风处,防止潮湿生锈
6
承重场景需确认承载能力,禁止超负载使用

法思特梅花带柱平圆头自攻钉不锈钢 ST4*12
价格:¥0.0655
购买数量
个
(1000个/盒,最小起订量1个,递增量:1)







