

法思特梅花带柱平圆头自攻钉不锈钢 ST5*30
- 工业品
价格:¥0.199价格含税(税率13%)
- 品牌名称
- FAST(法思特)
- 商品型号
- GZS223169
- 商品编号
- C49351772
- 商品毛重
3.217克(g)
- 材质 304不锈钢
- 规格 ST5*30
广东仓0
购买数量
个
(1000个/盒,最小起订量1个,递增量:1)
总价金额:
¥0.00近期成交0单
- 商品参数
- 商品详情
商品参数
| 属性 | 参数值 |
|---|---|
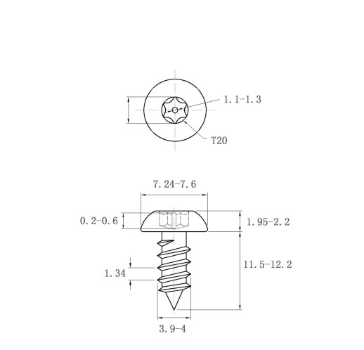
| 商品目录 | 梅花槽沉头自攻螺钉 |
| 材质 | 304不锈钢 |
| 属性 | 参数值 |
|---|---|
| 规格 | ST5*30 |
| 表面处理 | 洗白 |
商品详情
产品特点 FEATURES
1
材质选用304不锈钢,具备良好的耐腐蚀、防锈性能,适用于多种干湿环境
2
采用梅花带柱平圆头设计,安装时受力均匀,有效降低滑牙风险,提升紧固稳定性
3
自攻螺纹结构,无需预先攻丝,可直接钻入木材、塑料等基材,安装便捷高效
4
表面经过洗白处理,外观整洁且增强防锈能力,延长产品使用寿命
5
规格符合ST5*30标准,螺纹间距合理,紧固力强,适配常见安装需求
6
槽型为T25梅花带柱,需使用专用工具操作,确保安装精度与效率
产品介绍 INTRODUCTION
使用场景 APPLICATIONS
1
家具组装:木质家具、板式家具的板材拼接、合页/拉手等五金配件固定
2
室内装修:墙面装饰板、吊顶龙骨、石膏板的安装固定
3
电器设备:小型家电外壳、电子元件支架、控制面板的紧固连接
4
门窗制作:铝合金/塑钢门窗的密封条、锁具等附件固定
5
户外设施:木质护栏、遮阳棚、花架等金属与木质结构的连接
6
五金工程:各类金属框架、置物架的组装与固定
注意事项 PRECAUTIONS
1
安装时需使用适配的T25梅花带柱工具,避免用普通螺丝刀导致槽口损坏或滑牙
2
请勿用于高强度金属基材或过脆材料(如钢化玻璃),以免螺纹无法钻入或基材开裂
3
控制安装扭矩,避免过度拧紧造成螺纹变形或基材破损
4
存放于干燥通风处,避免潮湿环境导致生锈影响性能
5
操作时注意手部防护,防止工具打滑划伤
6
不适用于承重过大的结构部位,如建筑主体结构固定

法思特梅花带柱平圆头自攻钉不锈钢 ST5*30
价格:¥0.199
购买数量
个
(1000个/盒,最小起订量1个,递增量:1)







