

法思特梅花带柱平圆头自攻钉不锈钢 ST6*20
- 工业品
价格:¥0.2716价格含税(税率13%)
- 品牌名称
- FAST(法思特)
- 商品型号
- GZS223178
- 商品编号
- C49351770
- 商品毛重
3.504克(g)
- 材质 304不锈钢
- 规格 ST6*20
广东仓0
购买数量
个
(1000个/盒,最小起订量1个,递增量:1)
总价金额:
¥0.00近期成交0单
- 商品参数
- 商品详情
商品参数
| 属性 | 参数值 |
|---|---|
| 商品目录 | 梅花槽沉头自攻螺钉 |
| 材质 | 304不锈钢 |
| 属性 | 参数值 |
|---|---|
| 规格 | ST6*20 |
| 表面处理 | 洗白 |
商品详情
产品特点 FEATURES
1
材质选用304不锈钢,具备优异的耐腐蚀性能,适合潮湿、户外等多种环境使用,不易生锈变形,使用寿命长
2
采用梅花带柱平圆头设计,梅花齿形配合带柱结构,安装时螺丝刀不易打滑,提升操作稳定性和效率;平圆头造型美观,安装后表面平整,减少凸起带来的刮蹭风险
3
自攻螺纹设计,无需预先攻丝或钻孔(部分硬质基材可预先钻引导孔),直接拧入即可形成牢固连接,简化安装流程
4
表面经洗白处理,不仅增强耐腐蚀性,还使外观整洁均匀,符合工业级产品的美观要求
5
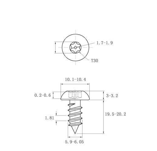
尺寸精度高,严格遵循ST6*20规格标准,头部直径、长度、螺纹间距等参数均符合图纸标注的公差范围(如头部直径10.1-10.4mm,总长度19.5-20.2mm等),确保与适配部件精准匹配
产品介绍 INTRODUCTION
使用场景 APPLICATIONS
1
家具制造与组装:用于木质家具、板式家具的板材拼接固定,如衣柜、橱柜、书桌等的连接件安装
2
室内装修工程:吊顶龙骨固定、墙面装饰板(如石膏板、密度板)的安装,以及踢脚线、顶角线的连接
3
电器设备装配:家电内部金属或塑料零件的固定,如冰箱、洗衣机、空调等设备的外壳或内部组件安装
4
户外设施搭建:不锈钢栏杆、遮阳棚、雨棚等户外金属结构的连接,因304不锈钢防锈性适合长期暴露在户外环境
5
五金制品生产:金属框架、五金配件(如合页、拉手)的固定,以及工具箱、金属柜等产品的组装
6
DIY手工制作:手工爱好者用于木质、塑料等材料的手工制品拼接,如木质模型、收纳盒等
注意事项 PRECAUTIONS
1
安装时需使用对应规格的T30梅花螺丝刀,避免使用不合适的工具导致头部滑牙或损坏
2
针对硬质基材(如厚实木、金属板),建议预先钻直径略小于螺丝公称直径的引导孔,防止基材开裂或螺丝折断
3
拧紧时需控制力度,避免过度拧紧造成螺纹变形、基材破损或螺丝断裂
4
不要将该螺丝用于承重过大的结构件连接,其设计适用于非重载的固定场景
5
存放时应置于干燥通风的环境中,避免潮湿、盐雾等环境影响不锈钢的防锈性能
6
安装过程中保持螺丝与基材垂直,防止偏斜拧入导致滑牙或连接不牢固
7
户外使用一段时间后,建议定期检查螺丝是否松动,及时紧固以保证连接稳定性

法思特梅花带柱平圆头自攻钉不锈钢 ST6*20
价格:¥0.2716
购买数量
个
(1000个/盒,最小起订量1个,递增量:1)







