

- 商品参数
- 商品详情
商品参数
| 属性 | 参数值 |
|---|---|
| 商品目录 | 六角华司钻尾 |
| 表面处理 | 洗白 |
| 材质 | 410不锈钢 |
| 属性 | 参数值 |
|---|---|
| 规格 | ST5.5-1.05*32 |
| 附加特征 | 带PVC垫 |
商品详情
产品特点 FEATURES
1
材质选用410不锈钢,表面经洗白处理,具备良好的耐腐蚀性能,适用于多种环境下的金属连接需求
2
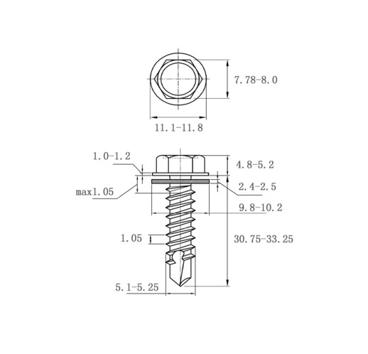
采用六角华司头部设计,配合六角套筒工具可实现高效拧紧,头部直径范围11.1-11.8mm,高度7.78-8.0mm,结构稳固
3
钻尾自攻一体结构,无需预先打孔,螺纹规格为ST5.5-1.05,总长度32mm,钻尾部分尺寸5.1-5.25mm,可快速穿透金属基材(如彩钢板、薄钢板等)
4
附带PVC垫,厚度1.0-1.2mm,能有效增强连接部位的密封性,防止水分渗入,同时起到防松作用,提升连接可靠性
5
螺纹精度符合行业标准,配合紧密,确保安装后连接牢固不易松动
产品介绍 INTRODUCTION
使用场景 APPLICATIONS
1
建筑领域:彩钢板墙体、屋顶的拼接固定,钢结构框架的辅助连接,铝合金门窗边框与金属基材的安装
2
工业制造:电器设备外壳、金属机箱的组装固定,机械设备上金属部件的连接
3
户外设施:金属护栏、广告牌支架、交通标识牌的安装固定,光伏支架与金属基座的连接
4
家具行业:金属家具(如铁艺床、货架)的部件组装,金属抽屉导轨与柜体的固定
注意事项 PRECAUTIONS
1
安装前需确认基材厚度适配钻尾长度,避免因基材过厚导致螺丝无法完全穿透或过薄造成穿透过度损坏背面物品
2
使用合适扭矩的电钻或手动工具进行安装,避免过度拧紧导致螺丝断裂、PVC垫变形或基材凹陷
3
PVC垫应保持清洁无破损,安装时确保其与华司头部紧密贴合,无移位,以保证密封防松效果
4
410不锈钢虽耐腐蚀,但长期暴露于强酸、强碱或高盐雾环境下仍需注意防护,定期检查连接状态
5
安装过程中请佩戴防护眼镜,防止钻孔产生的金属碎屑飞溅伤及眼睛
6
未使用的螺丝应存放于干燥通风处,避免潮湿环境导致生锈,影响使用性能

法思特六角华司钻尾不锈钢 ST5.5-1.05*32(带PVC垫)
价格:¥0.1422
购买数量
个
(1000个/盒,最小起订量1个,递增量:1)







