


法思特十字沉头自攻钉(粤标)不锈钢 ST4*16
- 工业品
价格:¥0.0411价格含税(税率13%)
- 品牌名称
- FAST(法思特)
- 商品型号
- 155693
- 商品编号
- C49351524
- 商品毛重
1.019克(g)
- 材质 304不锈钢
- 规格 ST4*16
广东仓0
购买数量
个
(1000个/盒,最小起订量1个,递增量:1)
总价金额:
¥0.00近期成交0单
- 商品参数
- 商品详情
商品参数
| 属性 | 参数值 |
|---|---|
| 商品目录 | 十字槽沉头自攻螺钉 |
| 材质 | 304不锈钢 |
| 属性 | 参数值 |
|---|---|
| 规格 | ST4*16 |
| 表面处理 | 洗白 |
商品详情
产品特点 FEATURES
1
材质优质:采用304不锈钢材质,具备良好的耐腐蚀性能,适用于多种环境,不易生锈,使用寿命长
2
结构设计:十字沉头结构,安装后表面平整美观,可有效减少突出带来的刮蹭风险;自攻螺纹设计,可在木材、塑料、薄金属等合适材料上直接自攻钻孔安装,无需预先攻丝,安装便捷高效
3
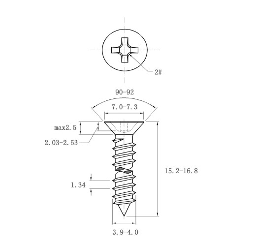
规格精准:规格为ST4*16,尺寸参数严格遵循标准:头部直径7.0 - 7.3mm,头部高度最大2.5mm,螺纹部分直径范围2.03 - 2.53mm,螺纹牙距1.34mm,总长度15.2 - 16.8mm,杆部直径3.9 - 4.0mm,头部槽型适配2#十字批头,符合粤标要求,品牌法思特(FAST)工艺成熟,品质稳定
4
表面处理:表面洗白处理,提升外观整洁度,同时增强表面防护,进一步优化耐腐蚀性能
5
品牌保障:法思特(FAST)品牌出品,工艺成熟,品质稳定,符合工业级紧固件标准,适配多种MRO场景需求
产品介绍 INTRODUCTION
使用场景 APPLICATIONS
1
家具制造:适用于木质、板式家具的组装,如衣柜、书桌、橱柜等,可固定板材、五金配件,确保结构稳固
2
装修装饰:在室内装修中,用于石膏板、薄木板、密度板等材料的固定,如吊顶、背景墙、踢脚线安装
3
电器设备:电器外壳、内部组件的安装固定,如家电、办公设备、电子仪器的外壳组装,满足轻量化、耐腐蚀的安装需求
4
金属薄板连接:针对厚度适配的金属薄板(如镀锌板、铝合金薄板等,需满足自攻条件),可实现快速连接,如配电箱、金属货架、门窗框架的辅助固定
5
塑料制品装配:塑料外壳、塑料构件的组装,如玩具、塑料家具、塑料箱体的连接,利用自攻螺纹实现可靠固定
6
门窗安装:门窗附属配件(如合页、锁具、密封件)的固定,尤其在铝合金、塑钢门窗的轻质结构安装中,提供稳定连接
注意事项 PRECAUTIONS
1
工具适配:需使用2#十字批头的螺丝刀进行安装,确保批头与螺丝槽型匹配,避免拧花螺丝头部
2
材料适配:安装前确认被固定材料的材质、厚度及硬度,确保自攻螺纹可有效攻入且不会因材料过硬导致螺丝断裂或过软导致固定不牢,推荐用于木材、塑料、厚度适配的薄金属等材料
3
安装操作:安装时匀速施加扭矩,避免用力过猛导致螺丝变形、断裂或被固定材料损坏;若需预钻孔,需确保孔径小于螺丝杆部直径(3.9 - 4.0mm),以保证螺纹咬合
4
存储维护:存放时应置于干燥、通风环境,避免与强腐蚀性物质(如强酸、强碱)接触,防止不锈钢材质因环境因素锈蚀;使用前检查螺丝外观,若发现螺纹损坏、头部变形等问题,禁止使用
5
扭矩控制:根据被固定材料的特性合理控制安装扭矩,扭矩过大易导致螺丝断裂或材料损坏,扭矩过小则固定不牢,可通过试装调整至合适力度

法思特十字沉头自攻钉(粤标)不锈钢 ST4*16
价格:¥0.0411
购买数量
个
(1000个/盒,最小起订量1个,递增量:1)







