


法思特十字沉头机螺钉(粤标)不锈钢 M3*5
- 工业品
价格:¥0.0313价格含税(税率13%)
- 品牌名称
- FAST(法思特)
- 商品型号
- GZS239132
- 商品编号
- C49350893
- 商品毛重
0.283克(g)
- 材质 304不锈钢
- 规格 M3*5
广东仓0
购买数量
个
(1000个/盒,最小起订量1个,递增量:1)
总价金额:
¥0.00近期成交0单
- 商品参数
- 商品详情
商品参数
| 属性 | 参数值 |
|---|---|
| 商品目录 | 十字槽沉头机螺钉 |
| 材质 | 304不锈钢 |
| 属性 | 参数值 |
|---|---|
| 规格 | M3*5 |
| 表面处理 | 洗白 |
商品详情
产品特点 FEATURES
1
材质优势:采用304不锈钢材质,耐腐蚀性与抗氧化性优异,能在潮湿、轻微腐蚀等环境下长期使用,延长产品使用寿命。
2
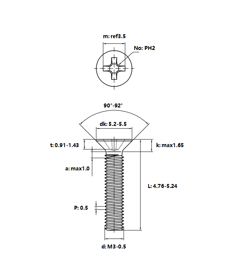
结构设计:十字沉头结构,头部角度为90°-92°,安装后可使工件表面平整无凸起,避免干涉或影响外观;十字槽适配PH2十字批头(图纸标注No:PH2),安装操作便捷且精度高。
3
规格精准:螺纹规格为M3 - 0.5(螺距P:0.5),螺杆长度L:4.76 - 5.24,头部直径dk:5.2 - 5.5,头部厚度t:0.91 - 1.43等,尺寸参数严格遵循粤标,与配套工件安装适配性强,螺纹精度高,不易滑丝。
4
表面处理:采用洗白工艺,表面整洁光亮,兼具防锈性能,提升外观质感的同时增强抗腐蚀能力,适用于对外观和防锈有要求的场景。
5
标准化生产:符合粤标规范,生产精度高,图纸标注的头部角度、螺距、头部直径等尺寸严格把控,产品一致性与互换性佳,便于批量采购与安装。
产品介绍 INTRODUCTION
使用场景 APPLICATIONS
1
电子设备领域:电脑机箱、手机外壳、打印机、小家电等电子设备的组装,沉头设计保证设备表面平整,304不锈钢防锈,适配精密安装需求。
2
家具制造:板式家具(如衣柜、书桌)的板材连接,金属家具(如不锈钢柜)的部件固定,沉头结构隐藏于工件内,保持表面美观,不锈钢材质延长五金件寿命。
3
机械设备安装:小型电机、泵类、仪器仪表底座等零部件固定,M3规格适合轻载连接,沉头设计避免设备运行时干涉,不锈钢材质适应工作环境。
4
仪器仪表行业:传感器、控制器、仪表盘等精密仪器的外壳或内部组件固定,十字沉头便于精准安装,标准化尺寸保证与仪器壳体适配,不锈钢材质防腐蚀影响精度。
5
建筑装饰:金属装饰板材(如不锈钢幕墙)的拼接,五金配件(如合页、拉手)的安装,沉头设计使表面平整,不锈钢材质防锈,提升装饰耐久性。
6
汽车配件:小型汽车内饰件、车灯组件、音响外壳等固定,沉头设计满足内饰平整需求,304不锈钢耐腐蚀,适应车内复杂环境。
注意事项 PRECAUTIONS
1
工具选择:需使用PH2规格十字批头(图纸标注No:PH2),确保批头与十字槽精准适配,避免滑丝或损坏螺钉头部。
2
安装扭矩:根据工件材质(塑料、金属、木材等)调整安装扭矩,避免过大导致滑丝、头部变形或工件损坏,过小则连接不牢固,建议试装测试。
3
储存环境:存放于干燥、通风环境,避免潮湿或接触酸性、碱性等腐蚀性气体,防止不锈钢生锈。
4
工件适配:安装前确认工件螺纹孔(匹配M3螺纹)、沉头孔尺寸(头部直径dk:5.2 - 5.5、头部角度90°-92°)适配,避免头部无法沉入或压坏工件。
5
质量检查:使用前检查螺纹、十字槽、表面是否有损伤(如螺纹变形、槽口磨损、锈蚀),有损伤需更换,防止安装失败或影响连接强度。
6
材质配合:与铝合金工件配合时,可使用防咬合剂防止螺纹咬死;与塑料工件配合时,控制扭矩避免螺纹孔碎裂。

法思特十字沉头机螺钉(粤标)不锈钢 M3*5
价格:¥0.0313
购买数量
个
(1000个/盒,最小起订量1个,递增量:1)







