


法思特十字沉头机螺钉(粤标)不锈钢 M2.5*5
- 工业品
价格:¥0.0338价格含税(税率13%)
- 品牌名称
- FAST(法思特)
- 商品型号
- GZS239126
- 商品编号
- C49350853
- 商品毛重
0.197克(g)
- 材质 304不锈钢
- 规格 M2.5*5
广东仓0
购买数量
个
(1000个/盒,最小起订量1个,递增量:1)
总价金额:
¥0.00近期成交0单
- 商品参数
- 商品详情
商品参数
| 属性 | 参数值 |
|---|---|
| 商品目录 | 十字槽沉头机螺钉 |
| 材质 | 304不锈钢 |
| 属性 | 参数值 |
|---|---|
| 规格 | M2.5*5 |
| 表面处理 | 洗白 |
商品详情
产品特点 FEATURES
1
材质特性:采用304不锈钢材质,具备优异的耐腐蚀、耐氧化性能,可适应潮湿、轻度腐蚀等复杂环境,保障长期使用稳定性。
2
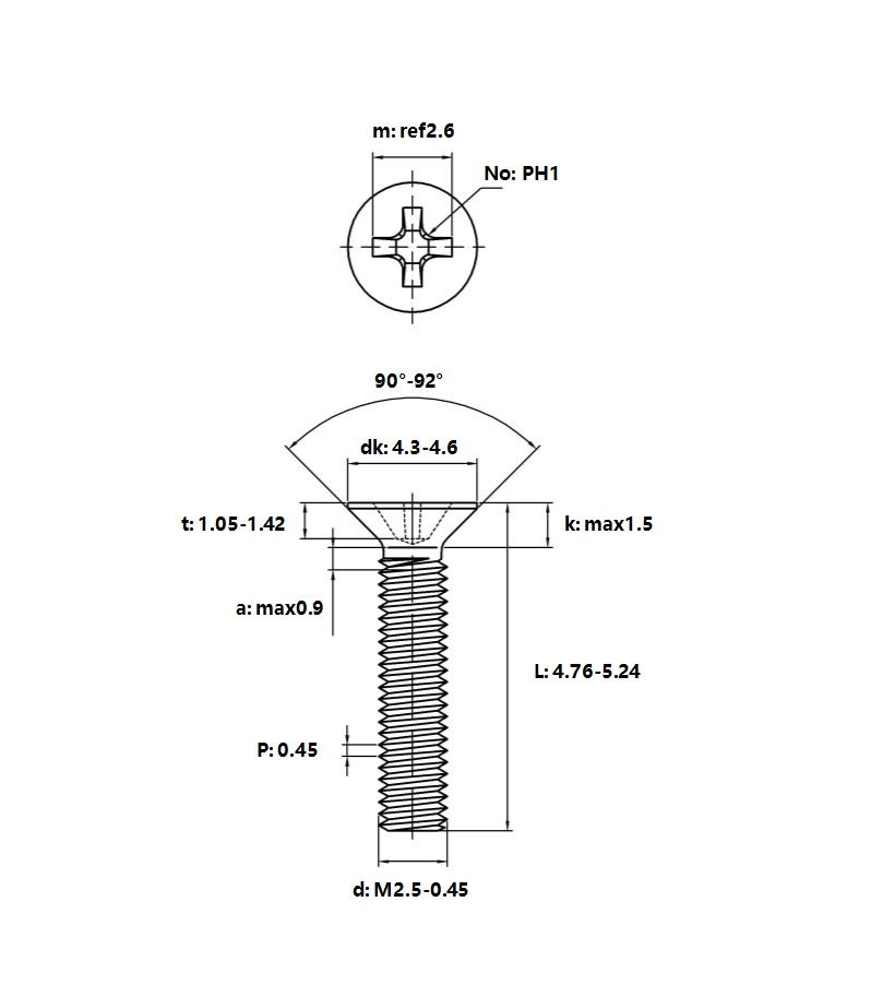
结构设计:十字沉头结构,头部角度90°-92°,dk(头部直径)范围4.3-4.6mm,安装后表面平整,避免凸起干涉;十字槽适配PH1批头(图纸标注No:PH1),便于快速装配。
3
规格参数:规格为M2.5*5,螺纹直径d:M2.5-0.45,螺距P:0.45,头部厚度t:1.05-1.42mm,头部高度k:max1.5mm,螺纹旋入长度L:4.76-5.24mm,尺寸精度高,适配性强。
4
表面处理:表面采用洗白工艺,外观整洁光亮,兼具防锈能力,提升产品使用寿命与视觉效果。
5
标准合规:符合粤标要求,生产工艺与品质管控严格,确保产品性能稳定可靠,可满足精密装配场景需求。
产品介绍 INTRODUCTION
使用场景 APPLICATIONS
1
电子设备制造:如智能手机、平板电脑、电脑主机等内部组件固定,沉头设计保证外壳表面平整,避免划伤或部件干涉。
2
家具行业:板式家具(橱柜、衣柜等)的隐蔽连接,沉头螺钉使表面无凸起,提升家具美观度与使用安全性。
3
医疗器械领域:医疗仪器(如诊断设备、监护仪)的外壳、内部零件装配,304不锈钢材质符合卫生标准,耐腐蚀特性适配医疗清洁消毒环境。
4
仪器仪表装配:精密仪器、仪表的外壳或内部结构固定,沉头设计不影响设备外观与操作,不锈钢材质抗腐蚀,保障长期稳定运行。
5
汽车内饰与小型部件:汽车中控台、车门内饰板、传感器等小型部件安装,沉头结构适配狭小空间,不锈钢材质应对车内复杂环境。
6
机械设备轻量化连接:小型机械设备(如泵体、风机)的非承重部位(外壳、护罩)固定,304不锈钢减轻重量,同时具备足够强度。
注意事项 PRECAUTIONS
1
工具适配:需使用PH1规格的十字批头安装,严禁使用不符规格的工具,避免十字槽滑牙、头部变形。
2
安装扭矩:安装时控制扭矩,避免过大扭矩造成螺纹滑牙、头部断裂或被连接件损坏;沉孔深度需适配头部高度(k:max1.5mm),确保沉头完全嵌入。
3
储存管理:存放于干燥、通风环境,避免与酸、碱等腐蚀性物质接触;建议密封包装储存,减少受潮锈蚀风险。
4
质量检查:使用前检查螺纹完整性、头部是否变形/裂纹、表面是否锈蚀,有缺陷的螺钉禁止使用,防止连接失效。
5
电化学防护:若被连接件为铝合金、铜等材质,建议添加尼龙垫片隔离,避免电化学腐蚀。
6
紧固力度:根据被连接件材质与厚度调整紧固力度,防止过松松动、过紧损坏被连接件。

法思特十字沉头机螺钉(粤标)不锈钢 M2.5*5
价格:¥0.0338
购买数量
个
(1000个/盒,最小起订量1个,递增量:1)







