


法思特十字沉头机螺钉(粤标)不锈钢 M6*18
- 工业品
价格:¥0.1564价格含税(税率13%)
- 品牌名称
- FAST(法思特)
- 商品型号
- GZS239167
- 商品编号
- C49350788
- 商品毛重
3.588克(g)
- 材质 304不锈钢
- 规格 M6*18
广东仓0
购买数量
个
(1000个/盒,最小起订量1个,递增量:1)
总价金额:
¥0.00近期成交0单
- 商品参数
- 商品详情
商品参数
| 属性 | 参数值 |
|---|---|
| 商品目录 | 十字槽沉头机螺钉 |
| 材质 | 304不锈钢 |
| 属性 | 参数值 |
|---|---|
| 规格 | M6*18 |
| 表面处理 | 洗白 |
商品详情
产品特点 FEATURES
1
材质优异:采用304不锈钢材质,具备良好的耐腐蚀、耐氧化性能,适用于多种环境,尤其是潮湿、有轻微腐蚀介质的场景,保障长期使用的稳定性。
2
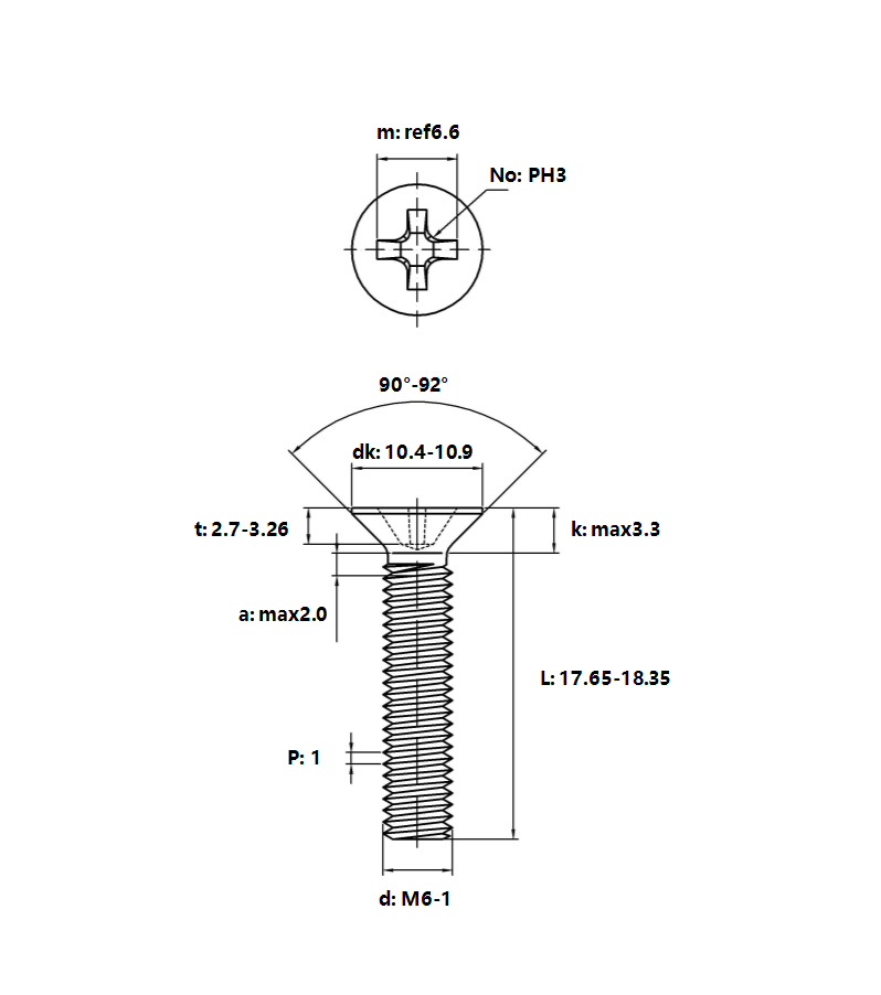
规格精准:规格为M6*18,螺纹规格M6 - 1,螺距P=1,头部相关尺寸:沉头角度90° - 92°,头部直径dk=10.4 - 10.9mm,头部厚度t=2.7 - 3.26mm,杆部长度L=17.65 - 18.35mm,螺纹精度及尺寸符合工艺要求,安装适配性强。
3
结构设计:十字沉头结构,头部沉孔后可使安装表面平整,避免凸起影响外观或造成干涉,十字槽型(No:PH3)适配PH3十字批头,便于机械化、批量化安装操作。
4
表面处理:采用洗白处理,外观整洁,同时增强防锈能力,提升产品在一般环境下的抗锈蚀表现。
5
标准合规:符合粤标要求,生产工艺及质量管控严格,确保产品尺寸精度、机械性能等指标可靠,满足专业装配需求。
产品介绍 INTRODUCTION
使用场景 APPLICATIONS
1
机械设备制造:如机床、电机、泵类等设备的外壳、盖板、零部件连接,沉头设计保证设备表面平整,避免操作时剐蹭,304不锈钢材质应对设备内部可能的潮湿或油污环境。
2
电子电器领域:通讯设备、仪器仪表、家电(如厨房电器)的内部固定,沉头螺钉不影响设备内部空间布局,不锈钢材质防锈且不影响电子元件性能。
3
家具与家居装修:实木家具、金属家具的拼接,橱柜、卫浴设施的安装,沉头设计使家具表面美观平整,304不锈钢适配厨房、卫生间等潮湿环境。
4
建筑装饰工程:室内外装饰板材(如不锈钢板、铝板)的固定,幕墙、隔断的安装,沉头结构保证装饰面平整,不锈钢材质抵御户外或潮湿环境的腐蚀。
5
医疗器械与食品设备:因304不锈钢符合卫生要求,可用于医疗器械外壳、食品加工设备(如烤箱、消毒柜)的装配,保证卫生安全且防锈。
注意事项 PRECAUTIONS
1
安装工具:需使用PH3规格的十字批头进行安装,避免使用不匹配的批头导致十字槽滑丝或损坏头部。
2
安装扭矩:控制安装扭矩,避免扭矩过大造成螺钉头部变形、螺纹滑牙,或扭矩过小导致连接不牢固,可根据被连接件材质(如金属、塑料、木材)适当调整。
3
储存环境:应存放于干燥、通风的环境,避免与腐蚀性物质(如酸碱、盐雾)接触,防止不锈钢材质因环境因素提前锈蚀,影响使用性能。
4
使用前检查:安装前检查螺钉的螺纹完整性、头部十字槽是否清晰、表面是否有锈蚀或损伤,若有缺陷应及时更换,避免安装后出现松动、滑丝等问题。
5
材质适配:与不同材质工件配合时,若工件为非不锈钢材质(如普通碳钢、铝合金),需考虑电化学腐蚀风险,必要时采用绝缘垫片或涂层隔离,延长连接部位的使用寿命。

法思特十字沉头机螺钉(粤标)不锈钢 M6*18
价格:¥0.1564
购买数量
个
(1000个/盒,最小起订量1个,递增量:1)







