


法思特十字大扁头机螺钉(粤标)不锈钢 M5*35
- 工业品
价格:¥0.1902价格含税(税率13%)
- 品牌名称
- FAST(法思特)
- 商品型号
- 155866
- 商品编号
- C49350373
- 商品毛重
5.343克(g)
- 材质 304不锈钢
- 表面处理 洗白
广东仓0
购买数量
个
(1000个/盒,最小起订量1个,递增量:1)
总价金额:
¥0.00近期成交0单
- 商品参数
- 商品详情
商品参数
| 属性 | 参数值 |
|---|---|
| 商品目录 | 十字槽大扁头机螺钉 |
| 材质 | 304不锈钢 |
| 属性 | 参数值 |
|---|---|
| 表面处理 | 洗白 |
| 规格 | M5*35 |
商品详情
产品特点 FEATURES
1
材质优异:采用304不锈钢材质,具备良好的耐腐蚀、防锈性能,化学稳定性强,能在潮湿、轻度腐蚀环境下长期保持连接稳固,适用于对防锈要求较高的场景
2
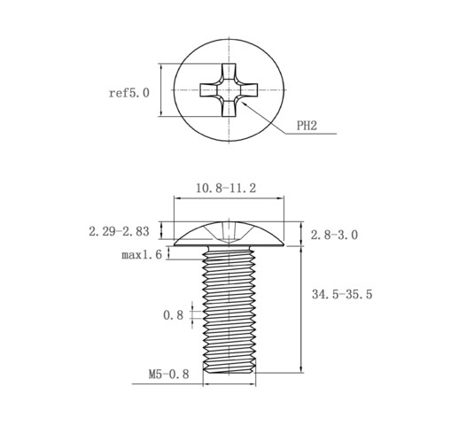
规格精准:螺钉规格为M5*35,螺纹牙距0.8mm,螺纹有效长度范围34.5 - 35.5mm;头部直径10.8 - 11.2mm,头部厚度2.29 - 2.83mm,十字槽规格为PH2,符合粤标设计标准,尺寸精度高,安装适配性强
3
结构设计:采用十字大扁头结构,头部接触面积大,安装时可分散压力,减少对被连接件表面的损伤,适合薄型工件或对表面保护要求高的连接场景;十字槽设计便于使用PH2批头快速装配,提升安装效率
4
表面处理:表面经洗白工艺处理,外观整洁,兼具防锈辅助作用与不锈钢金属质感,视觉效果简洁大方
5
技术参数清晰:从技术图纸可知,螺纹牙距0.8mm,头部参考尺寸ref5.0,十字槽规格PH2,整体尺寸公差严格,确保与配套零部件精准适配
产品介绍 INTRODUCTION
使用场景 APPLICATIONS
1
电子电器行业:如通讯设备、电脑机箱、家电产品的内部连接,304不锈钢材质避免腐蚀影响电路稳定性,大扁头设计可保护设备外壳等薄型部件表面
2
家具制造领域:木质、金属家具(含户外家具、浴室家具)的组装,不锈钢材质抵御潮湿环境的锈蚀,大扁头增强连接稳定性,防止薄型板材变形
3
医疗器械装配:医疗设备(如诊断仪器、护理器械)的零部件连接,304不锈钢符合卫生要求,高精度规格确保设备运行时连接牢固,无松动风险
4
食品机械应用:食品加工设备(如烘焙设备、饮品生产线)的安装,不锈钢材质满足食品级卫生标准,耐腐蚀特性适应频繁清洁消毒的环境
5
建筑装修工程:室内外装饰件(如门窗五金、卫浴挂件)、轻质建材的固定,大扁头设计美观且连接牢固,不锈钢材质应对潮湿、氧化环境
6
汽车轻量化改装:部分汽车内饰(如仪表台装饰件)、外饰(如轻量化护板)的改装连接,304不锈钢防锈且强度适配薄型板材连接需求
注意事项 PRECAUTIONS
1
工具选择:需使用PH2规格的十字批头,严禁使用规格不符的工具,避免十字槽损坏、螺钉滑牙或批头磨损
2
安装扭矩:根据被连接件材质(如塑料、金属、木材)和厚度合理控制拧紧扭矩,扭矩过大易导致螺钉变形/断裂、工件损伤,扭矩过小则连接不牢固
3
存储要求:存放于干燥、通风的环境,远离腐蚀性物质(如酸碱溶液、盐雾),避免表面锈蚀影响使用性能
4
质量查验:使用前检查螺钉的螺纹、头部、十字槽是否有损伤(如变形、毛刺、锈蚀),确保无缺陷后再安装,防止安装后松动或无法拧紧
5
场景适配:对于超高强度连接场景(如重型机械核心部件),需确认304不锈钢的强度是否满足,必要时更换更高强度等级的紧固件;安装时避免强行拧入,防止螺纹损坏

法思特十字大扁头机螺钉(粤标)不锈钢 M5*35
价格:¥0.1902
购买数量
个
(1000个/盒,最小起订量1个,递增量:1)







