


法思特内六角平圆头带垫机螺钉不锈钢 M5*12
- 工业品
价格:¥0.103价格含税(税率13%)
- 品牌名称
- FAST(法思特)
- 商品型号
- GZS236405
- 商品编号
- C49350011
- 商品毛重
2.527克(g)
- 表面处理 洗白
- 材质 304不锈钢
广东仓0
购买数量
个
(1000个/盒,最小起订量1个,递增量:1)
总价金额:
¥0.00近期成交0单
- 商品参数
- 商品详情
商品参数
| 属性 | 参数值 |
|---|---|
| 商品目录 | 内六角平圆头带垫机螺钉 |
| 表面处理 | 洗白 |
| 属性 | 参数值 |
|---|---|
| 材质 | 304不锈钢 |
| 规格 | M5*12 |
商品详情
产品特点 FEATURES
1
材质性能:采用304不锈钢材质,具备优异的耐腐蚀性、抗氧化性,可适应潮湿、多尘或轻度腐蚀的工作环境,且符合医用卫生级应用要求,适用于对卫生、防锈要求高的场景(如医疗器械、食品设备)
2
结构设计:内六角平圆头带垫结构,带垫设计可增大与被连接件的接触面积,分散拧紧力,防止被连接件(如薄板、塑料件)变形,同时增强连接的防滑、防松动效果;内六角驱动方式便于狭小空间(如设备内部、家具缝隙)的精准安装,且能有效控制拧紧扭矩
3
表面处理:采用洗白表面处理工艺,外观整洁美观,进一步强化防锈性能,减少因潮湿、氧化导致的表面锈蚀,提升产品使用寿命,适配对外观要求较高的家具、厨卫等场景
4
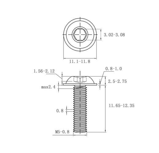
规格参数:螺纹规格为M5,长度12mm,螺纹牙距0.8mm(M5 - 0.8),头部直径11.1 - 11.8mm,带垫相关尺寸(如带垫厚度1.56 - 2.12mm等)精确,确保与M5规格的螺纹孔、被连接件孔径适配,满足高精度装配需求
5
制造精度:技术图纸显示各部位尺寸公差控制严格(如头部直径公差11.1 - 11.8mm、螺纹牙距0.8mm等),保证批量生产的一致性,便于标准化装配作业,降低安装误差,提升装配效率与质量
产品介绍 INTRODUCTION
使用场景 APPLICATIONS
1
机械设备领域:适用于机床、工程机械、印刷设备等机械设备的零部件连接,304不锈钢材质耐磨损、耐腐蚀,适应设备长期运行的复杂环境;带垫设计可分散压力,防止设备外壳、薄板类零件因拧紧力过大变形,内六角结构便于设备内部狭窄空间安装
2
电子通讯领域:用于电子仪器(如示波器)、通讯基站设备、计算机机箱等内部组件固定,带垫设计避免压损电路板、塑料外壳,304不锈钢防锈特性防止电子元件短路,内六角驱动确保安装扭矩控制,避免损坏元件
3
家具家居领域:在不锈钢家具(如橱柜)、厨卫设施(如水槽)组装中,洗白表面美观防锈,提升家具寿命;带垫设计增强连接稳定性,防止部件因日常使用松动,M5*12规格适配多数家具板材连接
4
医疗器械领域:用于医疗设备(如诊断仪器)、器械(如镊子组件)连接,304不锈钢符合医用卫生标准,确保卫生安全,精确尺寸公差保证装配精度,不影响设备性能
5
仪器仪表领域:在光学仪器(如显微镜)、计量设备(如天平)中,严格尺寸参数确保安装稳固,不影响仪器测量精度、光学性能,内六角结构便于精准控制拧紧力矩
6
汽车交通领域:适用于汽车内饰件(如不锈钢装饰条)、摩托车配件(如仪表盘)安装,304不锈钢防锈耐腐蚀,适应户外环境;带垫设计保护内饰件表面,提升耐用性
注意事项 PRECAUTIONS
1
工具适配:使用适配的内六角扳手(尺寸匹配3.02 - 3.08mm内六角孔),避免螺钉头部滑牙、内六角孔损坏,影响拆卸安装
2
安装检查:确认被连接件螺纹孔规格(M5 - 0.8)、孔径、深度适配;检查螺钉表面无损伤、螺纹无变形,确保安装顺畅
3
拧紧规范:避免过度拧紧,根据被连接件材质(塑料、金属等)调整力度,防止被连接件变形、螺钉滑丝;安装时确保螺钉与被连接件表面垂直,带垫部位完全贴合
4
储存防护:存放在干燥通风环境,避免直接接触地面墙面;长期储存建议密封包装,防止潮湿生锈;强腐蚀场景(如化工设备)需额外防护(如涂防锈油)或更换材质
5
载荷评估:承重、受力场景需通过力学计算确认承载能力,必要时增加螺钉数量或更换高强度螺钉,避免连接失效、设备损坏

法思特内六角平圆头带垫机螺钉不锈钢 M5*12
价格:¥0.103
购买数量
个
(1000个/盒,最小起订量1个,递增量:1)







