


法思特内六角平圆头机螺钉不锈钢 M6*28
- 工业品
价格:¥0.1912价格含税(税率13%)
- 品牌名称
- FAST(法思特)
- 商品型号
- 210596
- 商品编号
- C49349824
- 商品毛重
5.802克(g)
广东仓0
购买数量
个
(1000个/盒,最小起订量1个,递增量:1)
总价金额:
¥0.00近期成交0单
- 商品参数
- 商品详情
商品参数
参数完善中
商品详情
产品特点 FEATURES
1
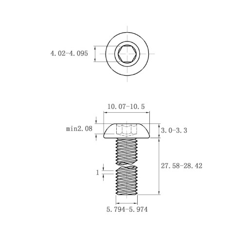
品牌与工艺:品牌为FAST(法思特),型号210596,采用精密加工工艺,尺寸公差严格把控,如头部直径10.07 - 10.5mm、头部高度3.0 - 3.3mm、内六角对边距离4.02 - 4.095mm、螺纹直径5.794 - 5.974mm、螺纹长度27.58 - 28.42mm,确保装配适配性与连接稳定性。
2
材质性能:选用不锈钢材质,具备优异的耐腐蚀、抗氧化性能,长期使用不易生锈,同时兼具良好的强度与韧性,抗冲击、抗疲劳,适配潮湿、弱腐蚀等复杂工况。
3
结构设计:平圆头设计降低安装后突出高度,减少对安装面的干涉与刮擦;内六角孔结构便于狭小空间操作,适配对应规格内六角扳手,安装拆卸便捷。
4
螺纹参数:公称直径M6,螺距1mm(适配M6标准螺纹孔),螺纹精度高,有效啮合长度长(螺纹长度27.58 - 28.42mm),保障连接强度与可靠性。
5
表面与外观:不锈钢本色表面,无需额外处理即可保持耐腐蚀与外观一致性,安装后整体美观整洁,适用于对外观要求较高的场景。
产品介绍 INTRODUCTION
使用场景 APPLICATIONS
1
机械设备:机床、自动化设备、工程机械等的零部件连接,内六角设计适配狭小空间操作,不锈钢材质抗腐蚀,保障设备长期稳定运行。
2
电子电器:电脑机箱、服务器机柜、仪器仪表外壳紧固,不锈钢防潮湿锈蚀,平圆头提升设备外观整洁度。
3
家具制造:金属货架、办公桌支架、木质家具(防腐蚀连接)等紧固,不锈钢适配潮湿、清洁液侵蚀场景,延长家具寿命。
4
建筑装饰:室内外不锈钢栏杆、扶手、幕墙配件连接,材质一致避免电化学腐蚀,平圆头使安装面更平整,提升装饰效果。
5
医疗与食品机械:手术器械台、食品加工生产线等卫生级场景,不锈钢符合卫生要求,耐腐蚀、易清洁。
6
汽车摩托:内饰件、灯具支架等小型部件连接,不锈钢抗振动、抗腐蚀,保障车辆连接结构可靠性。
注意事项 PRECAUTIONS
1
工具适配:使用对边距离4.02 - 4.095mm的内六角扳手,避免尺寸不符导致内六角孔滑牙、损坏。
2
扭矩控制:根据被连接件材质、厚度合理控制安装扭矩,过紧易使螺纹变形、被连接件损坏,过松则连接松动。
3
环境防护:避免与强酸、强碱、强氧化性化学品长期直接接触,特殊腐蚀环境需提前做耐腐蚀测试或防护。
4
储存运输:储存于干燥通风环境,避免潮湿导致不锈钢表面氧化;运输时避免剧烈碰撞、挤压,防止螺钉变形、螺纹损坏。
5
螺纹清洁:安装前清理螺纹孔与螺钉螺纹的杂质(铁屑、灰尘、油污),确保螺纹啮合紧密,提升连接强度。
6
规格匹配:严格按设计要求选用M6*28规格,不得随意替换直径、长度、螺距的螺钉,避免连接失效。

法思特内六角平圆头机螺钉不锈钢 M6*28
价格:¥0.1912
购买数量
个
(1000个/盒,最小起订量1个,递增量:1)







