


法思特内六角平圆头机螺钉不锈钢 M5*15
- 工业品
价格:¥0.0982价格含税(税率13%)
- 品牌名称
- FAST(法思特)
- 商品型号
- GZS229155
- 商品编号
- C49349571
- 商品毛重
2.607克(g)
广东仓0
购买数量
个
(1000个/盒,最小起订量1个,递增量:1)
总价金额:
¥0.00近期成交0单
- 商品参数
- 商品详情
商品参数
参数完善中
商品详情
产品特点 FEATURES
1
材质性能:采用不锈钢材质,具备出色的耐腐蚀性能,可在潮湿、轻度腐蚀等环境下稳定使用,兼具强度与耐候性,有效延长螺丝使用寿命。
2
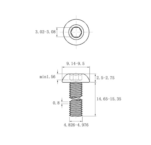
结构设计:内六角平圆头结构,内六角对边尺寸3.02 - 3.08mm,适配内六角扳手,安装操作精准且受力均匀;平圆头设计(头部直径9.14 - 9.5mm,头部高度2.5 - 2.75mm、最小头部高度1.56mm),安装后表面平整美观,减少空间占用,适合对外观要求较高的装配场景。
3
规格精度:公称直径M5,螺丝长度(螺纹部分)14.65 - 15.35mm,螺纹直径4.826 - 4.976mm,螺距0.8mm,各部位尺寸公差严格(如头部直径、内六角对边等均有明确公差范围),保证与配套部件的安装适配性,提升连接稳定性。
4
安装优势:内六角设计便于狭小空间操作,平圆头造型美观且不突出,适用于表面要求平整的结构装配;不锈钢材质无需额外表面处理即可满足多数耐腐蚀场景需求,降低后期维护成本。
产品介绍 INTRODUCTION
使用场景 APPLICATIONS
1
电子电器领域:电脑机箱、通讯设备、小家电等内部组装,内六角设计适配狭小空间操作,不锈钢材质防腐蚀,保障设备内部清洁与性能稳定。
2
精密仪器行业:光学仪器、测量设备、医疗器械等精密部件连接,高精度尺寸保证安装精度,平圆头设计不划伤设备表面,不锈钢材质满足卫生与耐腐蚀要求。
3
家具制造场景:办公家具、家居五金(如抽屉、柜门铰链)装配,平圆头造型美观且不硌手,不锈钢材质防潮防锈,提升家具耐用性与美观度。
4
工业设备组装:机械设备、自动化生产线、模具等的零部件连接,内六角结构便于批量安装操作,不锈钢材质适应工业环境的复杂工况,减少维护成本。
5
卫浴与食品机械:卫浴设备(如水龙头、卫浴挂件)、食品加工机械的组装,不锈钢材质耐腐蚀、卫生无毒,平圆头设计符合表面平整需求,满足食品接触或潮湿环境的使用要求。
6
汽车与小型零部件(如内饰、仪器舱)的轻量化连接,不锈钢材质强度与耐蚀性兼顾,内六角结构便于维修操作,适配紧凑空间的装配需求。
注意事项 PRECAUTIONS
1
工具适配:使用规格匹配的内六角扳手(对边尺寸3.02 - 3.08mm),避免工具过大/过小导致内六角孔损坏、螺丝打滑或扳手变形。
2
扭矩控制:安装时扭矩需适中,过大易造成螺纹滑牙、头部变形,过小则连接松动;建议根据被连接件材质(如塑料、金属)和厚度,参考扭矩标准或进行试装调整。
3
存储要求:长期存储需置于干燥、通风环境,避免潮湿、酸碱、盐雾等极端环境,防止不锈钢表面出现水渍、锈斑或腐蚀,建议使用防潮包装或货架存放。
4
表面维护:不锈钢表面避免与尖锐、粗糙物体接触,防止划伤;清洁时用软布配合中性清洁剂,禁用钢丝球、强酸碱清洁剂,以免破坏表面钝化层。
5
材质确认:在强腐蚀(如化工、海洋)、高温或食品接触场景中,需确认不锈钢具体等级(如304、316等),确保材质耐腐蚀性、卫生性符合使用要求,避免因等级不符导致性能失效。

法思特内六角平圆头机螺钉不锈钢 M5*15
价格:¥0.0982
购买数量
个
(1000个/盒,最小起订量1个,递增量:1)







