


法思特十字小盘头机螺钉平弹垫组合小平垫不锈钢 M4*8
- 工业品
价格:¥0.0734价格含税(税率13%)
- 品牌名称
- FAST(法思特)
- 商品型号
- 210695
- 商品编号
- C49349533
- 商品毛重
1.472克(g)
广东仓0
购买数量
个
(1000个/盒,最小起订量1个,递增量:1)
总价金额:
¥0.00近期成交0单
- 商品参数
- 商品详情
商品参数
参数完善中
商品详情
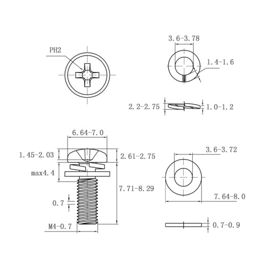
产品特点 FEATURES
1
材质优势:采用不锈钢材质,具备良好的耐腐蚀性,可在潮湿、户外等易生锈环境下使用,有效延长产品使用寿命。
2
结构设计:十字小盘头设计,搭配平弹垫与小平垫组合,安装时适配PH2批头,操作便捷;弹垫可增强防松性能,平垫能分散紧固压力、保护被连接件表面,整体组合结构提升紧固的稳定性与可靠性。
3
规格参数:螺钉规格为M4*8,螺纹规格M4 - 0.7,盘头直径6.64 - 7.0mm、高度max4.4mm,弹垫(直径3.6 - 3.78mm、厚度1.4 - 1.6mm等)、平垫(直径7.64 - 8.0mm、厚度0.7 - 0.9mm等)尺寸严格遵循标准,确保安装适配性与精度。
产品介绍 INTRODUCTION
使用场景 APPLICATIONS
1
电子设备领域:适用于电脑机箱、打印机、通讯设备等内部组件的装配,不锈钢材质防锈且组合结构防松,保障设备长期稳定运行。
2
机械设备制造:小型仪器仪表、传动装置等零部件的连接,平垫可分散压力保护精密部件表面,弹垫防止振动松脱。
3
家具与家居装修:木质或金属家具(如橱柜、桌椅)的组装,不锈钢材质适配潮湿或干燥环境,提升家具耐用性。
4
户外设施安装:户外灯具、健身器材等的固定,耐腐蚀的不锈钢材质可抵御户外环境影响,组合结构确保连接稳固。
5
电器维修改装:家电、小家电的维修或个性化改装,标准化规格便于替换原有紧固件,保障维修质量。
注意事项 PRECAUTIONS
1
工具适配:安装时需使用PH2规格的十字批头,确保拧入过程中受力均匀,避免损坏螺钉头部。
2
扭矩控制:安装扭矩需合理把控,避免过紧导致被连接件变形、螺钉或弹垫/平垫损坏,建议根据被连接件材质调整扭矩。
3
储存要求:储存时应放置于干燥、防潮的环境中,可采用密封包装或涂抹防锈剂,防止不锈钢材质生锈。
4
使用前检查:安装前需检查螺钉螺纹是否完好、弹垫和平垫是否无变形/裂纹/损伤,确保紧固件性能正常。
5
适配调整:针对较软材质的被连接件(如塑料、木材),可适当增加平垫面积或降低安装扭矩,避免压溃被连接件表面。

法思特十字小盘头机螺钉平弹垫组合小平垫不锈钢 M4*8
价格:¥0.0734
购买数量
个
(1000个/盒,最小起订量1个,递增量:1)







