


法思特十字小盘头机螺钉平弹垫组合小平垫不锈钢 M2.5*12
- 工业品
价格:¥0.0526价格含税(税率13%)
- 品牌名称
- FAST(法思特)
- 商品型号
- 210694
- 商品编号
- C49349532
- 商品毛重
0.555克(g)
广东仓0
购买数量
个
(1000个/盒,最小起订量1个,递增量:1)
总价金额:
¥0.00近期成交0单
- 商品参数
- 商品详情
商品参数
参数完善中
商品详情
产品特点 FEATURES
1
材质性能:采用不锈钢材质,具备优异的耐腐蚀、防锈性能,可适应潮湿、腐蚀性环境或对防锈要求高的场景,延长紧固件使用寿命。
2
结构设计:为十字小盘头机螺钉+平弹垫+小平垫的组合形式,安装时无需额外准备垫片,提升装配效率;十字小盘头头部美观,受力分布均匀,可减少对被连接件表面的损伤,且适配PH1规格十字螺丝刀,操作便捷。
3
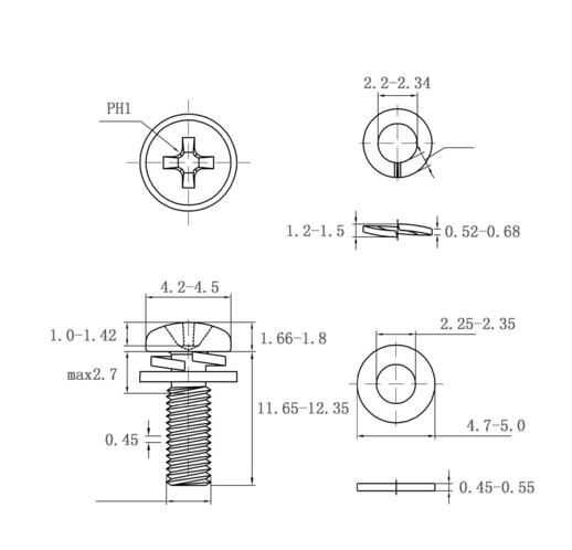
规格参数:螺钉规格为M2.5×12,螺纹公称直径2.5mm,螺杆有效长度约11.65 - 12.35mm;十字槽类型为PH1,头部直径4.2 - 4.5mm、头部高度最大2.7mm;平垫外径4.7 - 5.0mm、内径2.25 - 2.35mm、厚度0.45 - 0.55mm;弹垫宽度1.2 - 1.5mm、厚度0.52 - 0.68mm,尺寸公差严格,保障连接精度。
4
精度保障:生产遵循高精度尺寸公差标准,螺钉、平垫、弹垫的尺寸一致性强,适配电子、仪器等对精度要求高的场景,确保连接稳定。
产品介绍 INTRODUCTION
使用场景 APPLICATIONS
1
电子设备装配:适用于手机、电脑、平板电脑等数码产品的电路板、外壳等组件连接,M2.5×12规格适配紧凑空间,不锈钢材质防锈,十字小盘头设计美观且不遮挡元件。
2
机械设备安装:小型电机、泵类、传动装置等的零部件(如端盖、支架)固定,平弹垫组合防松,应对设备振动、油污环境,保障设备运行稳定。
3
家具制造:木质/金属家具(如抽屉滑轨、柜门合页)组装,小盘头外观简洁,不锈钢材质适配室内/户外场景,平垫找平、弹垫防松,提升家具稳固性。
4
家电生产维修:冰箱、洗衣机、小家电的内部结构固定或维修,M2.5规格适配紧凑空间,组合垫片增强连接稳定性,防止家电运行时紧固件松脱。
5
仪器仪表组装:精密实验设备、测量仪器的内部零件连接,高精度尺寸保障仪器精度,不锈钢材质避免腐蚀影响性能。
6
五金工具与模具:小型工具(如螺丝刀手柄)、模具配件(如镶件)连接,平弹垫组合防松承压,不锈钢材质适配高频使用场景。
注意事项 PRECAUTIONS
1
工具适配:使用PH1规格十字螺丝刀,避免规格不符导致十字槽损坏、螺钉打滑。
2
扭矩控制:根据被连接件材质(塑料/金属/木材)调整扭矩,塑料件防过紧开裂,金属件保障稳固且不过度挤压。
3
储存要求:存放于干燥通风环境,避免潮湿、盐雾侵蚀;不同规格分类存放,防止混用。
4
材质兼容:若被连接件为铝合金、铜等易电偶腐蚀材质,需用绝缘垫片隔离,避免电化学腐蚀。
5
垫片使用:平垫、弹垫为配套设计,勿替换其他规格,确保弹垫防松、平垫承压性能。
6
环境适配:强腐蚀/高温环境使用前,确认不锈钢材质的耐腐蚀、耐热等级,必要时做防护处理。

法思特十字小盘头机螺钉平弹垫组合小平垫不锈钢 M2.5*12
价格:¥0.0526
购买数量
个
(1000个/盒,最小起订量1个,递增量:1)







