


法思特十字小盘头机螺钉平弹垫组合小平垫不锈钢 M5*16
- 工业品
价格:¥0.1507价格含税(税率13%)
- 品牌名称
- FAST(法思特)
- 商品型号
- 219396
- 商品编号
- C49349531
- 商品毛重
3.655克(g)
广东仓0
购买数量
个
(1000个/盒,最小起订量1个,递增量:1)
总价金额:
¥0.00近期成交0单
- 商品参数
- 商品详情
商品参数
参数完善中
商品详情
产品特点 FEATURES
1
材质性能:采用不锈钢材质,具备优异的耐腐蚀、抗氧化性能与机械强度,适配潮湿、轻度腐蚀或对防锈要求高的工况(如医疗设备、户外设施等场景)。
2
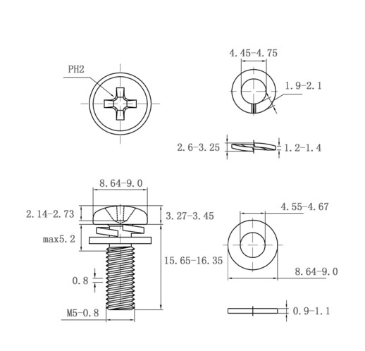
结构设计:为十字小盘头机螺钉、平弹垫、小平垫的一体化组合结构,安装时无需额外准备垫片,大幅简化装配流程;十字小盘头采用PH2槽型,适配标准十字螺丝刀,旋紧操作便捷省力,头部设计美观且减少安装空间占用。
3
规格参数:
4
螺钉:螺纹规格M5×0.8,公称长度16mm(总长度15.65 - 16.35mm),头部直径8.64 - 9.0mm,头部高度2.14 - 2.73mm,螺纹牙型清晰,旋合性良好。
5
弹垫:内径1.9 - 2.1mm(适配螺杆),外径4.45 - 4.75mm,厚度1.2 - 1.4mm,轴向展开长度2.6 - 3.25mm,利用弹性形变实现防松功能。
6
平垫:内径4.55 - 4.67mm,外径8.64 - 9.0mm,厚度0.9 - 1.1mm,可有效分散螺钉压力,避免工件表面损伤。
7
功能优势:组合设计实现“一钉一垫一弹垫”的便捷安装,提升装配效率;不锈钢材质与防松结构结合,保障连接长期稳定,减少设备维护成本。
产品介绍 INTRODUCTION
使用场景 APPLICATIONS
1
电子电器制造:电脑机箱、打印机、冰箱、洗衣机等设备的内部紧固,十字槽设计适配自动化/手动装配工具,不锈钢材质防止内部锈蚀,组合垫片保障连接稳固且不损伤精密电路板、外壳等部件。
2
机械设备装配:小型机床、自动化流水线设备、仪器仪表的零部件连接,M5螺纹规格满足中等载荷需求,弹垫防松特性适用于振动工况(如电机、泵类设备)。
3
家具与装饰工程:木质/金属家具(如办公桌、不锈钢橱柜)、户外景观设施(如不锈钢花架、宣传栏)的安装,不锈钢材质可抵御户外潮湿、日晒环境,组合结构简化现场装配流程。
4
医疗与实验室领域:医疗设备(如不锈钢器械台、分析仪)、实验室仪器的紧固,不锈钢材质符合卫生要求,防松设计确保设备运行安全稳定。
注意事项 PRECAUTIONS
1
安装操作:使用PH2规格十字螺丝刀,旋紧时保持螺丝刀与螺钉垂直,避免偏斜导致十字槽滑丝或工件表面划伤;需控制旋紧扭矩(建议参考行业标准或产品手册),过紧易使弹垫塑性变形、平垫压溃,过松则连接失效。
2
储存管理:产品应存放于干燥、通风的仓储环境,避免堆压导致螺纹变形;需远离强酸、强碱等腐蚀性物质,防止不锈钢表面氧化层破坏。
3
垫片安装:弹垫需确保开口方向正确(开口朝向螺钉头部或工件侧,依设计要求),平垫需紧贴工件表面,避免反向安装影响防松、分散压力的效果。
4
环境适配:虽为不锈钢材质,但长期暴露于高湿度、高盐分(如海边)环境时,建议定期检查表面状态,必要时采用防锈剂维护,延长使用寿命。

法思特十字小盘头机螺钉平弹垫组合小平垫不锈钢 M5*16
价格:¥0.1507
购买数量
个
(1000个/盒,最小起订量1个,递增量:1)







