


法思特内六角圆柱头机螺钉平弹垫组合不锈钢 M6*14
- 工业品
价格:¥0.2942价格含税(税率13%)
- 品牌名称
- FAST(法思特)
- 商品型号
- 159949
- 商品编号
- C49348993
- 商品毛重
6.577克(g)
- 材质 304不锈钢
- 规格 M6*14
广东仓0
购买数量
个
(1000个/盒,最小起订量1个,递增量:1)
总价金额:
¥0.00近期成交0单
- 商品参数
- 商品详情
商品参数
| 属性 | 参数值 |
|---|---|
| 商品目录 | 内六角圆柱头平弹垫三组合 |
| 材质 | 304不锈钢 |
| 属性 | 参数值 |
|---|---|
| 规格 | M6*14 |
| 表面处理 | 洗白 |
商品详情
产品特点 FEATURES
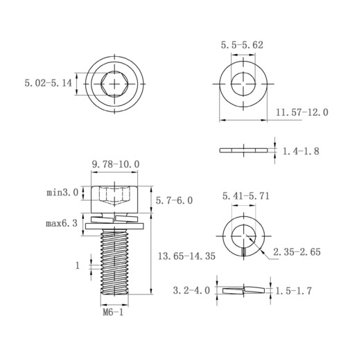
该产品为FAST(法思特)品牌生产的内六角圆柱头机螺钉平弹垫组合件,型号159949,采用304不锈钢材质,具有优异的耐腐蚀性和机械强度,适用于高要求的工业环境。螺钉规格为M6×14,螺纹公差等级为6g,确保良好的配合精度和装配稳定性。表面经过洗白处理,外观整洁,无氧化层,提升防锈性能并便于后续涂装或标识。
该组合件包含内六角圆柱头螺钉、平垫圈和弹簧垫圈三部分,一体化设计有效防止松动,提高连接可靠性。螺钉头部直径控制在5.02-5.14mm之间,整体长度范围为13.65-14.35mm,螺纹长度最小为10.0mm,满足标准安装需求。弹簧垫圈厚度为1.5-1.7mm,提供足够的弹性预紧力;平垫圈外径为11.57-12.0mm,内径为5.5-5.62mm,能均匀分布压力,保护被连接件表面。
结构紧凑,安装便捷,适合自动化装配与手动操作,广泛应用于精密设备、电气柜、仪器仪表及户外金属结构等需要高强度、抗振动连接的场合。
产品介绍 INTRODUCTION
使用场景 APPLICATIONS
适用于各类工业设备中的紧固连接,尤其适合在潮湿、腐蚀性气体或化学环境中长期运行的装置,如:
1
电力设备与配电箱:用于固定面板、接线端子排和外壳部件,保障电气安全与结构稳定。
2
机械制造与自动化设备:作为传动系统、导轨组件或传感器模块的连接件,承受振动和动态载荷。
3
仪器仪表与控制柜:在精密测量设备中提供可靠紧固,避免因松动导致的信号漂移或故障。
4
户外金属结构:如广告牌、护栏、太阳能支架等,利用其耐候性强的特点延长使用寿命。
由于采用304不锈钢材料,特别推荐用于食品加工、制药、海洋工程等对卫生与防腐有严格要求的行业。
注意事项 PRECAUTIONS
1
安装时请使用合适扭矩扳手,建议拧紧扭矩为8-10Nm,避免过紧造成螺纹损伤或垫圈失效。
2
不建议重复使用本产品,尤其是弹簧垫圈,其弹性会随变形而下降,影响防松效果。
3
在高温环境(超过300℃)下长期使用可能导致材料性能退化,应评估是否需更换为更高温等级材料。
4
虽然304不锈钢具备良好耐腐蚀性,但在强酸、强碱或氯离子浓度较高的环境中仍可能产生点蚀,必要时可加装涂层或选用更高等级不锈钢(如316)。
5
储存时应保持干燥通风,避免与碳钢接触,防止电化学腐蚀。
6
若需进行焊接或热处理,请注意热影响区可能引起晶间腐蚀,建议采取适当防护措施。

法思特内六角圆柱头机螺钉平弹垫组合不锈钢 M6*14
价格:¥0.2942
购买数量
个
(1000个/盒,最小起订量1个,递增量:1)







