


法思特加大系列六角头法兰面螺栓不锈钢 M12*45
- 工业品
价格:¥2.16价格含税(税率13%)
- 品牌名称
- FAST(法思特)
- 商品型号
- GZS235928
- 商品编号
- C49348952
- 商品毛重
57.676克(g)
广东仓0
购买数量
个
(1000个/盒,最小起订量1个,递增量:1)
总价金额:
¥0.00近期成交0单
- 商品参数
- 商品详情
商品参数
参数完善中
商品详情
产品特点 FEATURES
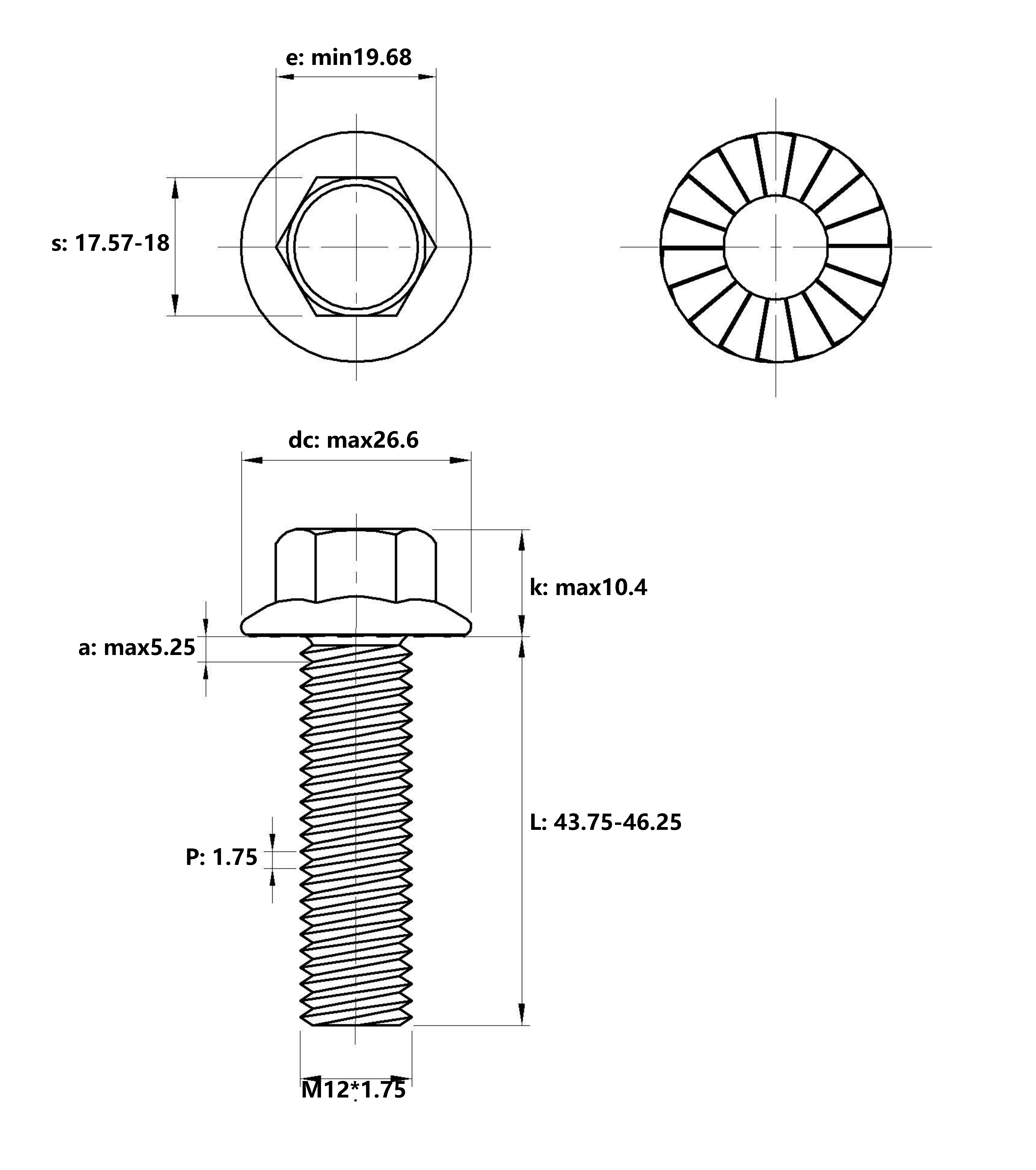
该产品为FAST(法思特)品牌生产的加大系列六角头法兰面螺栓,型号GZS235928,采用不锈钢材质制造,具备优异的耐腐蚀性能和较高的机械强度,适用于高负荷、高环境要求的工业连接场景。螺栓规格为M12×45,螺距为1.75mm,符合国际标准公制螺纹设计,确保与配套螺母及孔位的精准匹配。其头部设计为六角形并带有法兰盘结构,法兰直径最大可达26.6mm,有效增大了承压面积,减小了被连接件表面的压应力,避免因局部压力过大导致的变形或损坏。法兰面边缘设有防滑槽设计,提升安装时的扭矩传递效率,同时防止松动。螺栓总长度范围为43.75-46.25mm,头部高度不超过10.4mm,适合在空间受限但需高强度连接的应用中使用。整体结构经过精密加工,尺寸公差严格控制,保证装配的一致性和可靠性。
产品介绍 INTRODUCTION
使用场景 APPLICATIONS
本款螺栓广泛应用于石油化工、电力设备、轨道交通、工程机械、船舶制造以及建筑钢结构等领域,特别适合需要抗振动、抗腐蚀且承受较大拉力或剪切力的连接部位。例如:用于固定大型阀门、泵体、电机底座、管道支吊架、金属框架结构等关键部件。由于其不锈钢材质特性,尤其适用于潮湿、盐雾、酸碱性气体等腐蚀性环境下的长期服役。此外,法兰面设计使其在薄板连接或软质材料连接时表现出色,能够均匀分布载荷,减少垫片或密封件的应力集中,提高连接系统的稳定性和使用寿命。
注意事项 PRECAUTIONS
1
安装前请确认被连接件的孔径与螺栓公称直径相匹配,建议配合相应规格的螺母和垫圈使用,以增强连接稳定性。
2
建议使用扭矩扳手进行紧固,推荐预紧力矩参考值约为100-120N·m(具体依据实际工况调整),避免过紧导致螺纹拉伤或材料疲劳。
3
在高温或低温极端环境下使用时,需考虑材料热膨胀系数差异,必要时应选用专用润滑剂或防松装置。
4
虽然不锈钢具有良好的耐腐蚀性,但在强氯离子环境中(如沿海地区或海水接触区域)仍建议定期检查是否有点蚀现象,并及时维护。
5
本产品不可用于承受冲击载荷或频繁拆卸的场合,若需此类应用,请选择特殊设计的防松螺栓或带尼龙锁扣结构的产品。
6
存放时应保持干燥通风,避免与碳钢制品混放,防止发生电化学腐蚀(异种金属接触腐蚀)。

法思特加大系列六角头法兰面螺栓不锈钢 M12*45
价格:¥2.16
购买数量
个
(1000个/盒,最小起订量1个,递增量:1)







