


法思特加大系列六角头法兰面螺栓不锈钢 M5*20
- 工业品
价格:¥0.2051价格含税(税率13%)
- 品牌名称
- FAST(法思特)
- 商品型号
- GZS235885
- 商品编号
- C49348938
- 商品毛重
4.781克(g)
广东仓0
购买数量
个
(1000个/盒,最小起订量1个,递增量:1)
总价金额:
¥0.00近期成交0单
- 商品参数
- 商品详情
商品参数
参数完善中
商品详情
产品特点 FEATURES
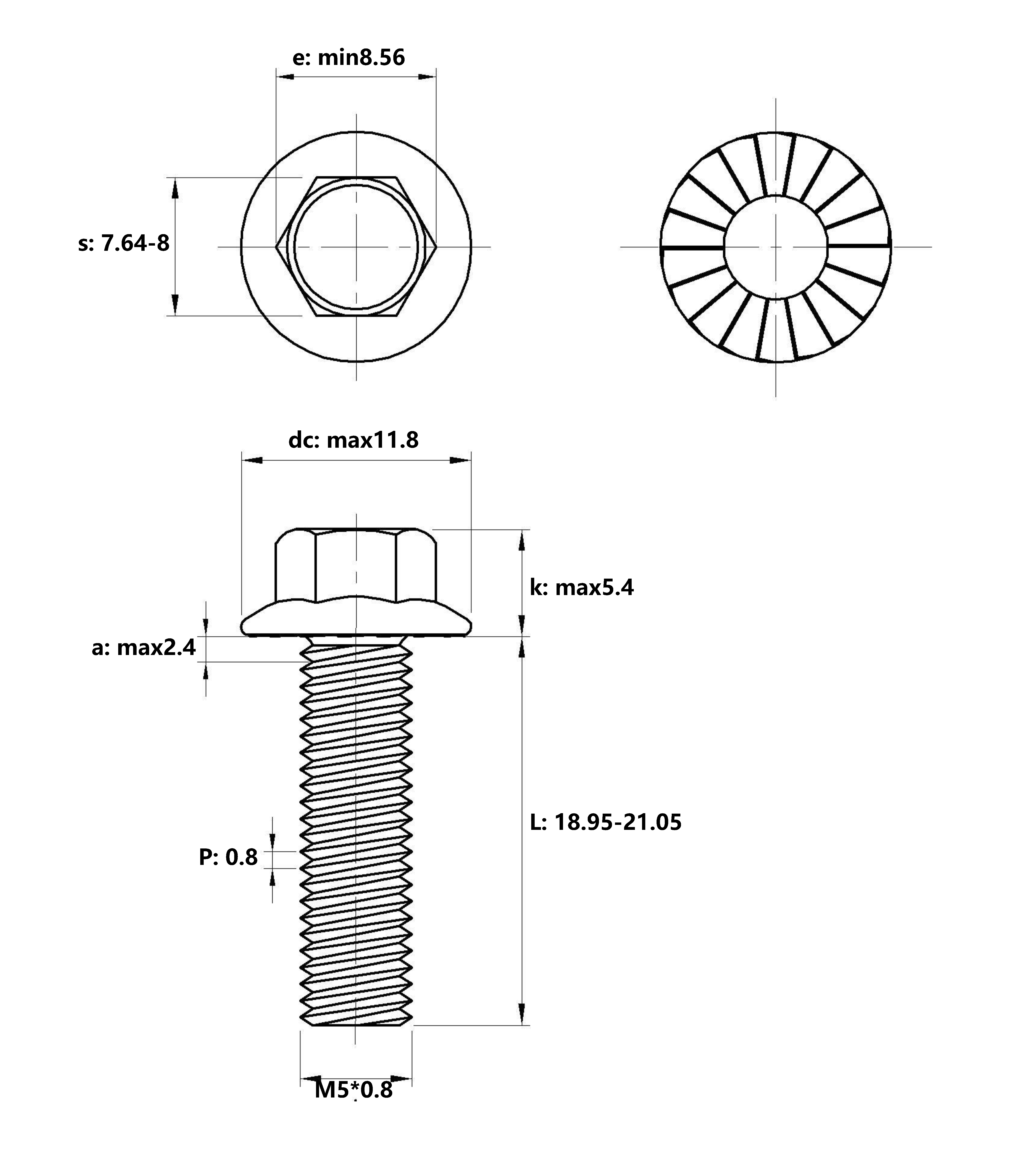
该产品为FAST(法思特)品牌生产的加大系列六角头法兰面螺栓,型号GZS235885,规格为M5×20,采用不锈钢材质制造,具有优异的耐腐蚀性能,适用于高湿度、酸碱或盐雾环境下的连接需求。螺栓头部带有法兰盘设计,增大了接触面积,有效分散预紧力,减少被连接件表面压痕和变形,提升连接稳定性。
螺纹规格为M5×0.8,螺距细密,提供更精确的扭矩控制与更高的连接强度。整体长度L在18.95-21.05mm之间,满足多种装配深度要求;头部高度k最大为5.4mm,直径dc最大为11.8mm,确保安装空间适配性良好。
法兰面外径e最小8.56mm,配合尺寸s为7.64-8mm,保证与标准孔位兼容。六角头设计便于扳手操作,适用于手动或电动工具快速安装与拆卸。产品符合国际通用标准,适合工业设备、机械结构、自动化装置等领域的高强度连接应用。
产品介绍 INTRODUCTION
使用场景 APPLICATIONS
适用于需要高强度、高耐腐蚀性的工业连接场合,尤其适合在海洋环境、化工厂、食品加工设备、医疗器械、户外电气箱体及建筑钢结构中使用。
广泛用于各类金属板材之间的固定连接,例如:
1
电机底座与机架的连接
2
控制柜、配电箱的面板安装
3
自动化生产线中的模块化组件固定
4
防腐设备外壳的密封连接
5
桥梁、塔架等户外结构件的防腐连接
由于其法兰面设计可减少垫圈使用,简化装配流程,特别适合对装配效率和可靠性要求较高的场景。
注意事项 PRECAUTIONS
1
安装前请确认被连接件的孔径与螺栓尺寸匹配,避免强行拧入造成螺纹损坏。
2
建议使用扭矩扳手进行预紧,推荐扭矩值根据实际工况参考相关标准(如DIN 933或ISO 4014),避免过紧导致螺纹拉伸或材料疲劳。
3
不锈钢螺栓虽耐腐蚀,但在氯离子浓度高的环境中仍需注意防止应力腐蚀开裂,建议定期检查连接状态。
4
严禁在高温(>300℃)环境下长期使用,以免影响材料性能。
5
存储时应保持干燥通风,避免与碳钢材料混放,防止电化学腐蚀。
6
若需长期承受振动载荷,建议配合弹簧垫圈或使用锁紧胶增强防松性能。

法思特加大系列六角头法兰面螺栓不锈钢 M5*20
价格:¥0.2051
购买数量
个
(1000个/盒,最小起订量1个,递增量:1)







