


法思特加大系列六角头法兰面螺栓不锈钢 M12*40
- 工业品
价格:¥2.04价格含税(税率13%)
- 品牌名称
- FAST(法思特)
- 商品型号
- GZS235927
- 商品编号
- C49348935
- 商品毛重
54.184克(g)
广东仓0
购买数量
个
(1000个/盒,最小起订量1个,递增量:1)
总价金额:
¥0.00近期成交0单
- 商品参数
- 商品详情
商品参数
参数完善中
商品详情
产品特点 FEATURES
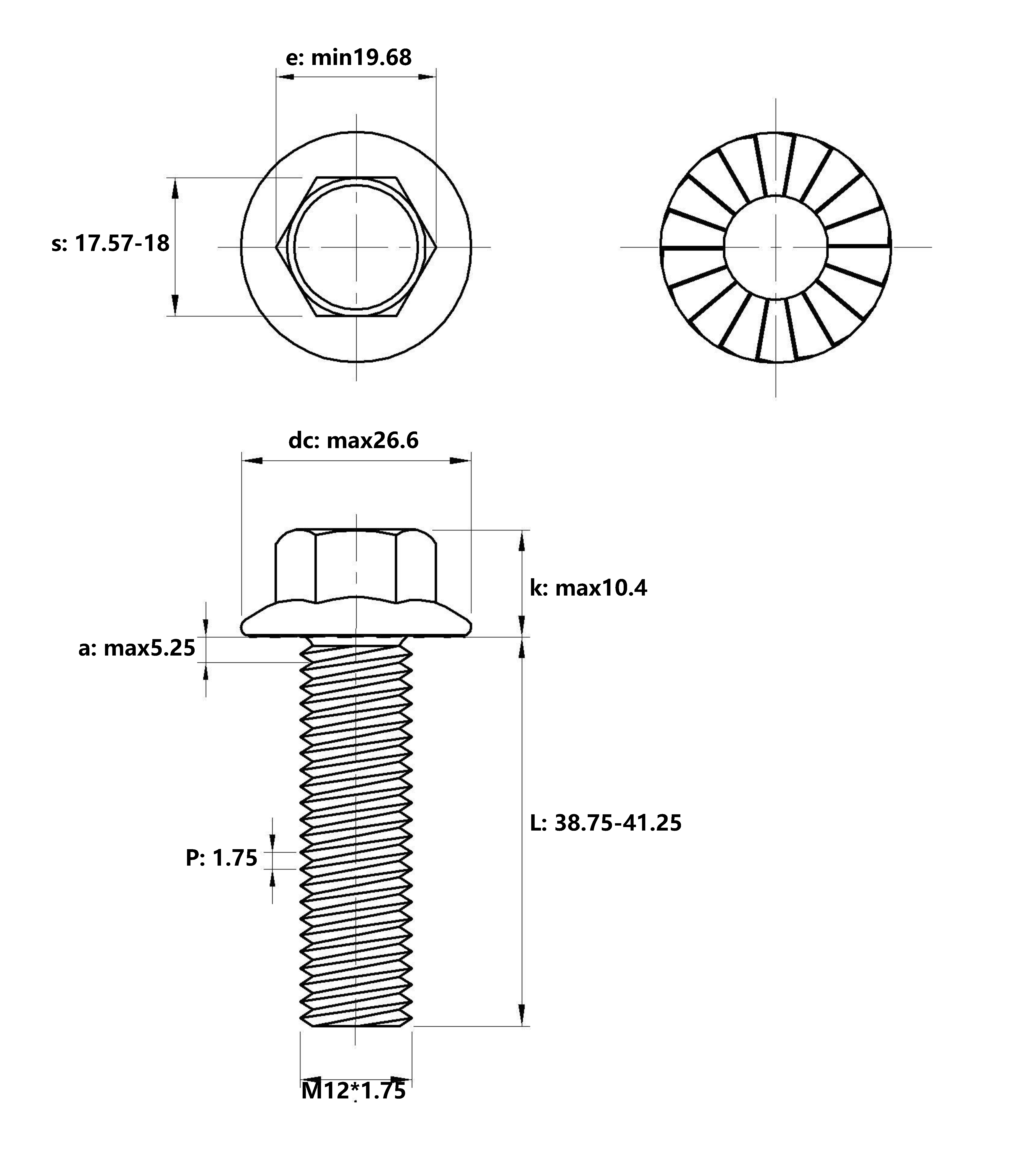
该螺栓为法思特(FAST)品牌加大系列六角头法兰面螺栓,型号GZS235927,采用不锈钢材质制造,具有优异的耐腐蚀性能,适用于高湿、酸碱或盐雾环境。螺纹规格为M12×1.75,公称长度40mm,实际长度范围为38.75-41.25mm,满足精密装配需求。头部为六角形设计,便于使用扳手或套筒工具快速安装与拆卸;法兰面直径最大可达26.6mm,提供更大的支撑面积,有效分散压力,减少被连接件表面压痕或变形。螺纹部分螺距为1.75mm,符合国际标准,确保与配套螺母和孔位的兼容性。整体结构坚固,适合高强度紧固应用。
产品介绍 INTRODUCTION
使用场景 APPLICATIONS
适用于工业设备、机械装配、自动化生产线、金属结构件、电力设施及户外工程等需要高强度、高耐久性和抗腐蚀能力的连接场合。
1
用于大型机械设备的底座固定,如泵体、电机、减速机等部件的安装。
2
在化工、食品、医药等行业中,作为洁净环境下防腐蚀连接件。
3
适用于钢结构建筑中的节点连接,尤其在沿海或高湿度环境中。
4
可用于桥梁、塔架、风力发电设备等基础设施的长期稳定连接。
5
配合垫圈和螺母使用,可实现预紧力控制,提高连接可靠性。
注意事项 PRECAUTIONS
1
安装时应使用扭矩扳手按照推荐拧紧力矩进行操作,避免过紧导致螺纹损坏或材料疲劳。
2
螺栓在高温或低温环境下使用前,需确认其材料性能是否满足要求,不锈钢在极端温度下可能发生应力腐蚀开裂。
3
建议配合平垫圈或弹簧垫圈使用,以增强防松效果和负载分布均匀性。
4
不锈钢虽耐腐蚀,但在含氯离子环境中(如海水、盐雾)仍需定期检查是否有点蚀现象。
5
存储时应保持干燥通风,避免与碳钢材料接触,防止电化学腐蚀。
6
本产品为非标加大尺寸设计,请核对图纸与实际安装孔位尺寸匹配,避免因尺寸偏差造成装配困难。

法思特加大系列六角头法兰面螺栓不锈钢 M12*40
价格:¥2.04
购买数量
个
(1000个/盒,最小起订量1个,递增量:1)







