


法思特内六角圆柱头机螺钉平弹垫组合-滚花不锈钢 M8*45
- 工业品
价格:¥0.8415价格含税(税率13%)
- 品牌名称
- FAST(法思特)
- 商品型号
- GZS226726
- 商品编号
- C49348578
- 商品毛重
22.984克(g)
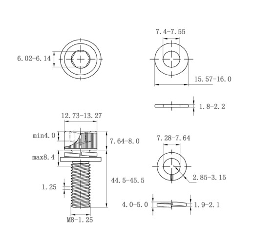
- 材质 304不锈钢
- 规格 M8*45
广东仓0
购买数量
个
(1000个/盒,最小起订量1个,递增量:1)
总价金额:
¥0.00近期成交0单
- 商品参数
- 商品详情
商品参数
| 属性 | 参数值 |
|---|---|
| 商品目录 | 内六角圆柱头平弹垫三组合 |
| 材质 | 304不锈钢 |
| 属性 | 参数值 |
|---|---|
| 规格 | M8*45 |
| 表面处理 | 洗白 |
商品详情
产品特点 FEATURES
该产品为FAST(法思特)品牌生产的内六角圆柱头机螺钉平弹垫组合件,型号GZS226726,规格为M8×45,采用304不锈钢材质,具有优异的耐腐蚀性和机械强度,适用于高要求工业环境。螺钉头部设计为滚花处理,增强防滑性能,便于手动或工具操作。配套平垫圈与弹簧垫圈组合使用,有效防止螺纹松动,提升连接稳定性。表面经过洗白处理,外观整洁,减少氧化风险,适合长期暴露在潮湿或化学环境中使用。螺纹精度符合标准,配合公差精准,确保装配可靠。整体结构紧凑,安装便捷,广泛用于需要高强度、高稳定性的设备固定场景。
产品介绍 INTRODUCTION
使用场景 APPLICATIONS
适用于各类工业设备的紧固连接,如自动化机械、输送系统、泵阀装置、电力设备、机床部件等。特别适合在湿度较高、有轻微腐蚀性气体或频繁振动的环境中使用,例如食品加工设备、制药机械、海洋工程装备等。由于其具备良好的抗疲劳性能和防松特性,也常用于需要定期拆卸维护但又要求连接可靠的场合。此外,因其表面处理美观且不易生锈,也可用于对外观有一定要求的户外或洁净室设备安装。
注意事项 PRECAUTIONS
1
安装时应使用合适的内六角扳手,避免过度拧紧造成螺纹损伤或材料变形。
2
建议按照推荐扭矩值进行紧固,以保证连接强度并防止过载损坏。
3
虽然304不锈钢具有优良耐腐蚀性,但在强酸、强碱或氯化物浓度较高的环境下仍需谨慎使用,必要时可选用更高耐蚀等级的材料。
4
长期暴露于高温环境(超过300℃)可能影响材料性能,请根据实际工况评估适用性。
5
存储时应保持干燥通风,避免与其他金属材料混放导致电化学腐蚀。
6
使用前请确认螺纹匹配性及安装孔尺寸是否符合设计要求,避免因不匹配造成安装困难或安全隐患。

法思特内六角圆柱头机螺钉平弹垫组合-滚花不锈钢 M8*45
价格:¥0.8415
购买数量
个
(1000个/盒,最小起订量1个,递增量:1)







