


法思特内六角圆柱头机螺钉平弹垫组合-滚花不锈钢 M10*50
- 工业品
价格:¥1.55价格含税(税率13%)
- 品牌名称
- FAST(法思特)
- 商品型号
- GZS226745
- 商品编号
- C49348535
- 商品毛重
41.613克(g)
- 材质 304不锈钢
- 规格 M10*50
广东仓0
购买数量
个
(1000个/盒,最小起订量1个,递增量:1)
总价金额:
¥0.00近期成交0单
- 商品参数
- 商品详情
商品参数
| 属性 | 参数值 |
|---|---|
| 商品目录 | 内六角圆柱头平弹垫三组合 |
| 材质 | 304不锈钢 |
| 属性 | 参数值 |
|---|---|
| 规格 | M10*50 |
| 表面处理 | 洗白 |
商品详情
产品特点 FEATURES
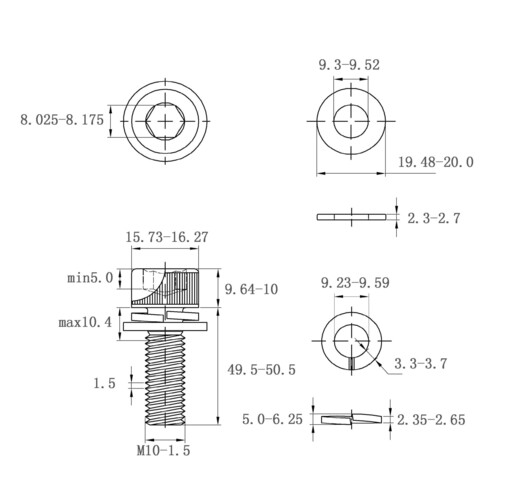
本产品为FAST(法思特)品牌GZS226745型号的内六角圆柱头机螺钉平弹垫组合,采用304不锈钢材质,具有优异的耐腐蚀性、抗拉强度和抗氧化性能,适用于高要求的工业环境。螺钉规格为M10×50,螺纹公称直径10mm,螺距1.5mm,满足ISO标准,确保连接可靠性和互换性。头部设计为滚花处理,增强防滑性能,便于手动或工具操作,同时提升装配效率。配套平垫圈与弹簧垫圈组合使用,有效防止松动,提高紧固稳定性。表面经洗白处理,外观整洁,无氧化层,适合对洁净度有要求的应用场景。整体结构紧凑,尺寸精度高,符合图纸标注范围:螺杆长度49.5-50.5mm,头部直径19.48-20.0mm,内六角对边尺寸8.025-8.175mm,确保与各类标准扳手匹配。
该螺钉具备良好的机械性能和长期服役能力,适用于需要高强度、高稳定性的连接部位,尤其在振动频繁或温差较大的工况下仍能保持紧固效果。
产品介绍 INTRODUCTION
使用场景 APPLICATIONS
广泛应用于机械制造、自动化设备、电力系统、轨道交通、船舶工程及化工装置等领域中对紧固件有较高要求的场合。例如:
1
用于电机外壳、泵体、减速机箱体等设备的固定连接;
2
在金属框架结构中作为关键连接件,如输送线、起重设备的支撑部件;
3
配合法兰、支架、管道系统进行密封与支撑连接;
4
适用于户外或潮湿环境中,如污水处理厂、海边设施等需防腐蚀的场景;
5
电子设备壳体内部结构件的安装,尤其是需要防震防松的精密部件。
其不锈钢材质与平弹垫组合设计,特别适合于存在化学腐蚀、盐雾侵蚀或高温多湿的工作环境,保障长期运行安全。
注意事项 PRECAUTIONS
1
安装前请确认螺孔尺寸与M10×50螺纹匹配,避免强行旋入造成螺纹损伤。
2
建议使用合适扭矩扳手进行紧固,推荐扭矩值约为45-55N·m,防止过紧导致螺纹断裂或材料变形。
3
洗白表面处理虽具防腐能力,但在强酸、强碱或氯离子浓度极高的环境下,建议配合密封胶或涂层进一步防护。
4
不同批次产品可能存在微小尺寸差异,请以实际测量为准,确保装配一致性。
5
存储时应放置于干燥通风处,避免与碳钢件混放,防止电化学腐蚀。
6
本产品不适用于高温超过300℃的持续工作环境,若需更高温应用,请选用耐热不锈钢(如316L)或其他高温合金材料。
7
使用过程中如发现松动现象,应及时检查是否因振动过大或预紧力不足所致,并重新校准扭矩。

法思特内六角圆柱头机螺钉平弹垫组合-滚花不锈钢 M10*50
价格:¥1.55
购买数量
个
(1000个/盒,最小起订量1个,递增量:1)







