


法思特内六角圆柱头机螺钉平弹垫组合-滚花不锈钢 M5*12
- 工业品
价格:¥0.1583价格含税(税率13%)
- 品牌名称
- FAST(法思特)
- 商品型号
- GZS226629
- 商品编号
- C49348518
- 商品毛重
3.723克(g)
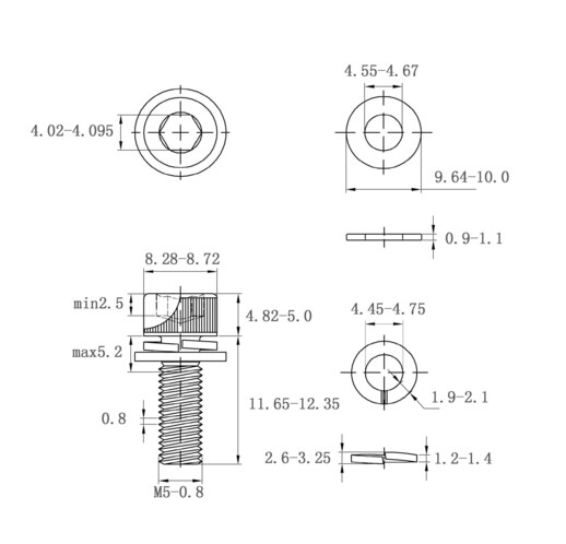
- 材质 304不锈钢
- 规格 M5*12
广东仓0
购买数量
个
(1000个/盒,最小起订量1个,递增量:1)
总价金额:
¥0.00近期成交0单
- 商品参数
- 商品详情
商品参数
| 属性 | 参数值 |
|---|---|
| 商品目录 | 内六角圆柱头平弹垫三组合 |
| 材质 | 304不锈钢 |
| 属性 | 参数值 |
|---|---|
| 规格 | M5*12 |
| 表面处理 | 洗白 |
商品详情
产品特点 FEATURES
该产品为法思特(FAST)品牌生产的内六角圆柱头机螺钉平弹垫组合件,型号GZS226629,规格为M5×12,采用304不锈钢材质,具有优异的耐腐蚀性和抗拉强度,适用于高要求的工业装配环境。螺钉头部设计为滚花处理,增强防滑性能,便于手动或工具操作,提升安装效率。配套平垫圈和弹簧垫圈组合使用,有效防止螺纹松动,确保连接稳定性。表面经过洗白处理,外观整洁,无油污残留,满足洁净度要求较高的应用场景。螺纹精度符合标准,螺距为0.8mm,适合精密机械装配。整体结构紧凑,尺寸公差严格控制,确保互换性与装配一致性。
产品介绍 INTRODUCTION
使用场景 APPLICATIONS
适用于各类需要高强度、耐腐蚀连接的工业设备中,如自动化生产线、数控机床、机器人关节部位、电力设备箱体、食品加工机械及医疗设备等。特别适合在潮湿、盐雾或化学腐蚀环境下长期运行的设备,可有效防止锈蚀导致的失效。由于其内六角设计,适用于空间受限的场合,便于使用内六角扳手进行紧固操作。广泛应用于需要频繁拆装且要求可靠锁紧的结构连接部位,例如电机底座固定、传感器安装、仪表外壳紧固等。同时适用于对清洁度有要求的行业,如制药、半导体制造等领域。
注意事项 PRECAUTIONS
安装时应使用合适的内六角扳手,避免过度拧紧造成螺纹损坏或材料变形。
建议配合扭矩扳手使用,按照设备技术手册规定的预紧力进行紧固,以保证连接可靠性。
本产品虽具备良好防腐性能,但在强酸、强碱或高温高压环境中仍需评估是否适用,必要时可选用更高耐蚀等级材料。
请勿将本产品用于承受冲击载荷或振动较大的动态连接部位,除非已采取额外防松措施。
储存时应保持干燥通风,避免接触含氯离子的介质,防止点蚀发生。
如需长期存放,建议密封包装,并定期检查是否有氧化迹象。

法思特内六角圆柱头机螺钉平弹垫组合-滚花不锈钢 M5*12
价格:¥0.1583
购买数量
个
(1000个/盒,最小起订量1个,递增量:1)







