


法思特内六角圆柱头机螺钉平弹垫组合-滚花不锈钢 M8*30
- 工业品
价格:¥0.6791价格含税(税率13%)
- 品牌名称
- FAST(法思特)
- 商品型号
- GZS226723
- 商品编号
- C49348517
- 商品毛重
18.343克(g)
- 材质 304不锈钢
- 规格 M8*30
广东仓0
购买数量
个
(1000个/盒,最小起订量1个,递增量:1)
总价金额:
¥0.00近期成交0单
- 商品参数
- 商品详情
商品参数
| 属性 | 参数值 |
|---|---|
| 商品目录 | 内六角圆柱头平弹垫三组合 |
| 材质 | 304不锈钢 |
| 属性 | 参数值 |
|---|---|
| 规格 | M8*30 |
| 表面处理 | 洗白 |
商品详情
产品特点 FEATURES
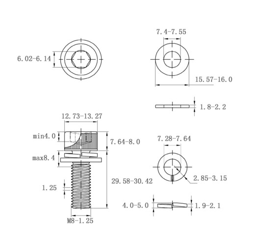
该产品为FAST(法思特)品牌生产的内六角圆柱头机螺钉平弹垫组合,型号GZS226723,规格为M8×30,采用304不锈钢材质,具有优异的耐腐蚀性和抗拉强度,适用于高要求的工业装配环境。螺钉头部带有滚花设计,增强手动操作时的防滑性能,提升安装效率与安全性。表面经过洗白处理,外观整洁、无氧化层,适合对清洁度有较高要求的应用场景。配套平垫圈和弹簧垫圈组合使用,有效防止螺栓松动,确保连接稳定性。结构紧凑,尺寸精准,符合标准,具备良好的互换性与装配一致性。螺纹部分为M8-1.25标准螺距,配合精度高,适用于多种金属及非金属材料的紧固需求。
产品介绍 INTRODUCTION
使用场景 APPLICATIONS
广泛应用于机械制造、自动化设备、精密仪器、电力系统、轨道交通、船舶工程等工业领域中需要高强度、高耐腐蚀性的紧固连接场合。特别适用于户外或潮湿环境中长期工作的设备,如泵阀、电机外壳、控制柜、钢结构件等。其组合式设计可减少现场装配步骤,提高安装效率,适用于频繁拆装或振动较大的工况。在食品加工、医药设备等对卫生条件要求较高的行业中,因其304不锈钢材质无毒、易清洁,也具备良好的适用性。
注意事项 PRECAUTIONS
安装时应使用合适的内六角扳手,避免过度拧紧导致螺纹损伤或材料变形。
请根据实际受力情况选择合适的扭矩值,建议参考相关扭矩标准进行预紧。
虽然304不锈钢耐腐蚀性强,但在强酸、强碱或含氯离子的极端环境下仍需评估是否需要更高防腐等级的材料。
本产品为精密紧固件,建议存放于干燥通风处,避免长时间暴露在潮湿环境中。
使用前请检查螺纹是否完好,垫圈是否变形,确保连接可靠性。
严禁用于承受冲击载荷或高温超过800℃的环境,以免影响材料性能。

法思特内六角圆柱头机螺钉平弹垫组合-滚花不锈钢 M8*30
价格:¥0.6791
购买数量
个
(1000个/盒,最小起订量1个,递增量:1)







